power steering pump removal

2004 BUICK RENDEZVOUS
186,000 MILES • 6 CYL • AWD • AUTOMATIC
Avatar
CLEDFORD
  • MEMBER
  • 1 POST
How do you get the power steering pump off a 2004 Buick Rendezvous?
Dec 10, 2010 at 7:27 PM
Advertisement
Avatar
JACOBANDNICKOLAS
  • CERTIFIED EXPERT
  • 110,175 POSTS
Hello,

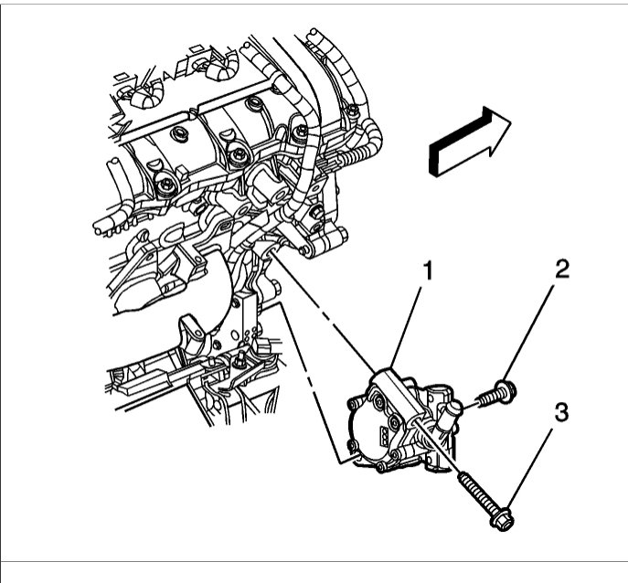
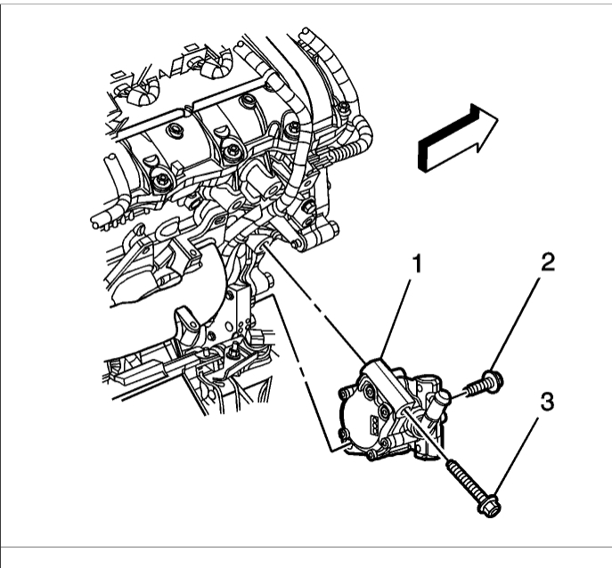
Disconnect the battery, remove the belt, remove the high pressure and low pressure lines (one bolts / one clamped) and remove the bolts from the mounting brackets.

Here is a guide that will help you see what you are in for when doing the job.

https://www.2carpros.com/articles/how-to-replace-a-power-steering-pump

Here is a video on how to get the pulley off of the pump

https://youtu.be/MtHG4y_rdMI

Here are diagrams to help you on your car (below)

Please let us know if you need anything else to get the problem fixed.

Cheers
Dec 10, 2010 at 7:31 PM
Avatar
JRP225
  • MEMBER
  • 4 POSTS
My car started squealing really bad. I changed the belt and it still keeps squealing. Ever since I bought the car used whenever you turn the wheel it makes a noise like your fluid is low. I always check it but it is not low. I know the powering steering pump does leak the fluid. I was wondering if you can tell me how to change my power steering pump? Or if you can tell me what else to check for the squealing noise?
Dec 31, 2018 at 12:13 PM (Merged)
Advertisement
Avatar
SERVICE WRITER
  • CERTIFIED EXPERT
  • 9,123 POSTS
Hello,

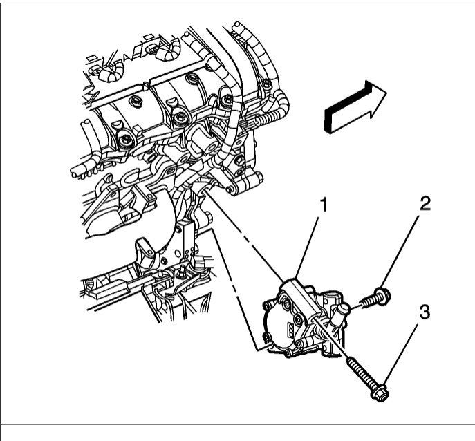
Here is a guide to help walk you through the steps and a video to show how to remove and install the power steering pulley. Check out the diagrams below so you can see how to do the job on your car

https://www.2carpros.com/articles/how-to-replace-a-power-steering-pump

and

https://youtu.be/MtHG4y_rdMI

Check out the diagrams (Below). Please let us know what happens.
Dec 31, 2018 at 12:13 PM (Merged)
Avatar
JRP225
  • MEMBER
  • 4 POSTS
Thanks for the post I got a new pump for $142.00 and installed it, all fixed! thanks for your help I love this site.
Dec 31, 2018 at 12:13 PM (Merged)
Avatar
SERVICE WRITER
  • CERTIFIED EXPERT
  • 9,123 POSTS
Nice work, we are here to help, please use 2CarPros anytime.
Dec 31, 2018 at 12:13 PM (Merged)
Avatar
CHRISERICKS
  • MEMBER
  • 1 POST
My wifes power steering pump was screaming, so I went to Auto zone last eve and replaced the pump with a (probably remanufactured pump) refilled fluid and this pump still has the same squelching, other than the obvious that this is possibly a bad pump also.....Is there something that I am missing.
Dec 31, 2018 at 12:13 PM (Merged)
Avatar
JACOBANDNICKOLAS
  • CERTIFIED EXPERT
  • 110,175 POSTS
Did they properly bleed the system?
Dec 31, 2018 at 12:13 PM (Merged)
Avatar
DANNYBOY445
  • MEMBER
  • 1 POST
My 2005 rendezvous is making a whining noise when turning, it's leaking power steering fluid when parked. How can i tell if it's the pump or the whole rack n pinion? i think it's just the pump, but not sure. I was thinking i was just going to start with the pump and see if that fixes it. Any help will be great.
Dec 31, 2018 at 12:13 PM (Merged)
Avatar
DENNYP
  • CERTIFIED EXPERT
  • 1,824 POSTS
You will need to look under the vehicle to pinpoint the leak location. It might be easier to clean it off first, then run it a little while before looking for the leak.
Dec 31, 2018 at 12:13 PM (Merged)