charging problem

2004 BUICK RENDEZVOUS
125,000 MILES • 3.4L • 6 CYL • 2WD • AUTOMATIC
Avatar
JCRABB75
  • MEMBER
  • 1 POST
I have replaced the alternator and the battery and its still not charging what could be my problem
Jan 27, 2015 at 1:48 PM
Advertisement
Avatar
JDL
  • CERTIFIED EXPERT
  • 16,098 POSTS
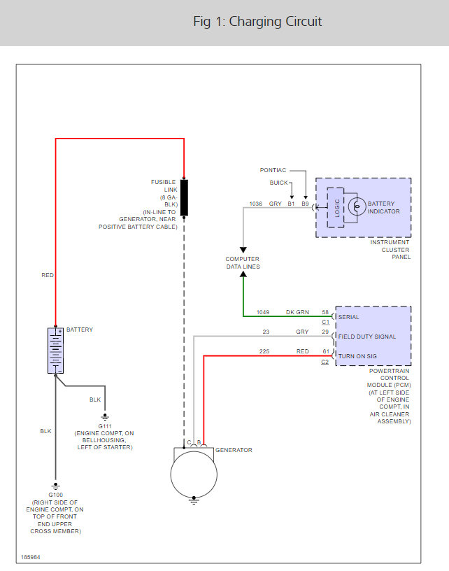
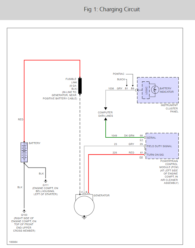
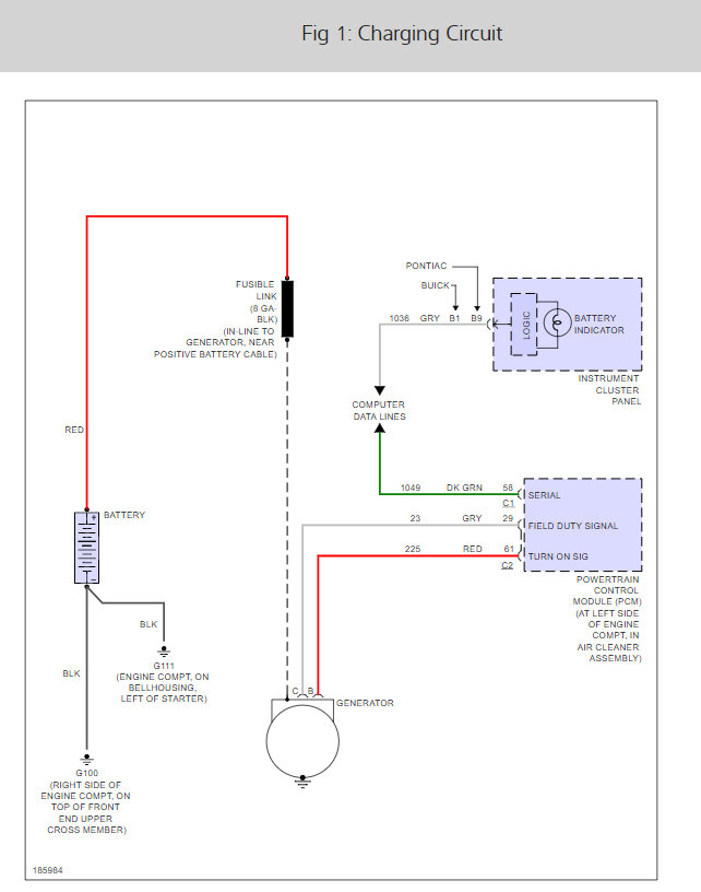
Here is some wiring for your alternator. Because the pcm has some control over the generator, check for applicable trouble codes. To check codes, yourself, at the least, you need an obd2 code reader. Some of the national brand auto stores will check codes for free, if you can get the vehicle down there.

The serpentine belt ok? Plenty of tension?
Jan 27, 2015 at 3:08 PM
Avatar
STRAILER
  • CERTIFIED EXPERT
  • 53,854 POSTS
Hello,

I would check the fusible link to make sure you have a connection. Also if the alternator was not an AC Delco it probably got a defective one.

Here is a guide to help check for power

https://www.2carpros.com/articles/how-to-use-a-test-light-circuit-tester

Here is the alternator wiring diagram you can see the instrument cluster and PCM play a roll in the system as well.

Check out the diagrams (Below)

Let us know what happens and please upload pictures or videos of the problem.

Cheers, Ken
Jan 29, 2018 at 1:30 PM
Advertisement
Avatar
JCRABB75
  • MEMBER
  • 1 POST
Thanks you so much it was the a bad alternator as soon as I installed an ACDelco unit it started charging.

thanks for everything I love this site.
Jan 29, 2018 at 1:31 PM