timing chain replacement instructions

2004 BUICK LESABRE
210,000 MILES
Avatar
LNICHOLS741
  • MEMBER
  • 1 POST
The owners are asking $1800 for it they "say" nothing is wrong with the motor. it has problems with the windows they dont work nor does the sunroof. Another concern is the timing chain or belt. when should they be changed?
Nov 1, 2011 at 6:04 AM
Advertisement
Avatar
KASEKENNY
  • CERTIFIED EXPERT
  • 18,907 POSTS
This vehicle has a timing chain and does not require replacement unless there is an issue requiring it.

I attached the info below on how to replace the timing chain if that is needed by you or others that visit this page.

Let us know if you need other info. Thanks
Feb 15, 2021 at 2:56 PM
Avatar
RTERRIAN
  • MEMBER
  • 1 POST
My Buick has 85,000 miles on it and I heard that I should have the timing chain and gears changed before the gear disinagrates and causes bent valves. I this true to any degree?
Feb 18, 2021 at 1:29 PM (Merged)
Advertisement
Avatar
MERLIN2021
  • CERTIFIED EXPERT
  • 17,250 POSTS
You have a steel chain and gears, leave it alone till it needs it, may get 200,00 miles out of it.


https://www.2carpros.com/forum/automotive_pictures/62217_lesabre_1.jpg


https://www.2carpros.com/forum/automotive_pictures/62217_lesabrea_1.jpg

Feb 18, 2021 at 1:29 PM (Merged)
Avatar
SKUTARANDY
  • MEMBER
  • 1 POST
how loose is a new chain suppose to be after installed?
Feb 18, 2021 at 1:29 PM (Merged)
Avatar
ASEMASTER6371
  • CERTIFIED EXPERT
  • 52,796 POSTS
Okay, I attached the procedure for removing the timing cover and setting up the gears for the timing chain.

https://www.2carpros.com/articles/how-a-timing-belt-works

Roy

Removal Procedure
1. Remove the torque axis mount.


imageOpen In New TabZoom/Print


2. Remove the torque axis mount bracket.
3. Remove the drive belt.
4. For Engine Code 1, remove the drive belt idler pulley. Remove the pulley bracket.
5. Remove the drive belt tensioner assembly.
6. Remove the crankshaft balancer.


imageOpen In New TabZoom/Print


7. Remove the sensor shield.
8. Remove the crankshaft sensor.
9. Remove the oil pan to the front cover bolts.
10. Remove the engine front cover attaching bolts.


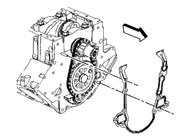
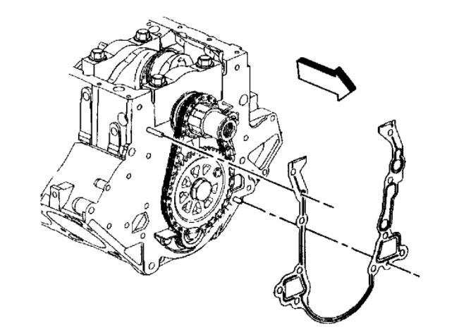
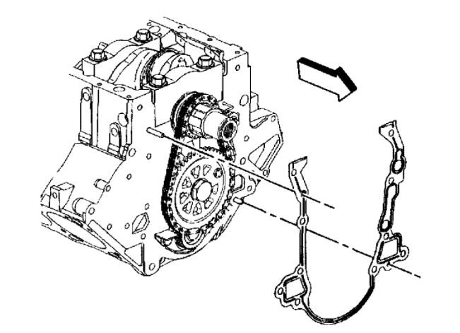
imageOpen In New TabZoom/Print


11. Remove the engine front cover.
12. Inspect the timing chain for overall in and out movement. Movement should not exceed 25 mm (1 inch).
13. Inspect the sprockets for wear.
14. Clean the gasket mating surfaces at the timing chain cover, and cylinder block.
15. If the oil pan gasket is excessively swollen, the oil pan must be removed and the gasket replaced.
Feb 18, 2021 at 1:29 PM (Merged)
Avatar
COCKPIT4HIRE
  • MEMBER
  • 15 POSTS
She starts cold on 3000 rpm but when I disconnect and connect again the throttle position sensor wire – she goes down to normal.
NOW NEW AND BIGGER PROBLEM: I didn’t move the car yet but there is a new terrible noise from the left side of the engine (where all the pullies are) and it sound to me like a timing chain…she come and goes and at certain RPM the engine is smooth as butter but on a low RPM she is making terrible noise. I thought it is one of the pullies but I listen to them with a long screwdriver – handle on my ear and tip on the pully and they sound good. My mechanic said that there is no such a thing as just replacing a timing chain – the engine is gone. Please advise.
Feb 18, 2021 at 1:29 PM (Merged)
Avatar
DRCRANKNWRENCH
  • CERTIFIED EXPERT
  • 3,380 POSTS
With the age and mileage, a timing chain and tensioner are not an uncommon fix.
At certain RPM, there is a tensioner that keeps the chain tight at all times, (and these fail over time), and probably it gets looser at lower RPMs.
Replace the gear, chain, sprocket and tensioner to fix it if you are keeping the car long haul, otherwise speak with your mechanic about ,"in between" repairs. Definitely get another timing chain tensioner though.
Feb 18, 2021 at 1:29 PM (Merged)