Heated front seat not working

2004 BUICK LESABRE
72,000 MILES
Avatar
ANONYMOUS
  • MEMBER
  • 1 POST
can you help me fix it?
Mar 9, 2013 at 5:26 PM
Advertisement
Avatar
KASEKENNY
  • CERTIFIED EXPERT
  • 18,907 POSTS
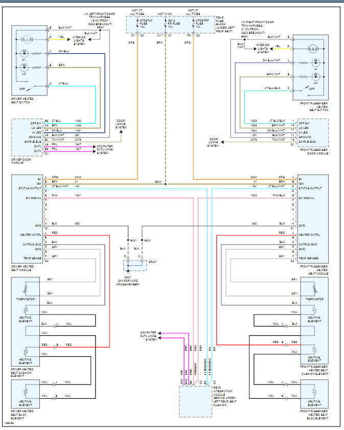
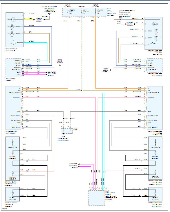
I am attaching the wiring diagram. Assuming this is only one of the front seats that is not working, we need to know find out if the switch light turns on when you press the button. If it does then this is either the door module, or the heater itself.

If the button does not come on then it could be these things or the switch as well.

Here is a guide that will help with the testing that we need to do:

https://www.2carpros.com/articles/how-to-check-wiring

You need to go to the heating element and check for power. If you have power it is the heater. If there is no power you need to go back through the system until you find where there is power and that component is the issue.

Let's run through this and report back and go from there. Thanks
Nov 28, 2020 at 7:13 AM