2004 Buick Lesabre Cooling Fans vs Alternator

2004 BUICK LESABRE
150,000 MILES
Avatar
RONNIE2834
  • MEMBER
  • 1 POST
With the A/C on and engine temp at operating range the cooling fans with not cut on to cool the engine or cool the A/C. The A/C compressor is engaging. Once I disconnect the electrical plug from the alternator everything begins to work as it should. This is also a brand new alternator. Once I plug it back up cooling fans shut down again and the car begins to then overheat if left running. The car has been put on a scanner, had all relays and fuses checked, was showing a spike in voltage so I replaceed the aternator and still have the same issue. Any Ideas on what else to check???
Jul 13, 2013 at 1:13 PM
Advertisement
Avatar
CJ MEDEVAC
  • CERTIFIED EXPERT
  • 11,004 POSTS


I MAY NOT BE MUCH HELP

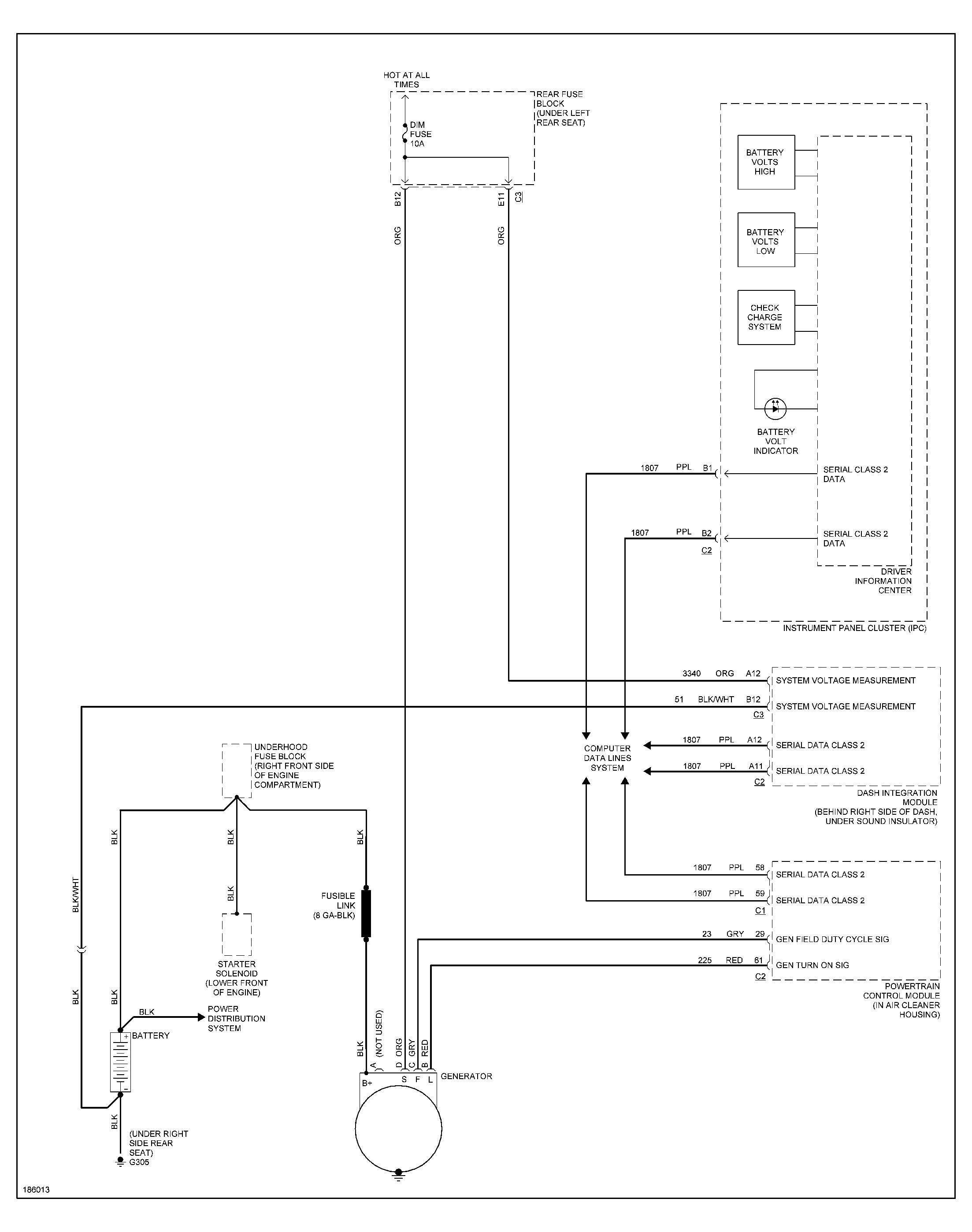
I DID GRAB YOU A COUPLE OF DIAGRAMS FROM "MITCHELL I"

DIA 1) COOLING FAN CIRCUIT

DIA 2) CHARGING CIRCUIT

MAYBE THEY'LL AID YOU IN FIGGERING THIS OUT!

THE MEDIC
Jul 13, 2013 at 9:29 PM