my turn signals are not working?

2004 BUICK CENTURY
6 CYL • FWD • AUTOMATIC
Avatar
MHJONES
  • MEMBER
  • 1 POST
has a problem with the blinkers not working. What is my repair action?
Nov 26, 2010 at 10:03 PM
Advertisement
Avatar
DANNY L
  • CERTIFIED EXPERT
  • 5,648 POSTS
Hello, I'm Danny.

It sounds like you are having an issue with a failed turn signal-hazard flasher. The flasher is located under the dash on the left hand side of the steering column. I've attached a picture below of its location including a picture below of the replacement part available from any local AutoZone auto parts stores. this guide can help us fix it

https://www.2carpros.com/articles/turn-signals-not-working-blinker

Check out the diagrams (Below). Please let us know if you need anything else to get the problem fixed.
May 15, 2021 at 2:29 AM
Avatar
JKROENING
  • MEMBER
  • 2 POSTS
When I push lever down for turn signal the front signal light stays on but does not blink on both sides. The rear bulbs do not change at all when I push lever for turn signal. I changed the relay and that did nothing. I also changed the rear bulbs but that did nothing as well. Any other ideas would be greatly appreciated.
May 21, 2021 at 3:24 PM (Merged)
Advertisement
Avatar
KASEKENNY
  • CERTIFIED EXPERT
  • 18,907 POSTS
This sounds very much like the multi-function switch has failed. If it were me, I would switch this out and retest. Let us know what you find. Thanks
May 21, 2021 at 3:24 PM (Merged)
Avatar
JKROENING
  • MEMBER
  • 2 POSTS
Okay, I will try that. Thank you.
May 21, 2021 at 3:24 PM (Merged)
Avatar
KASEKENNY
  • CERTIFIED EXPERT
  • 18,907 POSTS
Sounds good. Keep us posted with what you find. Thanks
May 21, 2021 at 3:24 PM (Merged)
Avatar
TOMWEGIS
  • MEMBER
  • 1 POST
My directional signals stopped working. All of the bulbs appear to be okay. I did a test with the hazard lights and turned them on and they worked fine. When I turned the hazards off the blinkers started to work again. It happened again this morning and I did the same thing and the directional signals work again. What could be wrong
May 21, 2021 at 3:24 PM (Merged)
Avatar
JERRYGOODWRENCH
  • CERTIFIED EXPERT
  • 77 POSTS
This is probably a defective turn sig swith located under the str wheel. If you have airbags you may not want to attempt this yourself. Get a manual from autozone and check it out.. Jerry
May 21, 2021 at 3:24 PM (Merged)
Avatar
RRMBAJ
  • MEMBER
  • 6 POSTS
turn signals do not work. Bulbs seem to go out all the time. Any suggestions? Thanks.
May 21, 2021 at 3:24 PM (Merged)
Avatar
DAN_K
  • CERTIFIED EXPERT
  • 213 POSTS
I believe that there was a TSB regarding a defective multifunction (turn signal) switch on these vehicles. Be sure to wait 30 minutes after disconnecting the battery to disarm the air bag as it must be removed before steering wheel removal. The multifunction switch it located beneath the steering wheel.
May 21, 2021 at 3:24 PM (Merged)
Avatar
RRMBAJ
  • MEMBER
  • 6 POSTS
Turn signal switch was the problem with the signals not working. I replaced and has been working good now for the past few months. PRNDL is still not lit but no big deal or at least not worth pulling the dash to fix. Thanks for the reply.
May 21, 2021 at 3:24 PM (Merged)
Avatar
DAN_K
  • CERTIFIED EXPERT
  • 213 POSTS
Glad you were able to fix it. I know that these multifunction switches were a little pricey, but you saved some money by doing it yourself. Nice work.
May 21, 2021 at 3:24 PM (Merged)
Avatar
DMG9885
  • MEMBER
  • 3 POSTS
passanger front turn signal was not working. changed bulb didn't work, changed socket it works unless the automatic lights come on then neither front signal lights work. any help will be much appreciated.
May 21, 2021 at 3:24 PM (Merged)
Avatar
HMAC300
  • CERTIFIED EXPERT
  • 48,601 POSTS
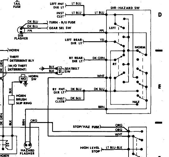
you might have it wired in wrong. see if you wired it like the diagram........
May 21, 2021 at 3:24 PM (Merged)
Avatar
DMG9885
  • MEMBER
  • 3 POSTS
ya its wired right, the socket plugs into the wiring harness. i took grounds off radiator mounts and cleaned them (saw them on your drawing) and everything is working now, thanks for your help.
May 21, 2021 at 3:24 PM (Merged)
Avatar
BUSBYDANYEL
  • MEMBER
  • 2 POSTS
My blinkers quit working yesterday there is no lights for them at all. The emergency flasher work perfectly though. I have checked the fuse and it is still good what else could I do?
May 21, 2021 at 3:24 PM (Merged)
Avatar
JACOBANDNICKOLAS
  • CERTIFIED EXPERT
  • 110,175 POSTS
The next easiest and cheapest thing to check is the flasher itself. It is under the dash (driver's side). Switch it with a known good one and let me know what you find. If it still doesn't work, we will need to check for power to the switch itself.
May 21, 2021 at 3:24 PM (Merged)
Avatar
BUSBYDANYEL
  • MEMBER
  • 2 POSTS
I replaced a round fuse type thing that was under the dash 12 . And it works now
May 21, 2021 at 3:24 PM (Merged)
Avatar
JACOBANDNICKOLAS
  • CERTIFIED EXPERT
  • 110,175 POSTS
That sounds like the flasher. Glad you got it fixed.

Joe
May 21, 2021 at 3:24 PM (Merged)
Avatar
MARTHA HALL
  • MEMBER
  • 1 POST
my left turn signal works once in a while. i have changed bulb and still nothing.
May 21, 2021 at 3:24 PM (Merged)
Avatar
DANNY L
  • CERTIFIED EXPERT
  • 5,648 POSTS
Hello again.

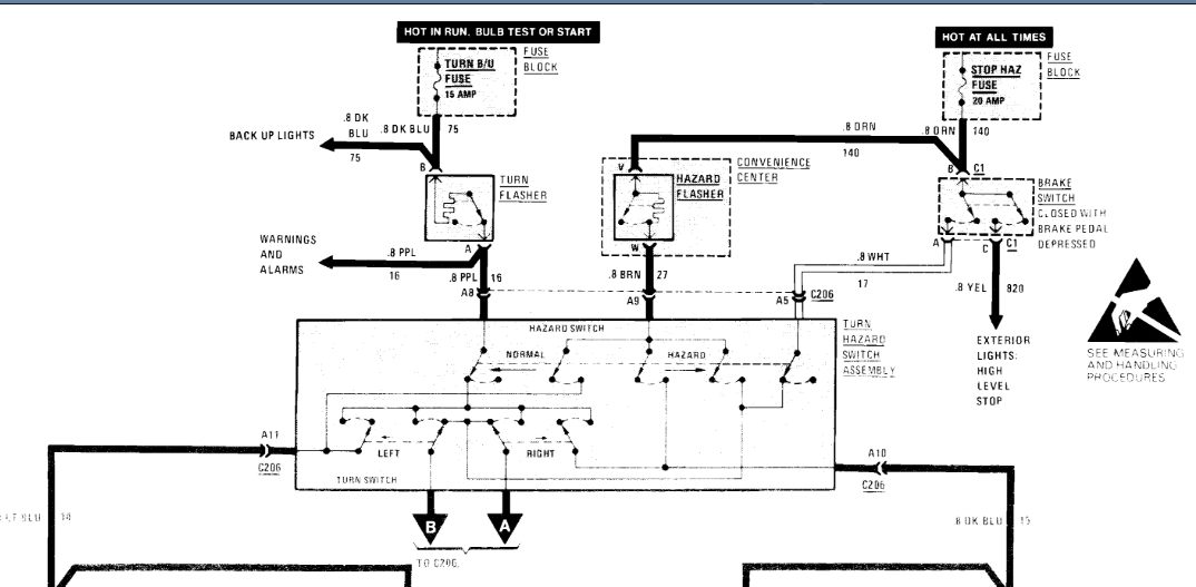
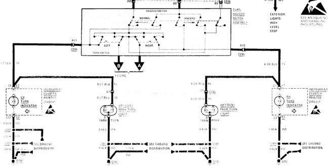
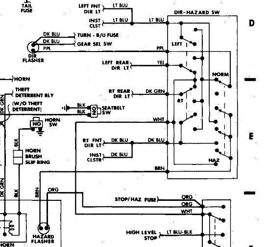
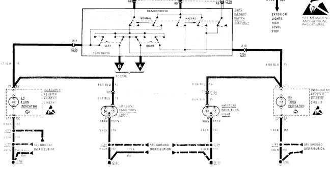
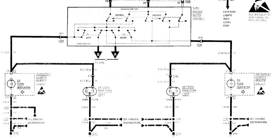
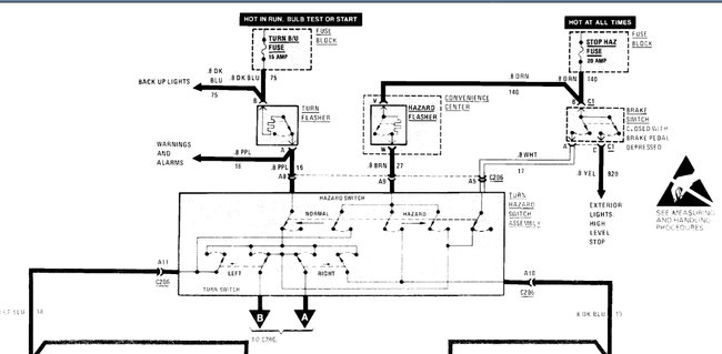
Yes, it sounds like you are having an issue in the wiring circuit on the left side.It's possible that there is a ground wire issue. I've attached the turn signal wiring diagrams below. For the front I cut the picture in half for you to better view.I would suggest checking the grounds and wiring first as opposed to just replacing non needed parts.Here are tutorials showing how to test wiring and how to use a wiring test light:

https://www.2carpros.com/articles/how-to-use-a-test-light-circuit-tester

https://www.2carpros.com/articles/how-to-check-wiring

If the wiring checks out okay then it would possibly be an internal fault in the actual combination-turn signal switch you activate on the steering column.Let me know the outcome of the wiring test and we'll go from there.Hope this helps and thanks for using 2CarPros.
May 21, 2021 at 3:24 PM (Merged)
Avatar
FIREATWILL08
  • MEMBER
  • 2 POSTS
I bought this car used and ever since i bought it the left turn signal wont flash but when i bought a flasher and went to put it in there wasn't a flasher there to replace or any place to put one in. So i went to the store and bought new bulbs and it still doesn't work what should i do? also i checked the fuses on the car and none were blown what so ever but the right side works fine on it.
May 21, 2021 at 3:25 PM (Merged)
Avatar
LEGITIMATE007
  • CERTIFIED EXPERT
  • 5,121 POSTS
I think the flasher may be in a different location, check, under the steering column, to the left of it almost as far as the dash.
May 21, 2021 at 3:25 PM (Merged)
Avatar
3DGRAHAM
  • MEMBER
  • 10 POSTS
I just fixed a similar problem on my 1994 Buick Century. The flasher was bad. The 1991 and 1994 models may be different but I found the bad flasher unit on the end of a long wire under the dash to the right of my steering column. The wire was long enough to extend down to my brake or gas pedal. My wire was an easy find but perhaps your flasher unit is way up inside the dash. I'm guessing you could trace it from the thick wiring harness or turn signal. Good luck and I hope this helps!
May 21, 2021 at 3:25 PM (Merged)
Avatar
LEGITIMATE007
  • CERTIFIED EXPERT
  • 5,121 POSTS
excellent input, older GM's usually have them way up on a clip on the side of the steering column, I almost gave up on a corsica because I couldnt find it, until I stuck a mirror and a flashlight under there and caught the reflection of the silver fuse. i never thought it would be up that far.
May 21, 2021 at 3:25 PM (Merged)
Avatar
DESS
  • MEMBER
  • 5 POSTS
my turn signals will not work. but my emergency flashers do. i checked the fuses which are in the glove box and do not see the flashers for the blinkers. if any one can tell me where the flashers are i would greatly appreciate it .. thank you in advance
May 21, 2021 at 3:25 PM (Merged)
Avatar
JDL
  • CERTIFIED EXPERT
  • 16,098 POSTS
Our info for the turn flasher, says it is mounted to rear instrument cluster support, to the right of steering column.

You can also get at the wiring harness under the dash where the wiring goes into steering column, with key on, turn signal on, check the purple wire for voltage, that voltage comes from flasher. If no voltage you will have to check voltage to and from turn flasher.

If that wire has voltage, check the proper color wire coming from steering column for rear turn signal lamps, if nothing, the problem may be the turn switch.

I realize this is an old post, in the future, hope you don't have any vehicle issues, but, if you do, keep the site in mind. They are always working to improve the site and it's free to ask a question.

Have a good day.
May 21, 2021 at 3:25 PM (Merged)
Avatar
FINCHTHO
  • MEMBER
  • 5 POSTS
My blinkers are really slow, and the lights do not light up in my dash for my signals, but the fuse is good, what else could it be?
May 21, 2021 at 3:29 PM (Merged)
Avatar
HMAC300
  • CERTIFIED EXPERT
  • 48,601 POSTS
Check the flasher if it continues then check bulbs in dash. See picture
May 21, 2021 at 3:29 PM (Merged)
Avatar
FINCHTHO
  • MEMBER
  • 5 POSTS
where is that on the car? it is unclear to tell
May 21, 2021 at 3:29 PM (Merged)
Avatar
CJ MEDEVAC
  • CERTIFIED EXPERT
  • 11,004 POSTS
DIFFERENT GUY

I FOUND THE SAME DIAGRAM

IT IS HAZY JUST LIKE HMACs

IT APPEARS TO BE UNDER THE HOOD/ DRIVERs SIDE/ LOW ON THE FIREWALL

(IF NOT, MAYBE IT'S ON THE INSIDE, SAME PLACE)

THIS IS WHAT IT LOOKS LIKE, SEE MY LINK

http://shop.advanceautoparts.com/web/PartSearchCmd?storeId=10151&catalogId=10051&pageId=partTypeList&suggestion=&actionSrc=Suggest&langId=-1&searchTerm=flashers&vehicleIdSearch=7106&vehicle_7106=1986+%3A+Buick+%3A+Century+Limited+%3A+2.8L+173CI+V6+Carb+VIN%3A+X&vehicle_172433=2003+%3A+Ford+%3A+Escape+%3A+3.0L+183CI+V6+FI+VIN%3A+1&vehicle_145199=2002+%3A+Chevrolet+%3A+S10+%3A+4.3L+262CI+V6+FI+VIN%3A+W&searchedFrom=header

KEEP US POSTED ON PROGRESS

THE MEDIC
May 21, 2021 at 3:29 PM (Merged)
Avatar
HMAC300
  • CERTIFIED EXPERT
  • 48,601 POSTS
It is located behind the dash by the steering column.
May 21, 2021 at 3:29 PM (Merged)
Avatar
FINCHTHO
  • MEMBER
  • 5 POSTS
I looked everywhere behind the dash in the engine bay and under the dash it is no where to be found.
May 21, 2021 at 3:30 PM (Merged)