hi , how do i change the ignition switch on a vw polo 2003 model

2003 VOLKSWAGEN POLO
95,000 MILES
Avatar
PP369
  • MEMBER
  • 1 POST
car wont start , dead , not even swinging.
Feb 23, 2012 at 2:22 PM
Advertisement
Avatar
KHLOW2008
  • CERTIFIED EXPERT
  • 41,814 POSTS
Our database does not have any information on this vehicle so I am not able to get any information for you.

Generally ignition switches are plugged and bolted to base of ignition key cylinder and you need to remove the steering column cover to get at it. Remember to disconnect the battery negative permnal first before attemptng work.

Btw, how sure are you that the problem lies with the ignition switch?

Have you tested the starter and battery?
Were the fuses and fusible links checked?
Feb 23, 2012 at 4:22 PM
Avatar
EXOVCDS
  • CERTIFIED EXPERT
  • 1,883 POSTS
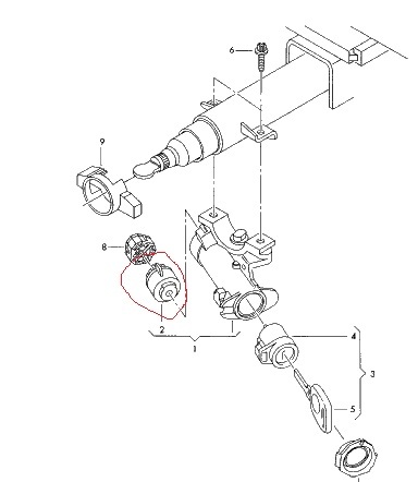
Have a look at the attached image... I've never changed one on a
Polo, but it looks to be the same as Audi A4, Jetta, Golf, Passat
of the same year.

Like KHLow2008 said, you need to remove the steering column trim
to gain access to the switch... but check battery & starter first
as well as verifying power into the switch and out of the switch
(while trying to start the car) using a test light.

You will probably have to remove the steering wheel first and then
remove the steering column trim pieces.
Feb 26, 2012 at 7:12 PM
Advertisement