Light on but compressor is not engaging

2003 TOYOTA RAV4
90,000 MILES • 4 CYL
Avatar
REDWOODRAV
  • MEMBER
  • 1 POST
Light on but compressor is not engaging. What could be wrong? When I press the A/C button, the light comes on steady. However, the compressor clutch does not engage, and obviously no cooling takes place. I have checked the fuse in the fuse box under the hood, and no problem there. I am not getting any trouble codes from the OBD II diagnostics. Some of my research indicates a possible problem with the magnetic clutch relay, however I have not been able to find that relay's location in the car. It does not appear to be one of the ones in the fuse box under the hood.

Any help on the following would be appreciated.

1. Thoughts on why the compressor clutch is not engaging?
2. Location of the magnetic clutch relay?
3. Any other troubleshooting or investigation tips?

The A/C was working fine recently, so I do not believe it is a Freon problem. In addition, when I turn on the A/C, the compressor clutch does not engage and the compressor does not turn. I do not see how low Freon would keep the compressor from turning.
Apr 4, 2011 at 6:03 AM
Advertisement
Avatar
STRAILER
  • CERTIFIED EXPERT
  • 53,854 POSTS
Hello,

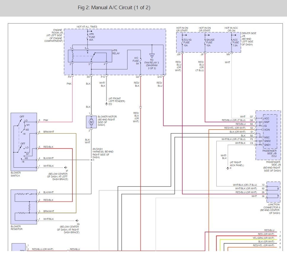
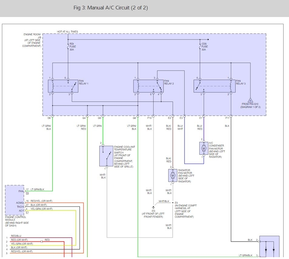
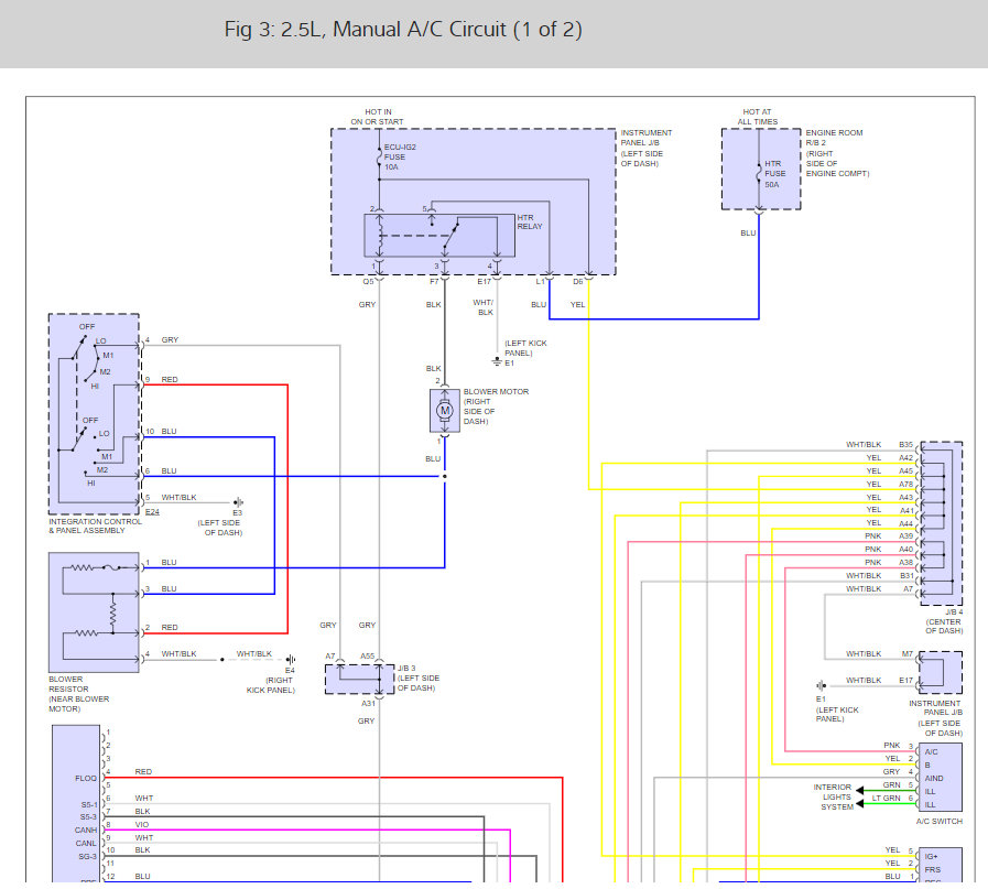
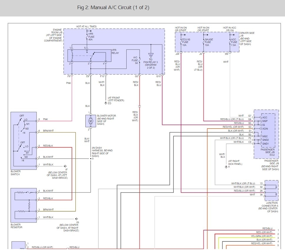
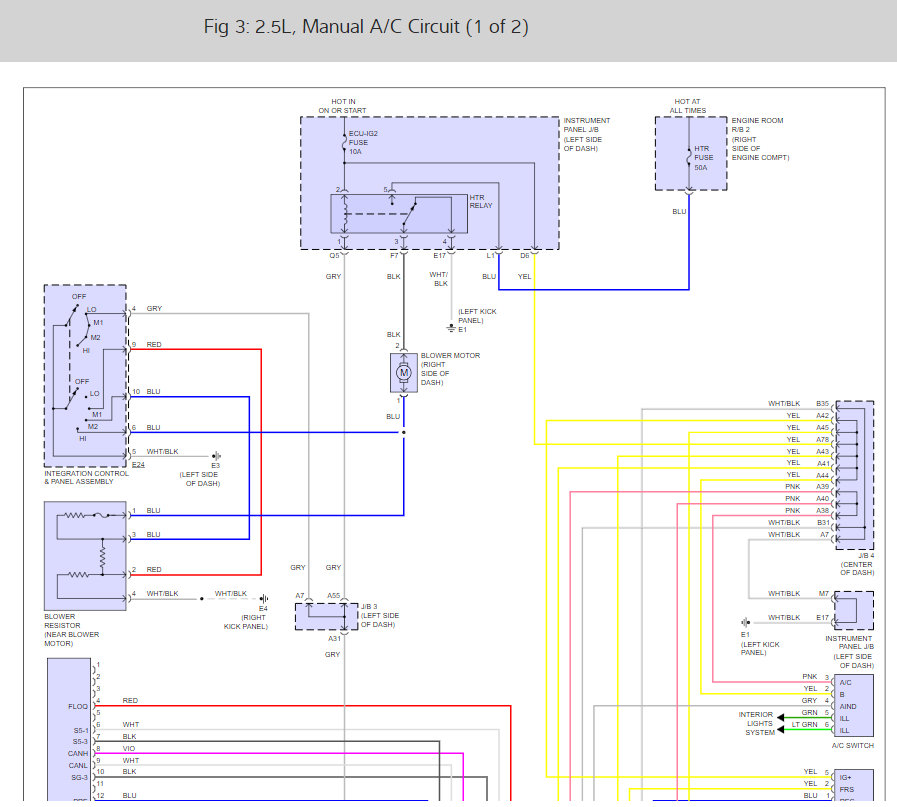
First check to see if the compressor is getting power. Here is some guides and some air conditioner wiring diagrams (below) to help you do some testing. If you do have power at the compressor then the unit is bad and needs to be replaced.

https://www.2carpros.com/articles/how-to-use-a-test-light-circuit-tester

and

https://www.2carpros.com/articles/replace-air-conditioner-compressor

the compressor for $150.00 from Amazon

https://www.2carpros.com/articles/car-air-conditioner-not-working-or-is-weak

Check out the diagrams (Below). Please let us know what happens.
Apr 13, 2021 at 10:23 AM
Avatar
REX W. SANDIFER
  • MEMBER
  • 9 POSTS
I am having the same problem. I checked the voltage to the compressor and it is low, around 2 volts. Wonder if anything was solved on this?
Apr 13, 2021 at 10:23 AM
Advertisement
Avatar
DANNY L
  • CERTIFIED EXPERT
  • 5,648 POSTS
Hello Danny here.
Just to add my two cents. A/C systems have a cut-out switch that disables the system when low refrigerant level is detected. It does this to stop A/C compressor from cycling to prevent damage. Has your system been checked/serviced recently? Even though systems are sealed. They will always leak down. Hope this helps.
Danny-
Apr 13, 2021 at 10:23 AM
Avatar
REX W. SANDIFER
  • MEMBER
  • 9 POSTS
Mechanic did a leak down to reset valve and added half pint of Freon, still no luck.
Apr 13, 2021 at 10:23 AM
Avatar
STRAILER
  • CERTIFIED EXPERT
  • 53,854 POSTS
If you remove the power wire to the compressor does the voltage go to 12 volts? It sounds like you have a shorts clutch coil or the A/C amplifier is bad. Here is a guide to help you test the relay and the relay location as well:

https://www.2carpros.com/articles/how-to-check-an-electrical-relay-and-wiring-control-circuit

Check out the diagrams (below). Please run this test and get back to us.

Cheers, Ken
Apr 13, 2021 at 10:23 AM
Avatar
REX W. SANDIFER
  • MEMBER
  • 9 POSTS
Thank you! Will do and will respond back. Thanks, Rex
Apr 13, 2021 at 10:23 AM
Avatar
REX W. SANDIFER
  • MEMBER
  • 9 POSTS
Do you have the same diagram for a 2010 RAV4?
Apr 13, 2021 at 10:23 AM
Avatar
STRAILER
  • CERTIFIED EXPERT
  • 53,854 POSTS
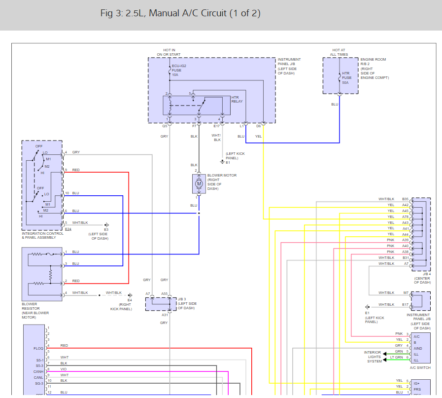
Yes, here you go! let me know, Ken
Apr 13, 2021 at 10:23 AM
Avatar
REX W. SANDIFER
  • MEMBER
  • 9 POSTS
Cool! And is that for manual?
Apr 13, 2021 at 10:23 AM
Avatar
STRAILER
  • CERTIFIED EXPERT
  • 53,854 POSTS
Yes right here, have a good weekend! let me know.
Apr 13, 2021 at 10:23 AM
Avatar
REX W. SANDIFER
  • MEMBER
  • 9 POSTS
That is a good diagram! Very detailed! Will do! Thank you Ken! Rex
Apr 13, 2021 at 10:23 AM
Avatar
REX W. SANDIFER
  • MEMBER
  • 9 POSTS
Okay, AC amplifier ground wire (white with black strip) has no ohm reading like the rest of the other grounds. Going to jump a wire from the AC amplifier ground wire to the left side ground under left kick panel. If it runs then I will try to find the break in ground around the junction box in center of dash.
Apr 13, 2021 at 10:23 AM
Avatar
REX W. SANDIFER
  • MEMBER
  • 9 POSTS
No luck on cold air by bypassing. Going to see what other wires run through that junction box.
Apr 13, 2021 at 10:23 AM
Avatar
STRAILER
  • CERTIFIED EXPERT
  • 53,854 POSTS
Is the AC amplifier sending a signal out to the compressor? Try it unplugged from the compressor you might have a shorted clutch coil.
Apr 13, 2021 at 10:23 AM
Avatar
REX W. SANDIFER
  • MEMBER
  • 9 POSTS
Going to run some more tests on the compressor and clutch wiring today.
Apr 13, 2021 at 10:23 AM
Avatar
STRAILER
  • CERTIFIED EXPERT
  • 53,854 POSTS
Let me know Rex.
Apr 13, 2021 at 10:23 AM