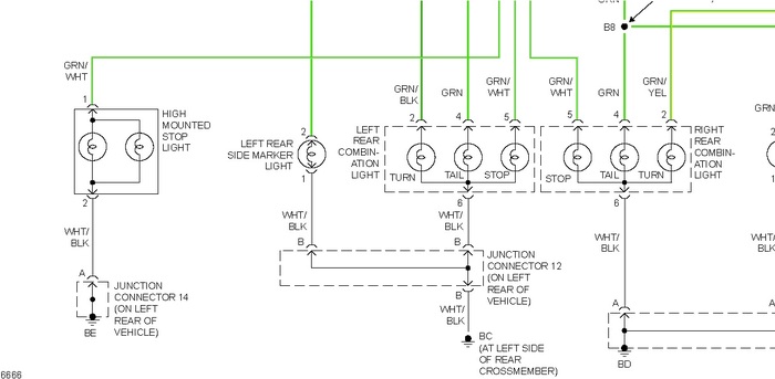
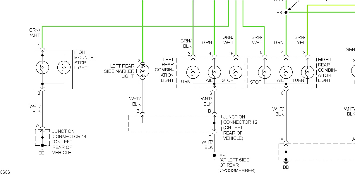
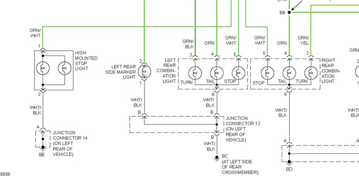
I have no brake lights. all others work and I have already checked the fuse and it is good. Is there a relay? or does this indicate it is the brake switch?
Nov 11, 2012 at 5:56 PM
