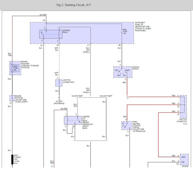
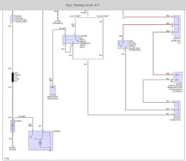
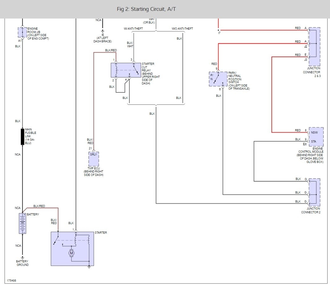
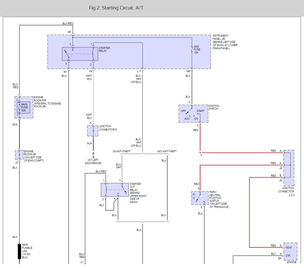
where is the neutral safety switch located on my 2003 toyota corolla?

2003 TOYOTA 4RUNNER
187,000 MILES
Avatar
WILLALEX
  • MEMBER
  • 2 POSTS
my 2003 toyota corolla wont start ,checked battery,alternator they seem fine i cannot hear the fp primeing and not even a clicking sound from the starter... any suggestions? ty
Dec 29, 2011 at 12:58 AM
Advertisement
Avatar
STRAILER
  • CERTIFIED EXPERT
  • 53,854 POSTS
Hey Will,

Yes here is the location for your neutral safety switch but it sounds like it might be a starter relay or fuse. Here are some guides and diagrams so you can start some testing to see where the problem is so you can get it fixed.

https://www.2carpros.com/articles/how-to-use-a-test-light-circuit-tester

and

https://www.2carpros.com/articles/how-to-check-a-car-fuse

Please run some tests and get back to us so we can continue helping you.

Best, Ken

Mar 2, 2017 at 11:38 AM