How do you remove the starter?

2003 SATURN VUE
110,000 MILES
Avatar
HROD
  • MEMBER
  • 1 POST
I am removing the engine. I need to remove the starter to get to the flex plate and I can only see one bolt for the starter.
Dec 24, 2011 at 1:18 AM
Advertisement
Avatar
STRAILER
  • CERTIFIED EXPERT
  • 53,854 POSTS
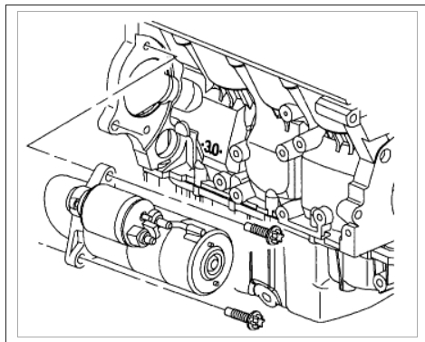
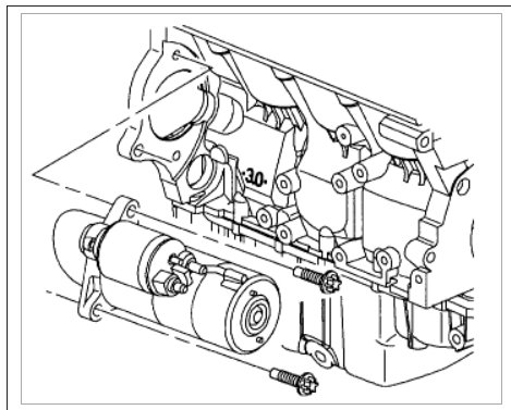
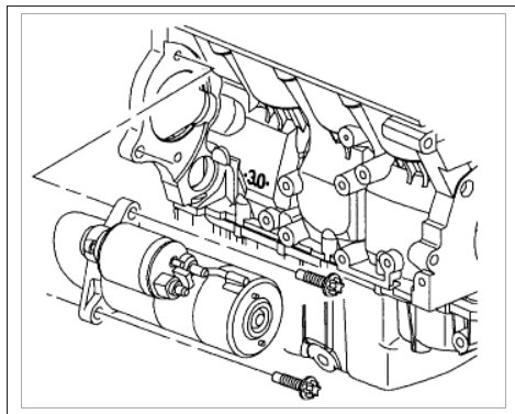
Yep these can be tough because the top bolt you need to use an extension and a universal 14mm socket. Here is a guide to show you what you are in for when doing the job.

https://www.2carpros.com/articles/how-to-replace-a-starter-motor

Here are diagrams of what it will be like for your car (below)

Please let us know if you need anything else to get the problem fixed.

Cheers, Ken
Dec 24, 2011 at 1:59 AM
Avatar
SATURNTECH9
  • CERTIFIED EXPERT
  • 30,869 POSTS
Just to add to this if its the V6 engine its going to be a lot harder then the 4cyl one.That starter is under the intake on the v6 and you have to feel around for the bottom bolt.
Dec 24, 2011 at 2:42 AM
Advertisement