how to troubleshoot fan

2003 SATURN ION
200,000 MILES
Avatar
CONAIR64
  • MEMBER
  • 1 POST
radiator cooling fan will not come on?
Jul 21, 2012 at 9:44 PM
Advertisement
Avatar
SATURNTECH9
  • CERTIFIED EXPERT
  • 30,869 POSTS
Does your ac work?If so turn the ac on and see if you have power and ground to the fan motor.Most likely its the cooling fan motor thats bad.
Jul 21, 2012 at 10:56 PM
Avatar
ALAN LE
  • MEMBER
  • 4 POSTS
the late question replaced the cooling fan, it worked for a few days. now it is not turn on when the temperature at the fan-on level, replaced the sensor, still not on.
Jun 15, 2019 at 12:36 AM
Advertisement
Avatar
STRAILER
  • CERTIFIED EXPERT
  • 53,854 POSTS
Hello,

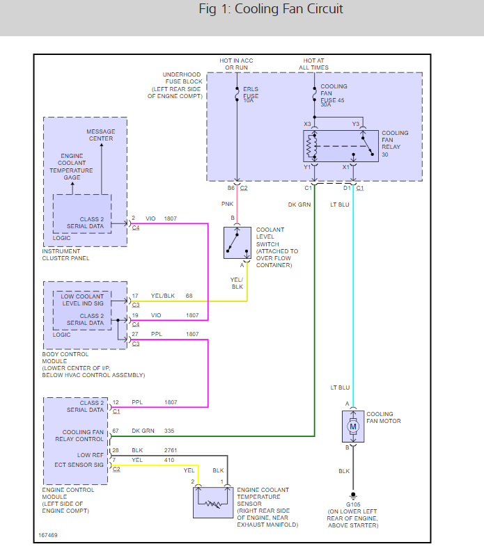
It sounds like the cooling fan relay is not working. but to be sure here is a guide and the cooling fan wiring diagrams so you can see how the system works with the relay location as well:

https://www.2carpros.com/articles/how-to-check-an-electrical-relay-and-wiring-control-circuit

Check out the diagrams (below). Please let us know what you find. We are interested to see what it is.

Jun 18, 2019 at 12:49 PM