2003 SAAB 9-3
165,000 MILES
Avatar
ANONYMOUS
  • MEMBER
  • 1 POST
Where is the starter motor located. The instructions seem to indicate I can replace from top of car but I don't see the starter.
Jan 23, 2013 at 9:58 PM
Advertisement
Avatar
KASEKENNY
  • CERTIFIED EXPERT
  • 18,907 POSTS
I will attach that info below on how to replace the starter but here is a guide that will help with determining if the starter is truly in need of replacement:

https://www.2carpros.com/articles/starter-not-working-repair

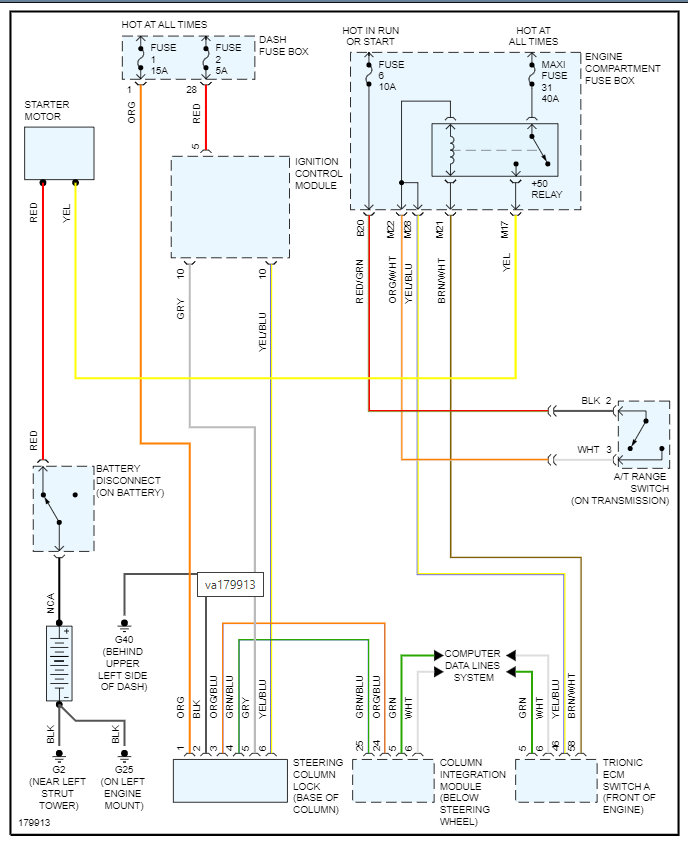
I attached the wiring diagram below as well to test it.

Assuming that it is in need of replacing it, please see the info below from the manual on how to replace the starter.

Let us know what other questions you have.

Thanks
Feb 20, 2022 at 6:34 PM