interior lights not working

2003 PONTIAC MONTANA
65,000 MILES • 3.5L • V6 • 2WD • AUTOMATIC
Avatar
XJSHEN
  • MEMBER
  • 245 POSTS
2003 pontiac montana's interior lights would not come on automatically when i switch engine off or open car doors. I have to turn on or off manually.
Thanks for your comment and help!
Jul 18, 2014 at 7:58 AM
Advertisement
Avatar
STRAILER
  • CERTIFIED EXPERT
  • 53,855 POSTS
Hi XJSHEN,

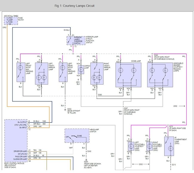
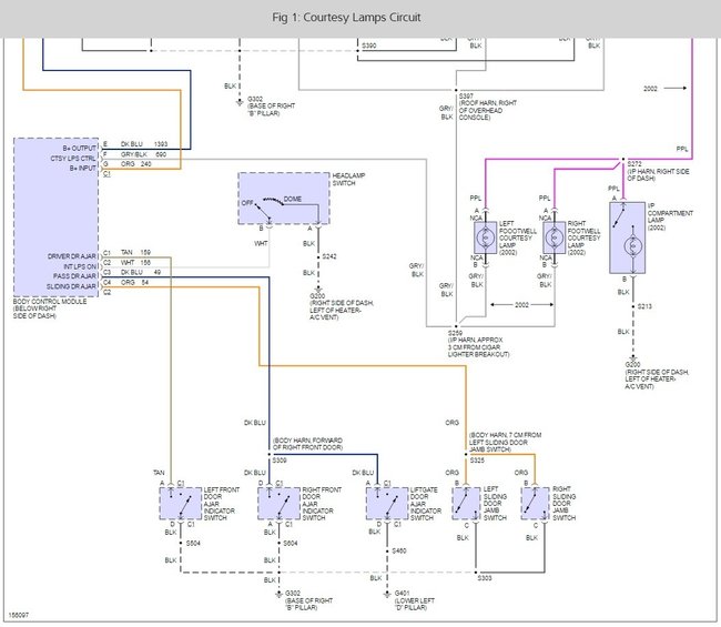
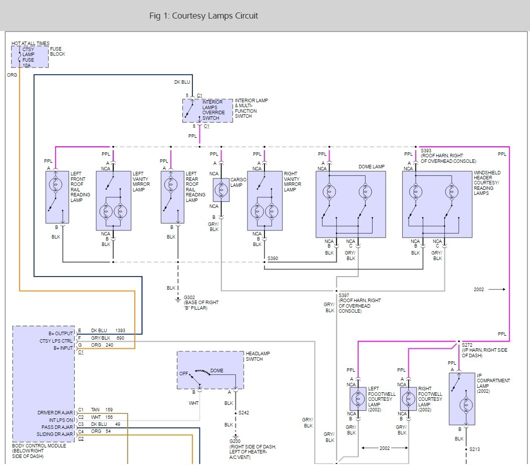
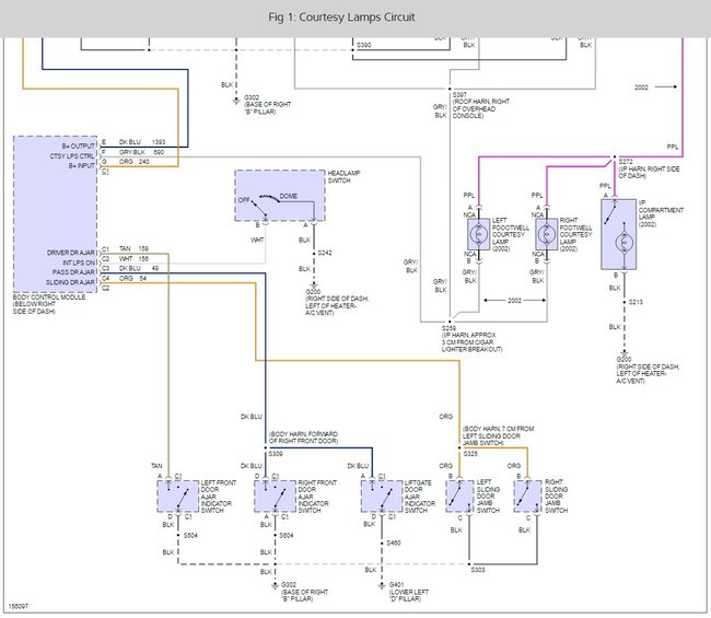
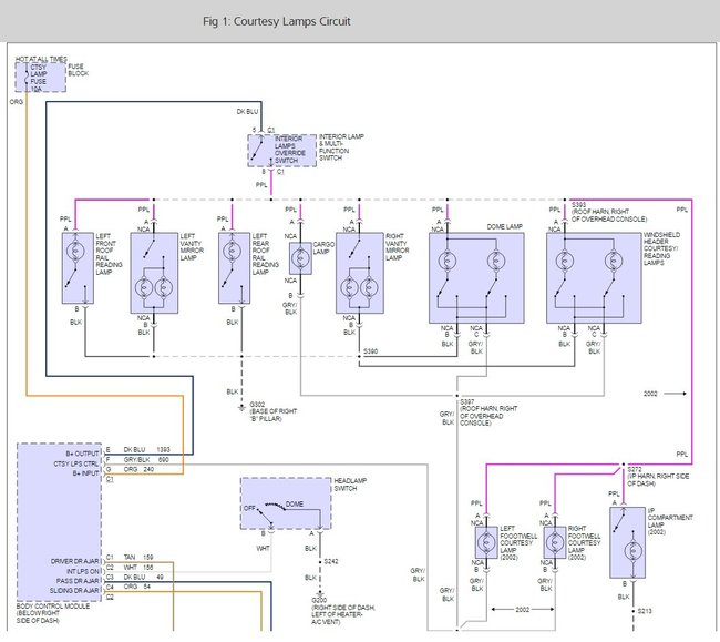
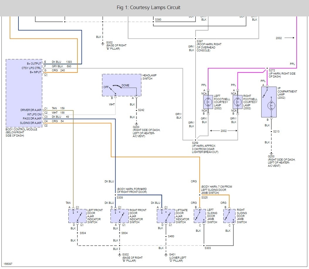
The interior light are run by the BCM which sounds like has gone bad, here is a wiring diagram so you can see if the BCM is sending power out to the lights which will confirms its failure.

https://www.2carpros.com/articles/how-to-use-a-test-light-circuit-tester

Please run some tests and get back to us so we can continue helping you.

Best, Ken
Feb 27, 2017 at 1:45 PM
Avatar
XJSHEN
  • MEMBER
  • 245 POSTS
Thanks a lot for your instruction and help!
When use power key open the the door, the interior lights are now turn on. Once I turn on the interior light switch on the top near by lights box, the lights are all turn on but when close the door they all not turn off. So, I have to turn off the interior lights switch turn off constantly and use the lights manual operation because automatic power key or window close/open can not control it.
If I have to replace window switch? Thanks!
Jun 18, 2018 at 9:33 AM
Advertisement
Avatar
STRAILER
  • CERTIFIED EXPERT
  • 53,855 POSTS
Yes, I would test the switches which you can use the wiring diagrams I gave above and this guide.

https://www.2carpros.com/articles/how-to-use-a-test-light-circuit-tester

Please let us know what you find.

Cheers, Ken
Jun 18, 2018 at 10:47 AM