2003 PONTIAC MONTANA
216,500 MILES
Avatar
ANONYMOUS
  • MEMBER
  • 1 POST
My heater wont turn on? Is this a fuse/wiring problem?
Jan 4, 2013 at 8:49 PM
Advertisement
Avatar
JDL
  • CERTIFIED EXPERT
  • 16,098 POSTS
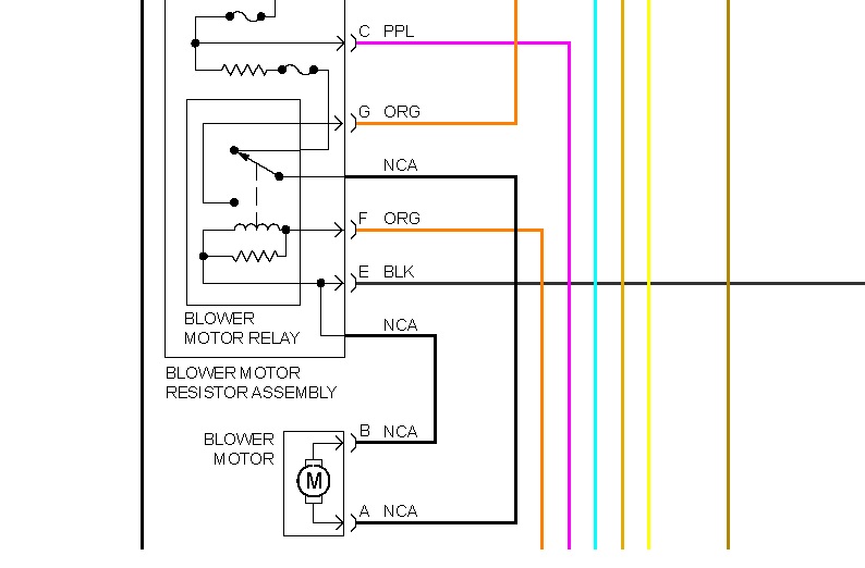
Are you saying the blower motor won't work? Check for voltage and ground at the blower motor wiring connector. Give me a second to find wiring diagram.
Jan 4, 2013 at 9:16 PM
Avatar
JDL
  • CERTIFIED EXPERT
  • 16,098 POSTS
In the diagram, terminal A is voltage for blower motor, terminal B is ground. If you have good voltage and ground with key on, hvac on, and no blower action, suspect the blower motor.
Jan 4, 2013 at 9:24 PM
Advertisement