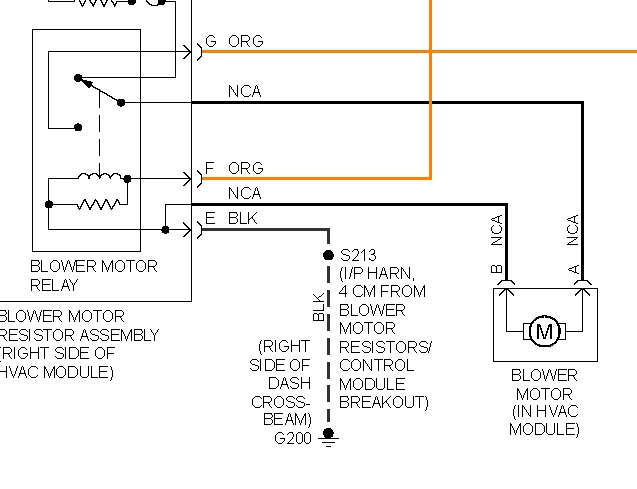
I have replaced resistor.Fan motor does not work on speeds 1-4 and is also affecting the day-time running lights.checked all fuses and circuits.All good Checked ground-no problems This is on a 2003 Pontiac grand Prix Could you help?
May 22, 2011 at 6:19 PM
