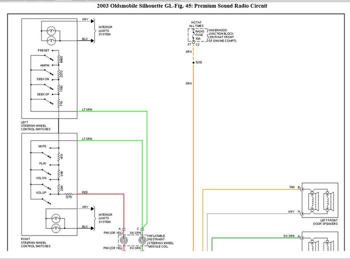
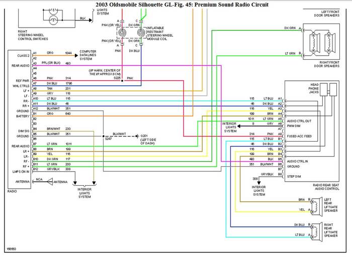
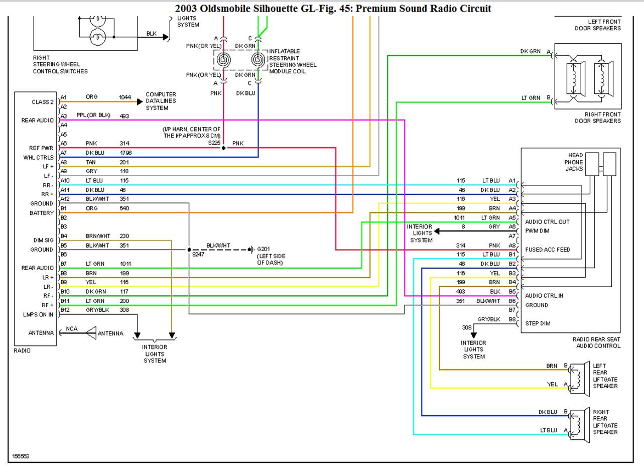
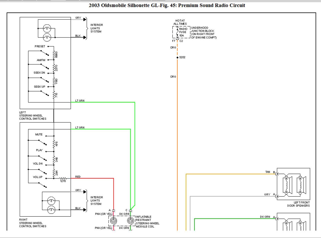
OEM dvd player does not work and needs to be replaced. Gm part no 10328932 ASM DVD player. If no replacement is there a wiring guide for the 24 pin plug for this dvd player so i can set up a plug for a new player. this vehicle has onstar, overhead screen, in dash dvd player, wireless headphones, dvd remote. thanks, steven
Jun 25, 2012 at 12:46 AM








