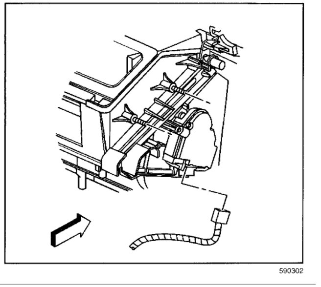
The heat does not come on when I change the temperture controll to warm. It is vacume and I do not hear any noise when i turn the controll. However I cannot find anywhere either in my owner manual, repair manual nor so far on the internet at to where this actuator is, or how to change it.
Thank you for your assistance.
Thank you for your assistance.
Sep 10, 2014 at 12:09 PM













