Turn Signal Relay Location

2003 NISSAN XTERRA
175,000 MILES • 6 CYL • 2WD • AUTOMATIC
Avatar
TLASTINGER
  • MEMBER
  • 1 POST
2003 Nissan Xterra turn signal relay in not working. The emergency flashers are working. Turn signals will not light up and flash. All bulbs are good. Changed the stereo out with an new unit and turn signals stopped working.
Dec 20, 2013 at 2:43 PM
Advertisement
Avatar
FREEMBA
  • CERTIFIED EXPERT
  • 1,152 POSTS
Combination Flasher Unit - Behind center of dash.

Check the turn signal fuse, then check for power at the turn signal relay.

https://www.2carpros.com/articles/how-to-check-an-electrical-relay-and-wiring-control-circuit

Disconnect the wires at the radio and then try the turn signals.
If they now work, connect one set of wires at a time and try the turn signals after each connection.

When you finally connect a set and the lights stop working, you have the circuit which is causing the problem. Check the wires on this circuit for exposed wires or for where someone has tapped into it to power some other component.

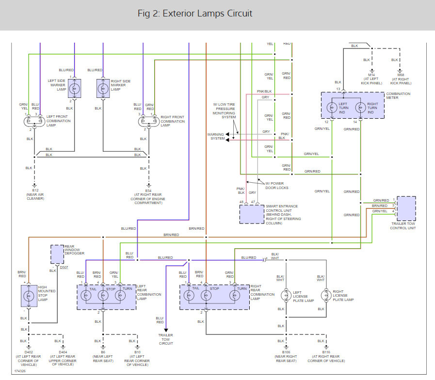
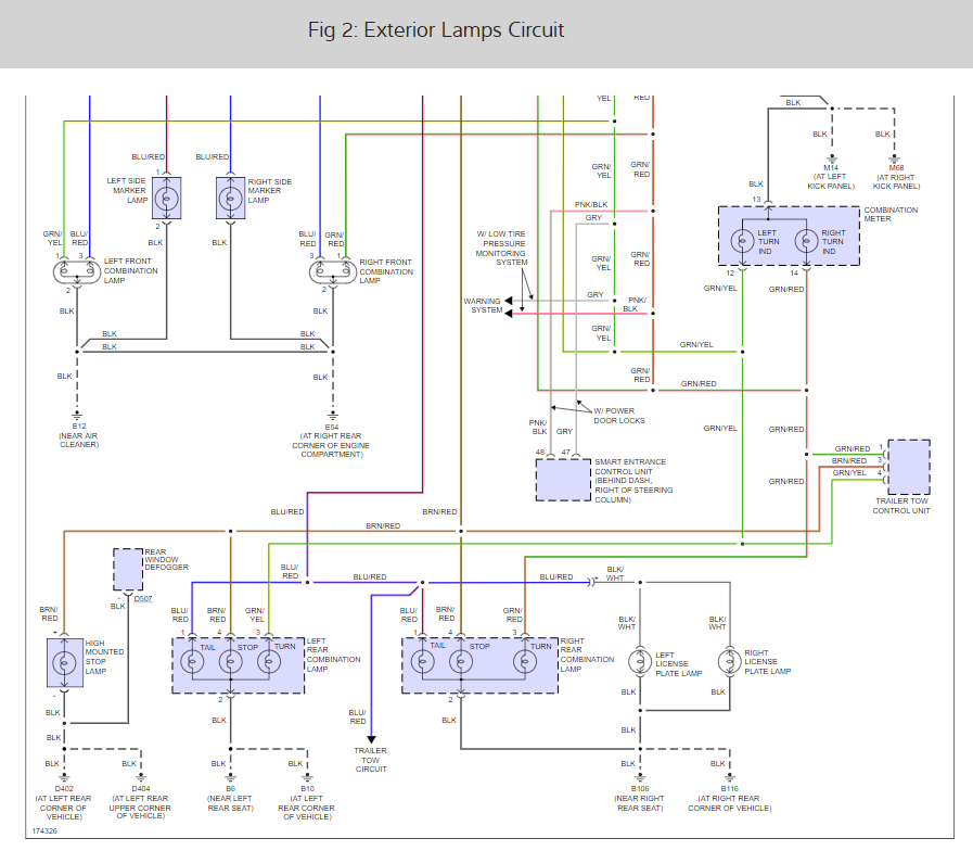
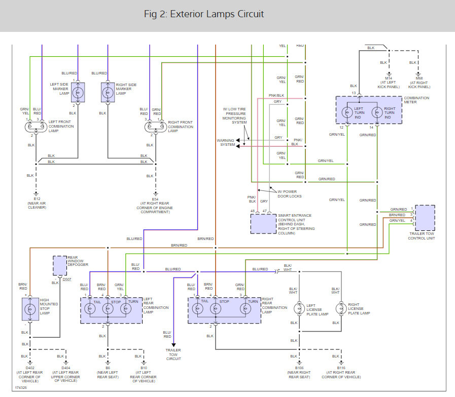
Here a wiring diagrams for the blinker system and image of the flasher so you can see how it works. Check out the diagrams (Below). Please let us know if you need anything else to get the problem fixed.

Cheers
Dec 20, 2013 at 4:27 PM