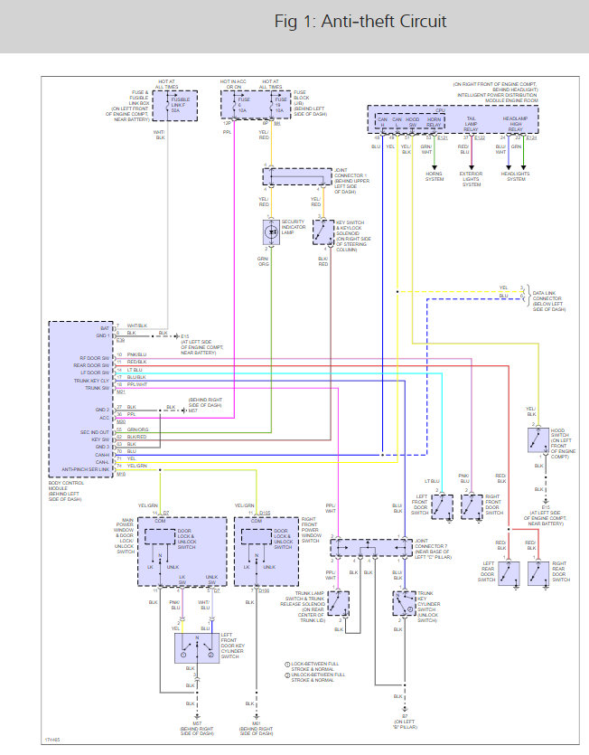
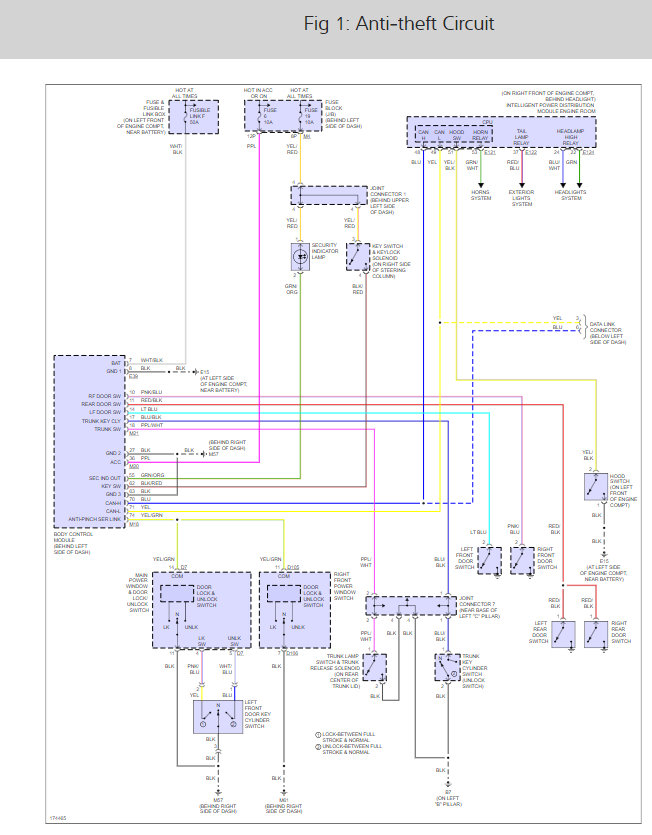
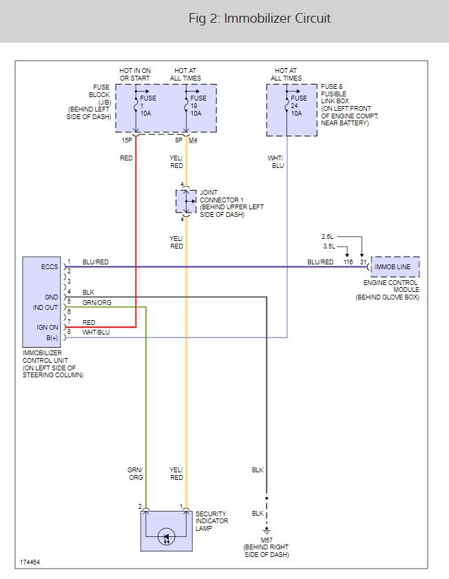
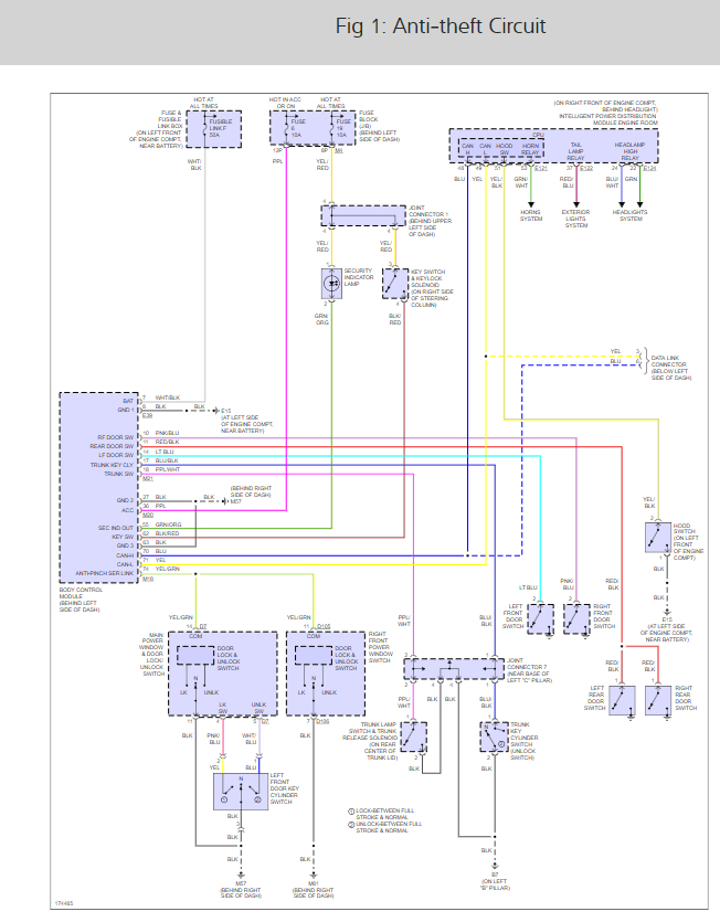
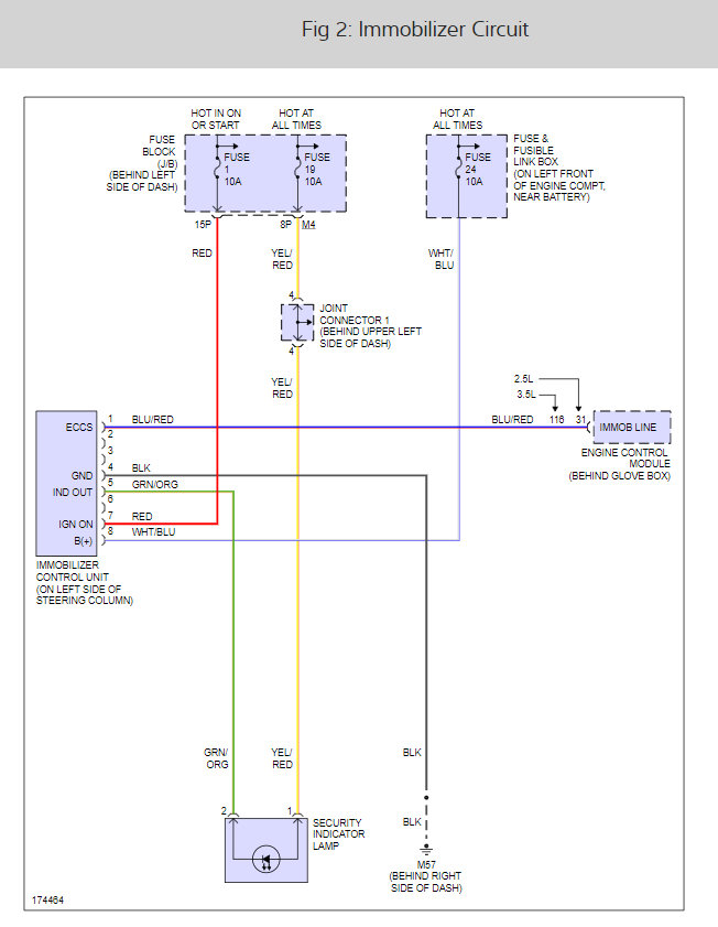
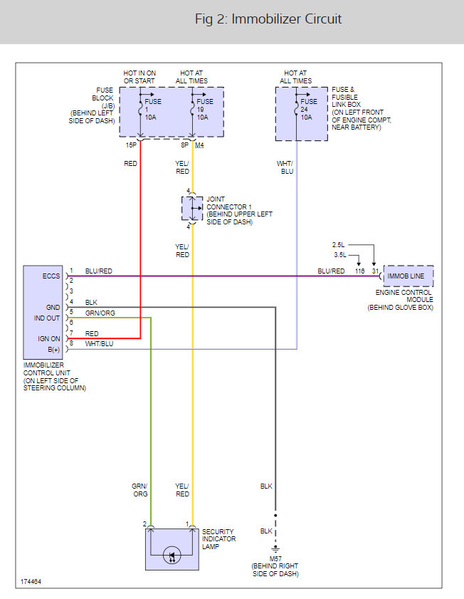
please help very desperate my question is for my nissan almera 53 reg having problem starting it. code givin is p1610 nats malfunction and p1614 nats malfunction car was absolutely fine but one morning got in the car and it wont start at all and the immobiliser red key light stays on it wont turn at all, havent dropped the key and the key still holds the code as i have got it checked. have even changed the exact same ecu and immobiliser and the ignition system and key still not starting. i have already read some answers to the problem. that i need a nats repair loom which replaces original wires from the ignition barrel transponder and the nats immu and it will take 30 min tho fix. i was wondering if any one can tell me how to locate these wires as i can't find this loom in the car so i can probably get a second hand loom from a scrap yard. I just have 1 key
thanking you..
thanking you..
May 10, 2012 at 12:28 PM


