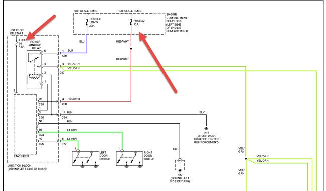
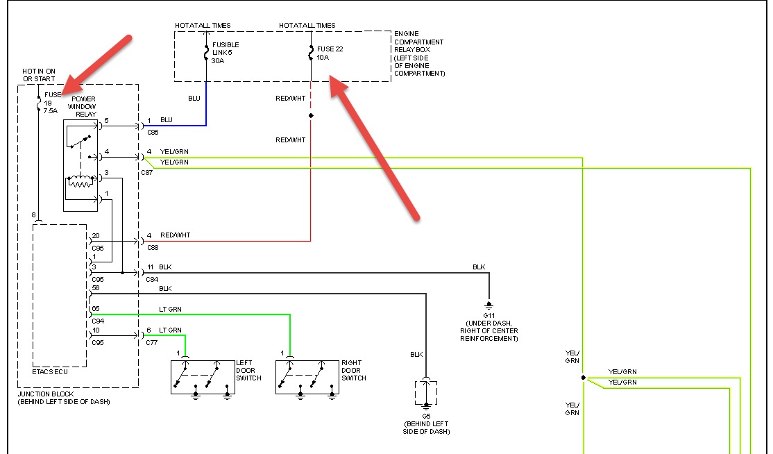
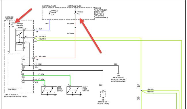
The power window on the drivers side works fine. The other 3 power windows will not work at all. I replaced the 30 amp fusible link in the fuse box under the hood as shown in my manual. It is described as the "Electric Window System" fuse. This did not help the problem. Someone told me there is probably another fuse for the other 3 windows, but I can't find it. Thanks for any help.
Jul 7, 2014 at 12:13 PM
