How can I test the Start Inhibitor/neutral safety switch for an Automatic transmission?

2003 MINI COOPER
10,000 MILES
Avatar
REVKEV316
  • MEMBER
  • 19 POSTS
Everything will power up as usual when the key is turned but no power is transferred to the starter. I have messed with the switch with my hand and have gotten it to start every once in a while. I there a certain way to bypass the switch to make sure it is the problem before I drop $125 for a used assembly? Or even is there any way to repair the old switch? Thanks.
Sep 7, 2011 at 3:24 PM
Advertisement
Avatar
RASMATAZ
  • CERTIFIED EXPERT
  • 75,992 POSTS
Here is a guide to help you check the immobilizer relay (DMF)

https://www.2carpros.com/articles/how-to-check-an-electrical-relay-and-wiring-control-circuit

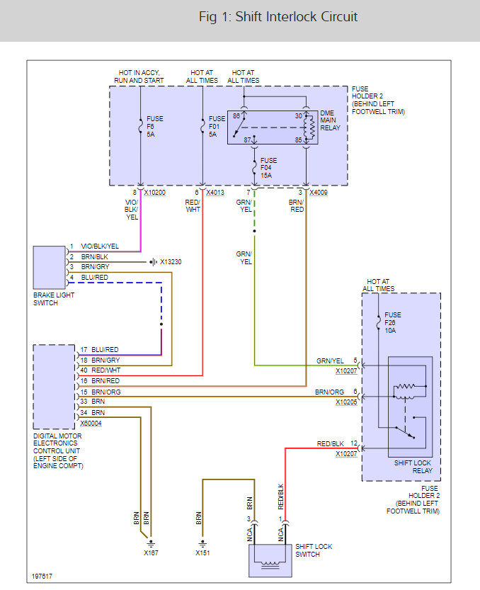
I would check all fuses as well. Here are the relay and fuse locations along with the starter wiring diagrams so toy can run a test and get back to me.

Check out the diagrams (Below)

Please let us know what you find.

Cheers
Sep 7, 2011 at 3:36 PM
Avatar
SATURNTECH9
  • CERTIFIED EXPERT
  • 30,869 POSTS
Just to add to this one i looked up the wire diagram and it only shows the start circuit without the neutral safety switch.It shows a black wire with blue stripe coming out of your ignition switch that should have battery voltage when the key is in the start position at your electronic imobilizer control unit which is on the left side of the dash.Then the black wire with a yellow stripe should have battery voltage coming out of it with the key in the start position.
Sep 7, 2011 at 3:56 PM
Advertisement
Avatar
REVKEV316
  • MEMBER
  • 19 POSTS
How do I test the start inhibitor or bypass it. I know it sounds like the ignition but it is very common for the start inhibitor to be replaced on these models so I want to test it.
Sep 7, 2011 at 3:58 PM
Avatar
SATURNTECH9
  • CERTIFIED EXPERT
  • 30,869 POSTS
If you have power to both those wires to the immobilizer with everything plugged in and the key in the start position i would say that you tested it and its working.If you do this when the starter is inop of course.If you only have power to the black wire with a blue stripe then i would suspect the immobilizer or there is some other reason for the starter being disabled.If you can think of a better way to test please share with us.
Sep 7, 2011 at 4:06 PM
Avatar
REVKEV316
  • MEMBER
  • 19 POSTS
Thanks guys. I appreciate the help.
Sep 7, 2011 at 4:16 PM
Avatar
SATURNTECH9
  • CERTIFIED EXPERT
  • 30,869 POSTS
Your welcome keep us posted.
Sep 7, 2011 at 4:20 PM
Avatar
REVKEV316
  • MEMBER
  • 19 POSTS
I had to take the car to the dealer because the security system was locked up and not working it cost me $130.00
Sep 12, 2011 at 4:00 PM