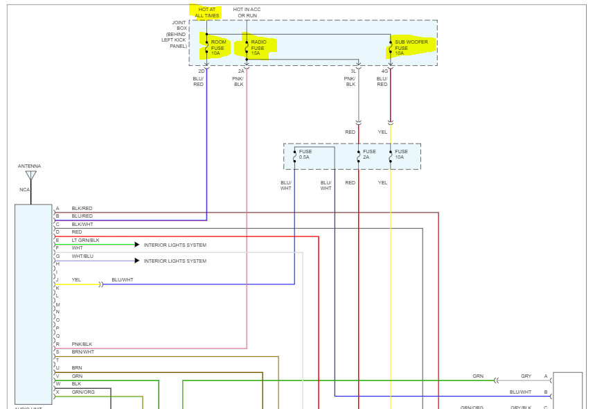
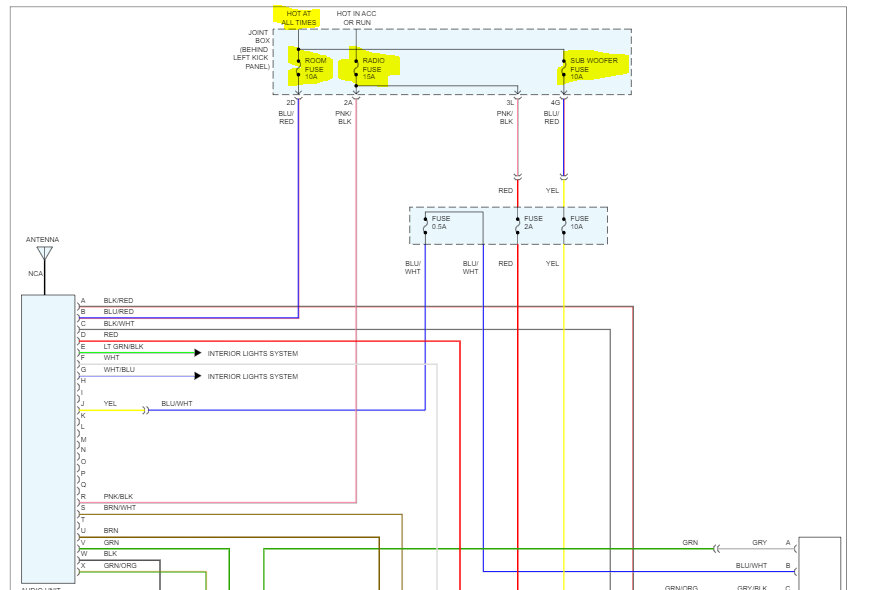
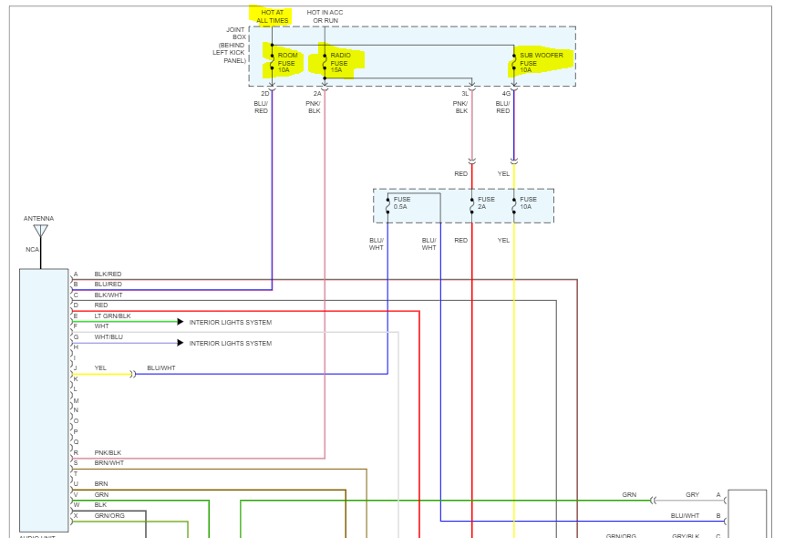
I was installing an aftermarket radio, everything worked good until i touched the 12v constant and either the red or black. now there is no power coming from the constant. Where is the fuse located for this wire?
Also, I believe the aftermarket market alarm was hooked up to that wire also so now the alarm refuses to lock and unlock. The fuse for door locks good just not working from remote. Please help.
Also, I believe the aftermarket market alarm was hooked up to that wire also so now the alarm refuses to lock and unlock. The fuse for door locks good just not working from remote. Please help.
Aug 7, 2023 at 6:55 PM




