my passenger headlight only works in high .I have a mazda mpv 2003.I have replaced the bulb and checked fuses.
Dec 4, 2010 at 5:05 PM
Advertisement
KHLOW2008
CERTIFIED EXPERT
41,814 POSTS
Is your headlights equipped with Daytime Running Lights?
Dec 4, 2010 at 6:27 PM
TIM1000
MEMBER
2 POSTS
yes
Dec 4, 2010 at 10:29 PM
Advertisement
KHLOW2008
CERTIFIED EXPERT
41,814 POSTS
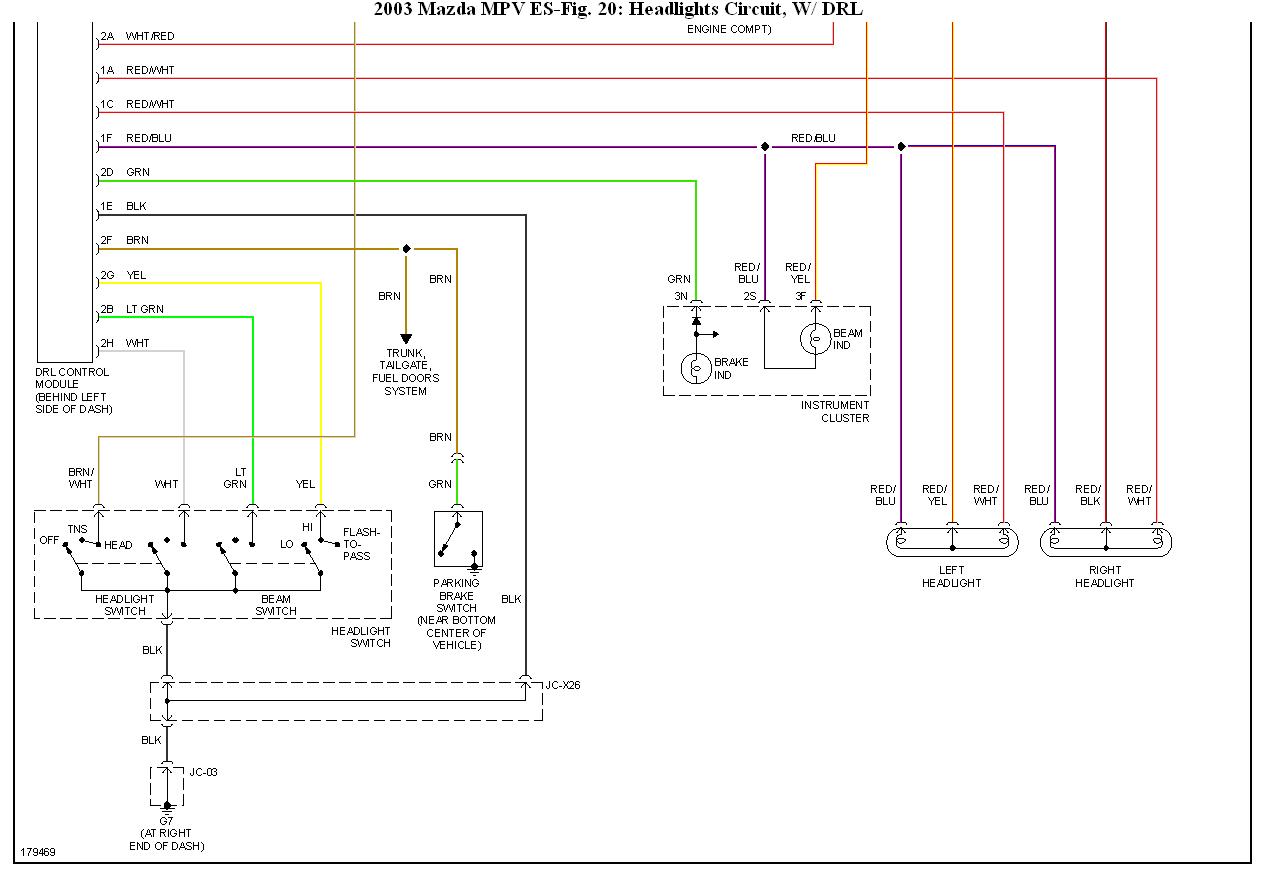
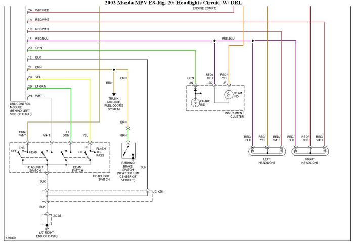
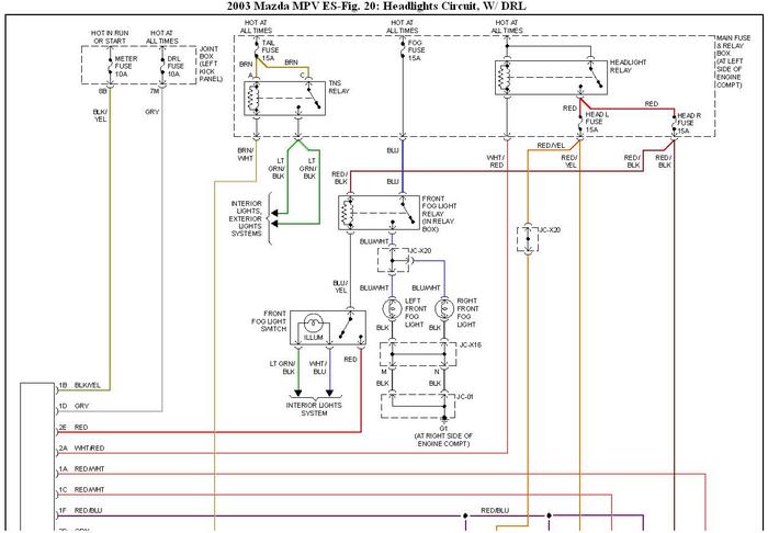
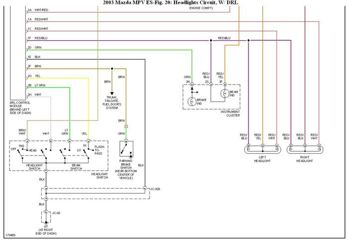
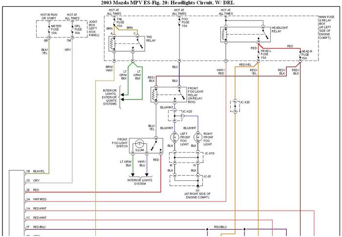
Attached is a schematic of the headlight circuit.
Turn headlights on.
Use a fuse wire to ground Red/White sire at the headlight bulbs. If low beam works, check the continuity between the headlight bulb and DRL control module, terminal 1C.
If continuity is good, ground the wire and if headlight comes on, you have a fault with the DRL control module.