windows not working

2003 LINCOLN TOWN CAR
85,000 MILES • V8 • 2WD • AUTOMATIC
Avatar
DEEREMAN39
  • MEMBER
  • 1 POST
My rear windows will not work on either side from front panal or rear switches.The front work fine.
Jun 25, 2010 at 12:41 PM
Advertisement
Avatar
KALIFA1974
  • MEMBER
  • 1 POST
I'm having the same problem with my 2003 town car, I would thak you if you tell me how you fix that problem, thanks
Sep 16, 2011 at 4:26 PM
Avatar
FIXITMR
  • CERTIFIED EXPERT
  • 9,990 POSTS
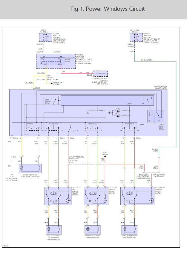
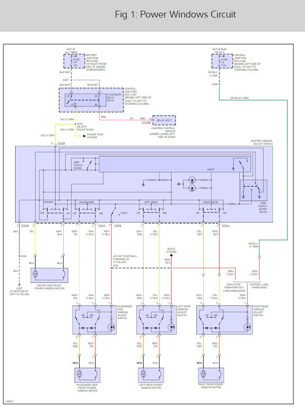
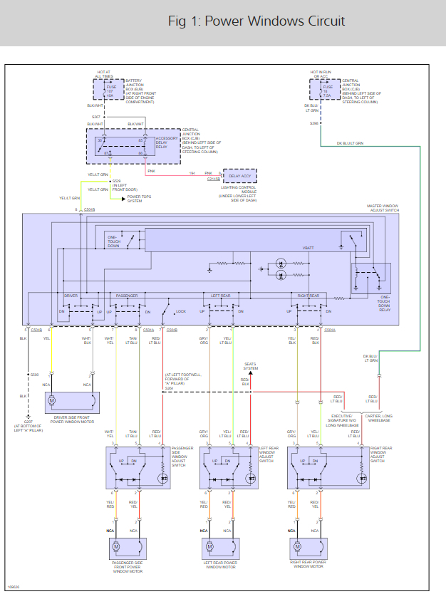
There is a drivers door switch module that goes out in these car the module is located in the drivers door inside the switch here is a wiring diagram so you can see how it works.
Oct 22, 2011 at 9:43 AM
Advertisement
Avatar
ROCCO DAGGS
  • MEMBER
  • 12 POSTS
Drivers window would operate occasionally. Then stop all together. Installed new switch and all three other Windows work but not drivers.
Jul 6, 2020 at 1:50 PM (Merged)
Avatar
HMAC300
  • CERTIFIED EXPERT
  • 48,601 POSTS
slam door hard if it works then the motor is going bad otherwise have it scanned for codes. It may be a module that is gone. also do a wiggle test of wire harness between door and jamb it could be a broken wire there.
Jul 6, 2020 at 1:50 PM (Merged)
Avatar
ROCCO DAGGS
  • MEMBER
  • 12 POSTS
I will give it a try. Thank you
Jul 6, 2020 at 1:50 PM (Merged)
Avatar
STRAILER
  • CERTIFIED EXPERT
  • 53,855 POSTS
Hey,

Here is a video on what you are in for when replacing the motor, its a different car but you will get the idea

https://youtu.be/Wp7Ak9IGs4o

Best, Ken
Jul 6, 2020 at 1:50 PM (Merged)
Avatar
BIGRAY1519
  • MEMBER
  • 1 POST
Sometimes the window behind the drives side opens some times it doesn't. Usually it will either go up and down but then the next time your in the car it may not go up or down. It never gets stuck open. Is their a wire that is loose or an electric problem or some circuit problem.
Jul 6, 2020 at 1:50 PM (Merged)
Avatar
BILOXI
  • MEMBER
  • 2 POSTS
I wish I could be of help, but my 1999 Town Car does the same. It was the rear window and the Ford dealership replaced the motor. It worked for a few months, but now both the rear windows work whenever they feel like it (if they feel like it). Good luck.
Jul 6, 2020 at 1:50 PM (Merged)
Avatar
MSMCCORKLE
  • MEMBER
  • 33 POSTS
My window on the driver side front will go down, but not up. When I tried to put it up, there was no sound coming from the motor. The fuse is fine, I checked that first. It worked fine about a week ago, then just stopped. How can I fix this?
Jul 6, 2020 at 1:50 PM (Merged)
Avatar
CARADIODOC
  • CERTIFIED EXPERT
  • 34,306 POSTS
This is typical of a bad switch. There are actually four individual switch contacts in each switch. Two are in use to run the window down, and two are in use to run it up. That is why it can work fine one way but not the other.

The problem is the insane engineers have seen fit to add a whole pile of unnecessary, unreliable, complicated computers where they have never been needed before. Ford has been the leader of this misery.

Start by looking at the wires on the switch. If there are only three, check for broken or frayed wires between the door hinges. If those are okay, give up and take it to the dealer. If there are four, five, or six wires, check for a good used switch assembly at a salvage yard. Once you have that, you might want to take the old one apart to see if you can clean the contacts with a folded-up piece of sandpaper. On some, those contacts are in the open and easy to clean. Some are buried and are designed in such a way that cleaning is almost impossible.
Jul 6, 2020 at 1:50 PM (Merged)
Avatar
TODDGRAY007
  • MEMBER
  • 1 POST
i have a 2001 lincoln town car with an electrical problem. all of the fuses are good but my turn signals, hazard lights and power windows do not work. there is power to the power window relay but no ground and there is power to the fuse for the signals. any ideas??
Jul 6, 2020 at 1:51 PM (Merged)
Avatar
CJ MEDEVAC
  • CERTIFIED EXPERT
  • 11,004 POSTS
seems,you know how to troubleshoot

i know little of your car...imma jeep cj kinda guy

saw you had been waiting a bit

i have access to real good diagrams

bad thing is there's like 5 versions of your car.....i randomly picked "ls"....i'm probably wrong!

let me know what you have!!!!!!

i'll get the correct diagram(s) of all related issues you are having.

pretty ez to read..colors, beside the wires....tells locations of the components...might ezily show you something you overlooked! with the correct diagram, you may see the "common factors" of the systems that are not working...might keep you from helping to buy, someone else a corvette or boat!

the diagram i got this time, is for a "town car ls"--"power windows".....probably not you! let me know...i'll get it right!

also let me know if you can see them clearly, if not, i can safely get them to you without you broadcasting your info, in open forum

your turn

the medic
Jul 6, 2020 at 1:51 PM (Merged)
Avatar
SUSMAN28888
  • MEMBER
  • 62 POSTS
Hey, hope someone can help. the driver window module was working properly, ( the module is the the small black box with the four window switches in it ) anyways it was working other then the drivers window switch was sticking, i bought a new module and plugged it in and now everything on that curcit wont work, for example, none of the windows will open, no power locks, no trunk relase, ect, I checked all that and all those things not working are powered but a certain fuse this one fuse powers all thoat stuff., 20 amp. I checked the fuse and the fuse is fine. The old box wont work in there either anymore, what should I do? is something shorting out?
Jul 6, 2020 at 1:51 PM (Merged)
Avatar
JONCHAPA
  • MEMBER
  • 1 POST
Did you ever get this problem fixed!i am having the same issue and cant find anything else on any forums! I know this was 4 years ago butthanks anyways!
Jul 6, 2020 at 1:51 PM (Merged)
Avatar
CARADIODOC
  • CERTIFIED EXPERT
  • 34,306 POSTS
I'd be looking for a broken wire between the door hinges.

You should post a new question instead of piggybacking on this one. In this case it won't matter but if there had been a previous reply, only the person who replied would get an automated e-mail directing them back here. None of the other experts will ever get to see your question or know you posted it. That does you a disservice.

Be sure to add plenty of detail about other observations and clues, as well as what you've tried so far and the results. Too many people lately have been too lazy to include any details, then we have to guess.
Jul 6, 2020 at 1:51 PM (Merged)
Avatar
DUBERND
  • MEMBER
  • 1 POST
the windows work, just real slow
Jul 6, 2020 at 1:51 PM (Merged)
Avatar
CARADIODOC
  • CERTIFIED EXPERT
  • 34,306 POSTS
Wires could be frayed between the door hinges, but that is not likely the problem if the driver's window goes down normally. If it does, spray some Silicone Spray Lube liberally in the rubber channels the glass rides in, then run the windows up and down a few times. You can get that at any Chrysler dealer's parts department, most likely other dealers too, and at hardware and auto parts stores. It goes on like water, evaporates, and leaves a lot of "slippery" behind. I use it once a year on my seat belt webbing when it sticks on the upper anchor and retracts sluggishly.
Jul 6, 2020 at 1:51 PM (Merged)