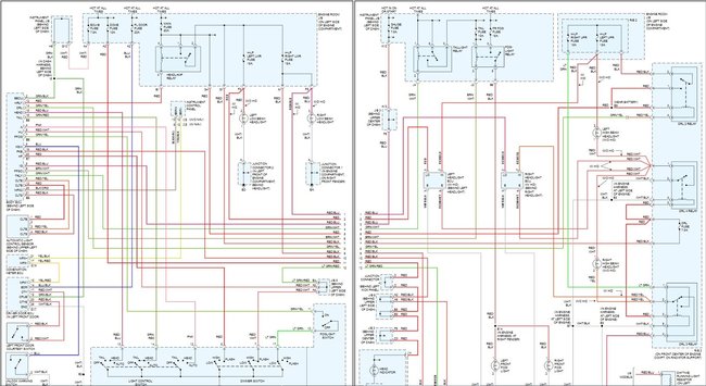
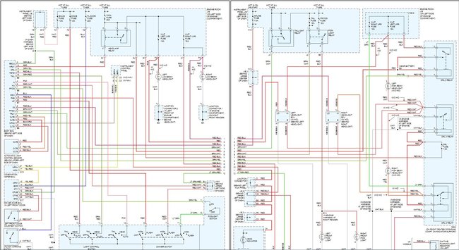
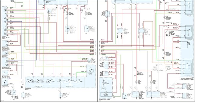
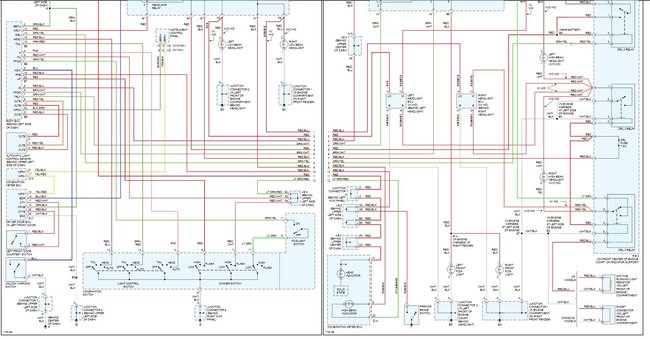
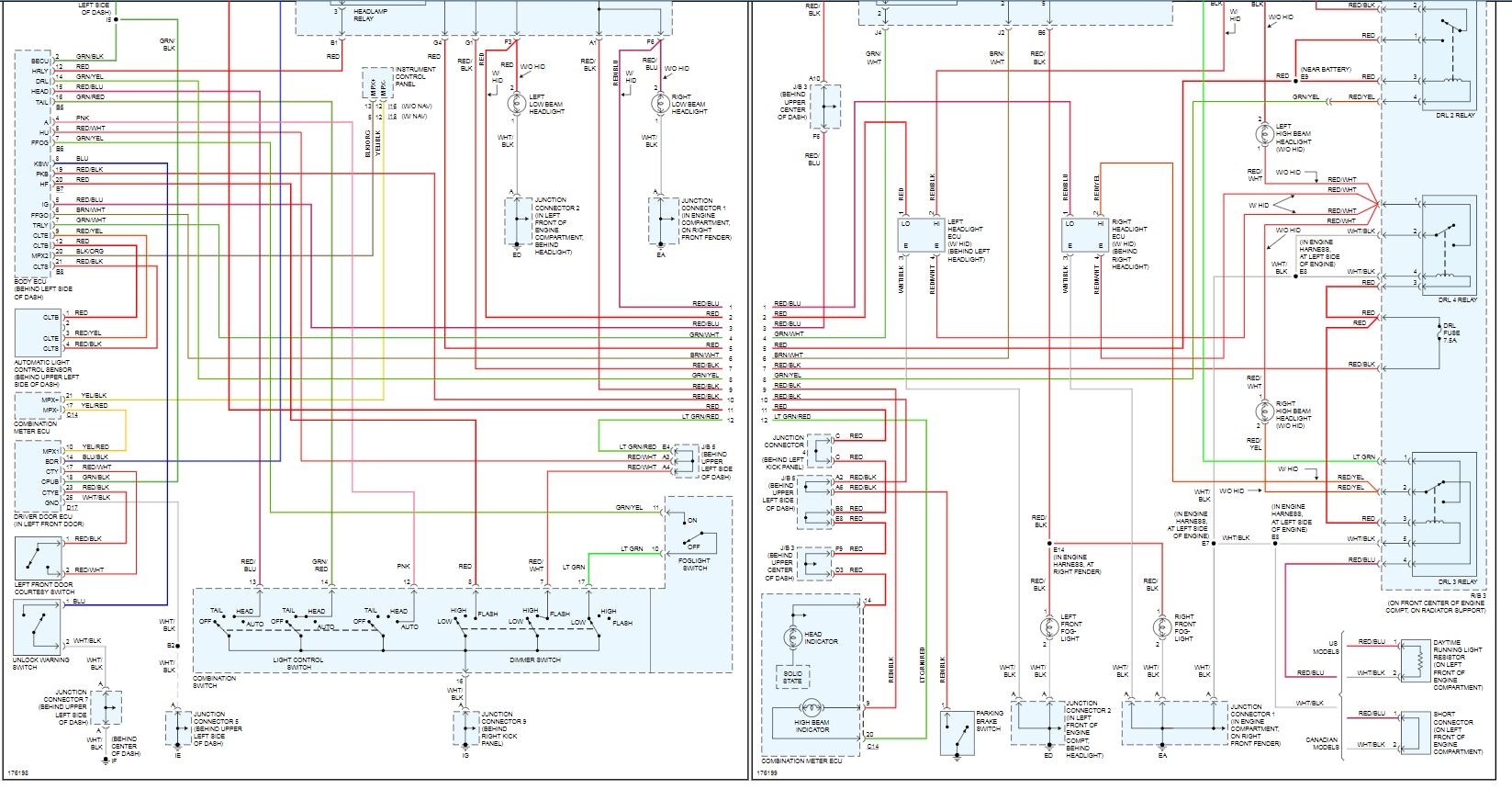
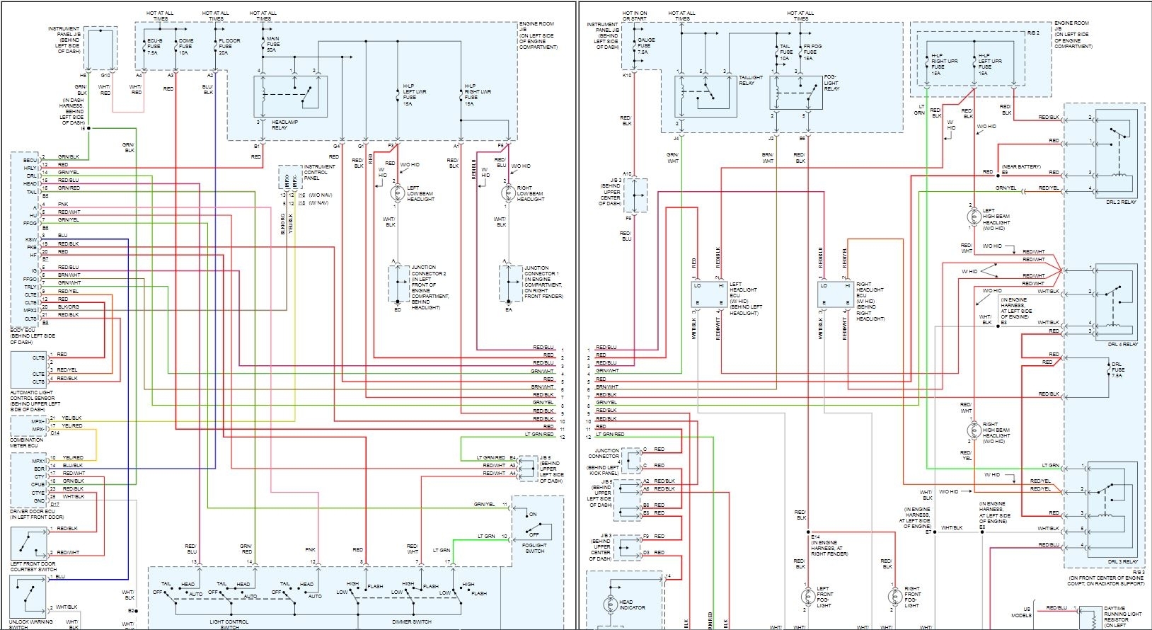
My Lexus RX 300 2003 High beam headlights are not working. High beam indicator comes on in instrument panel when the handle push forward or reverse but the High beam headlights do not turn on. Day time running lights (Are same high beam bulbs) works fine. I have checked all the fuses but no luck. Any help will be appreciate.
Jan 24, 2013 at 5:30 AM



