wiper wiring diagrams

2003 JEEP WRANGLER TJ
31,000 MILES
Avatar
JMPARKER
  • MEMBER
  • 1 POST
away for a few months car in garage, went out in sun, started raining and switched on wipers and nothing.
Mar 6, 2012 at 10:32 AM
Advertisement
Avatar
RASMATAZ
  • CERTIFIED EXPERT
  • 75,992 POSTS
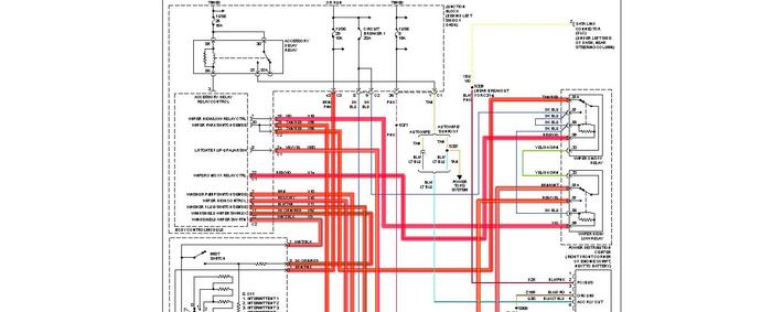
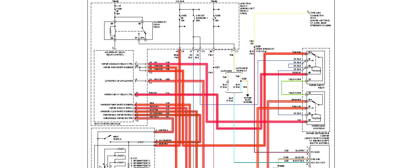
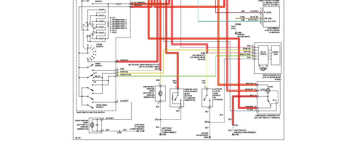
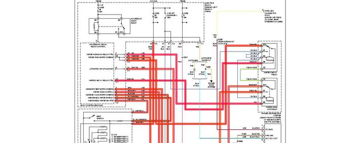
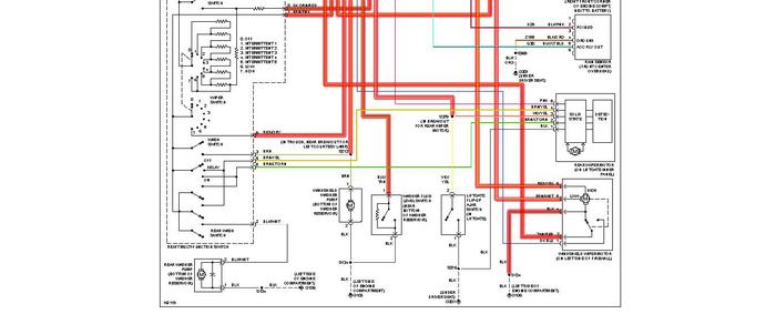
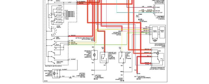
Check and test the wiper motor fuse, wiper motor relays, body control module wiper switch,wiper motor itself and rain sensor at front center overhead- Check out the diagrams (Below). Let us know what happens and please upload pictures or videos of the problem.

Mar 6, 2012 at 10:50 AM