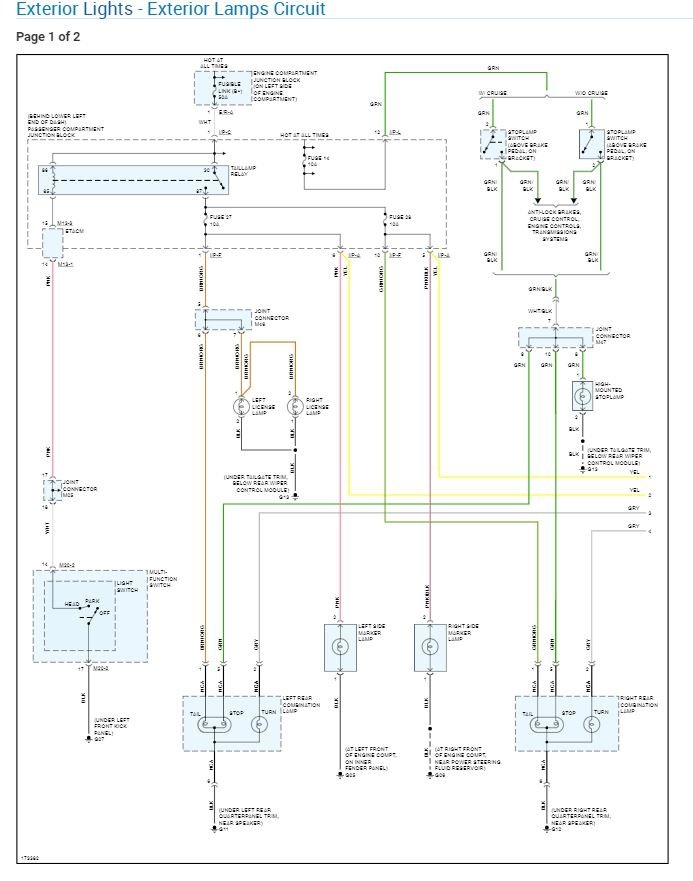
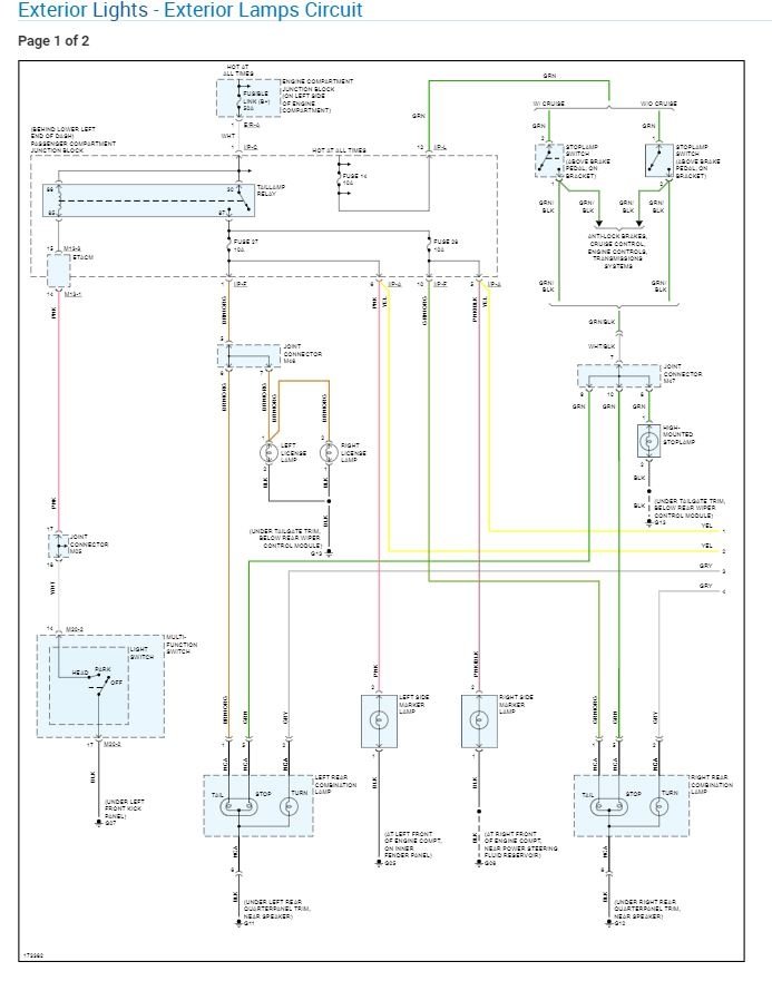
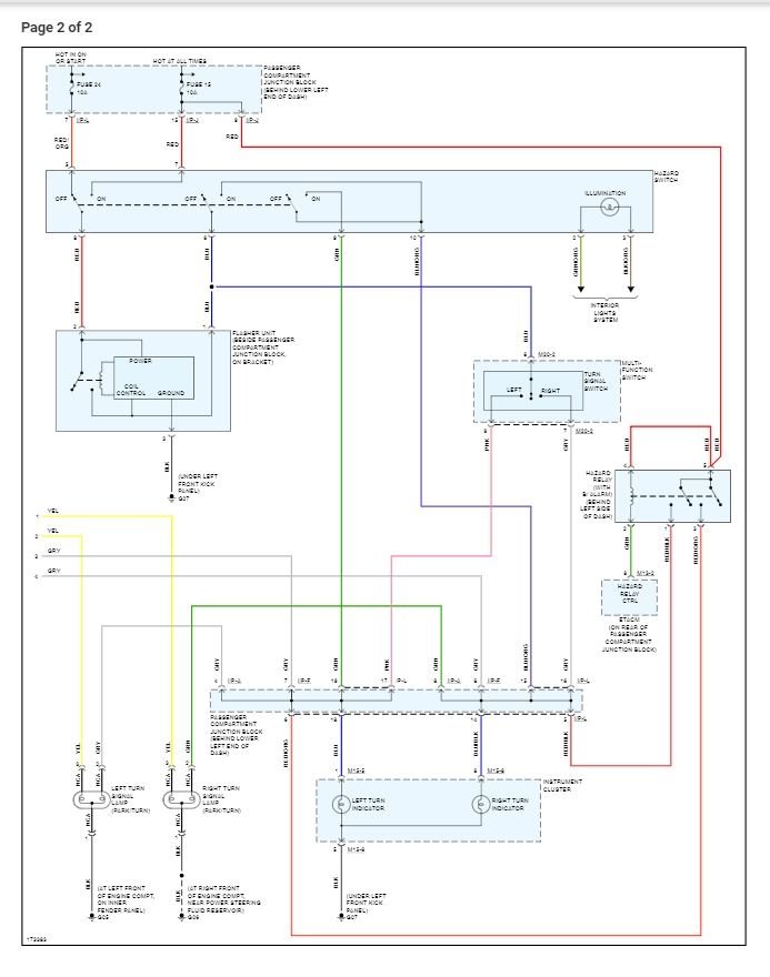
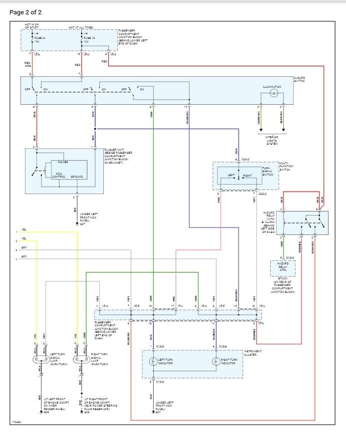
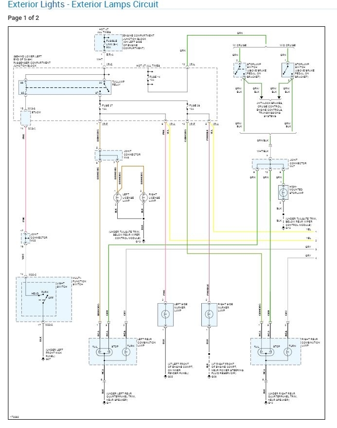
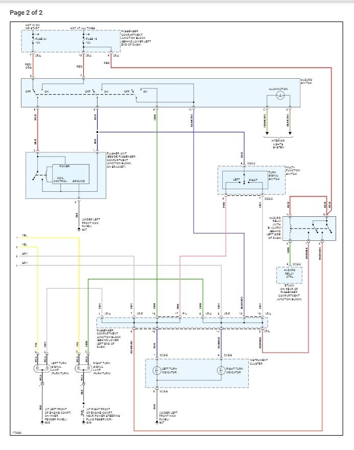
My vehicle listed above hazard lights do not work. Is there a separate flasher for the turn signals and a separate flasher for the hazard lights? If so, where are they located? Thanks, Dan
Jul 19, 2011 at 12:15 AM



