why wont any of my windows roll down

2003 HYUNDAI ELANTRA
Avatar
ETHANHANNOLD
  • MEMBER
  • 1 POST
i have a 2003 hyundai elantra the drivers door was bent back an cut the wiring harness that goes into the door i replaced the door and the wiring harness and now none of my windows will roll down i have checked all the fuses and made sure all the connections were good it sounds like i have power in my drivers door but still none of my windows will roll down
Oct 3, 2012 at 11:46 PM
Advertisement
Avatar
DRCRANKNWRENCH
  • CERTIFIED EXPERT
  • 3,380 POSTS
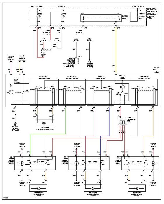
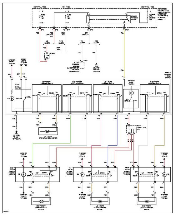
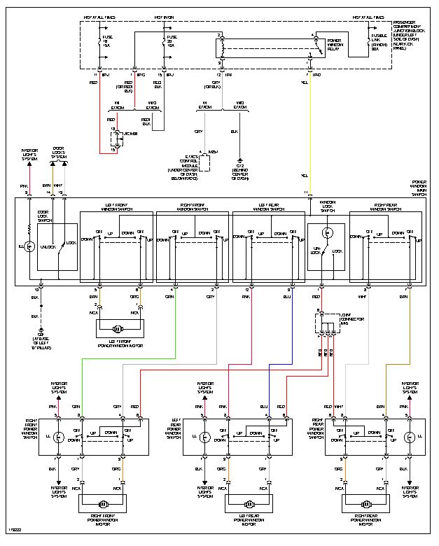
I am includiing a wiring harness for the circuit to help you out. Maybe the relay is bad, but you have power at the door. The colector switrch may be something to look at. I would double check all the grounds.
Oct 4, 2012 at 12:31 AM