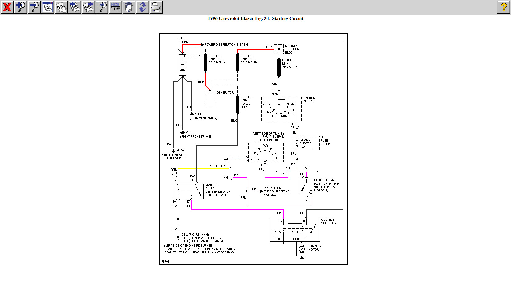
I have a 2003 H2 Hummer. When I insert the key and try to start, nothing no click nothing. check battery connection to be sure they are clean and tight, I turned the headlights on and try to start the engine. I notice the lights went completely out I also jacked up the car and try to jump the started with a screw driver and all I hear is a high spin but no crank just spins? what you think it might be?
Aug 18, 2011 at 6:20 PM
