Engine will not crank over?

2003 HUMMER H2
149,000 MILES • 6.0L • V8 • 4WD • AUTOMATIC
Avatar
PDENNIS
  • MEMBER
  • 3 POSTS
I put a new starter in it and a new ignition switch in it and nothing. I even check the relays under the hood.
Aug 28, 2023 at 5:03 PM
Advertisement
Avatar
STRAILER
  • CERTIFIED EXPERT
  • 53,854 POSTS
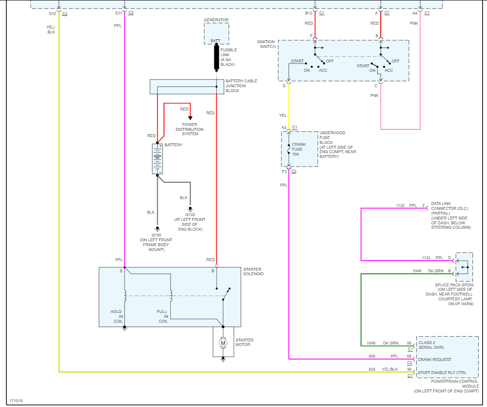
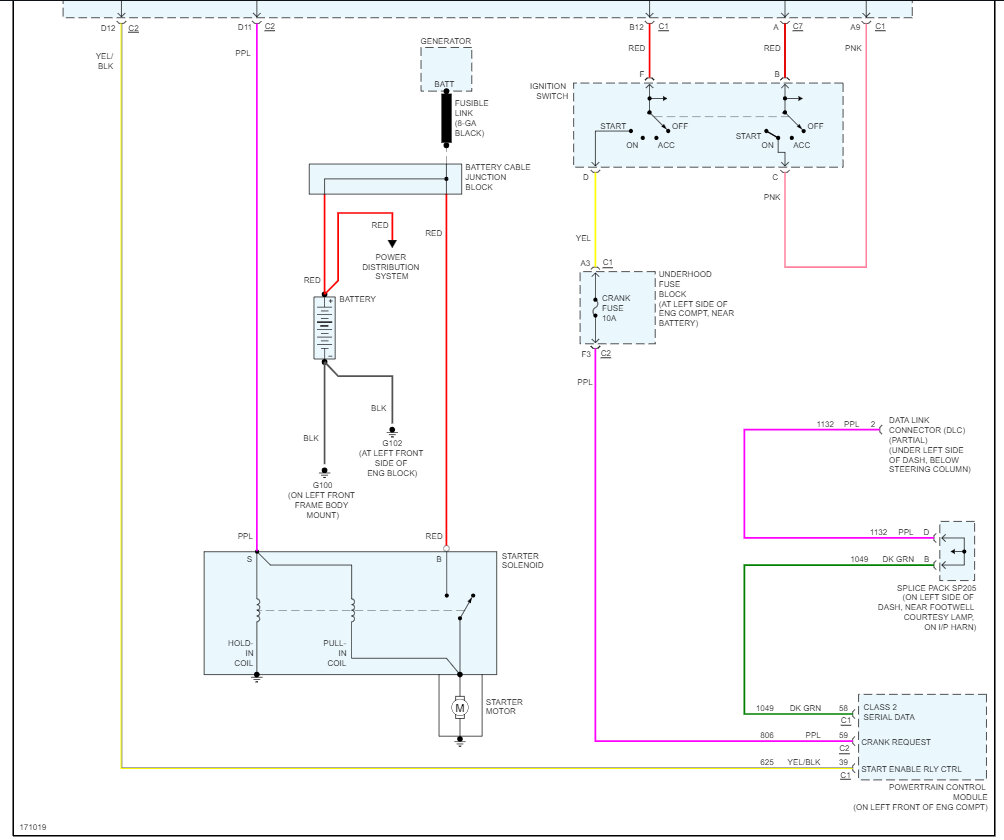
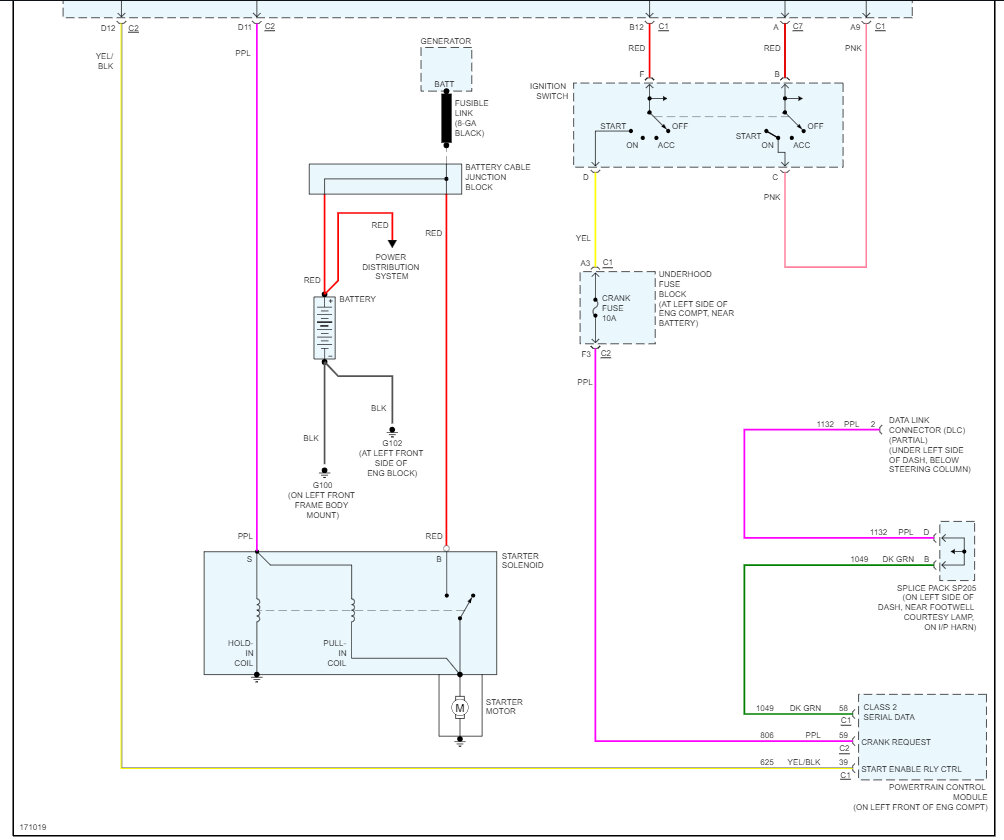
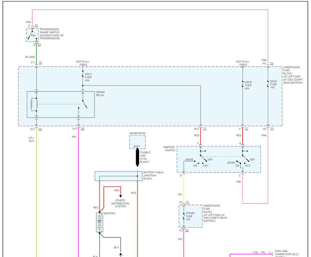
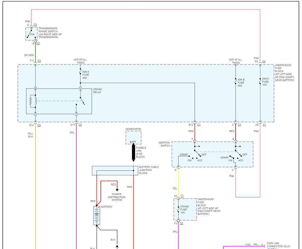
I would try to put the vehicle in neutral and try to crank it over, if it cranks over the gear range sensor is bad. Here is a guide that can help us, and I have included the starter wiring diagrams to help us see how the system works.

https://www.2carpros.com/articles/starter-not-working-repair

There is a crank fuse and a crank relay I would check or swap out, here are guides that can help and I also have included the fuse and relay locations.

https://www.2carpros.com/articles/how-to-check-a-car-fuse

and

https://www.2carpros.com/articles/how-to-check-an-electrical-relay-and-wiring-control-circuit

Check out the images (below). Let us know what happens and please upload pictures or videos of the problem so we can see what's going on.
Aug 29, 2023 at 10:40 AM
Avatar
PDENNIS
  • MEMBER
  • 3 POSTS
I tested the crank fuse and relay they are both good, I put the Hummer in Neutral and still no good. had the Battery check and it is good still don't know what to do .
Aug 29, 2023 at 12:24 PM
Advertisement
Avatar
STRAILER
  • CERTIFIED EXPERT
  • 53,854 POSTS
Does it make any noise at all when trying to crank over? Please upload videos of the problem so we can see what's going on. You may have a locked-up engine. Also did you check for power at the trigger wire when trying to crank the engine over?
Aug 30, 2023 at 9:28 AM
Avatar
PDENNIS
  • MEMBER
  • 3 POSTS
I checked all the fuses under the hood, and it was the PCM B 20-amp fuse. The truck fired right up thanks for your time.
Aug 30, 2023 at 12:23 PM
Avatar
STRAILER
  • CERTIFIED EXPERT
  • 53,854 POSTS
Thanks for letting us know, we are here to help, please use 2CarPros anytime.
Aug 31, 2023 at 10:27 AM