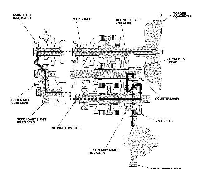
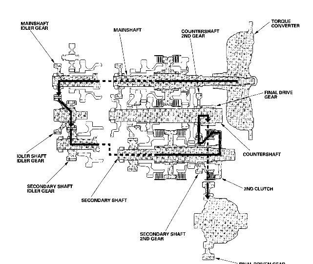
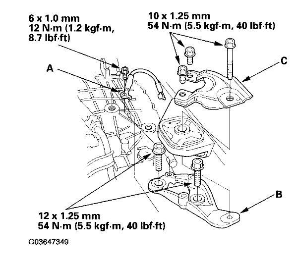
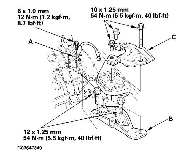
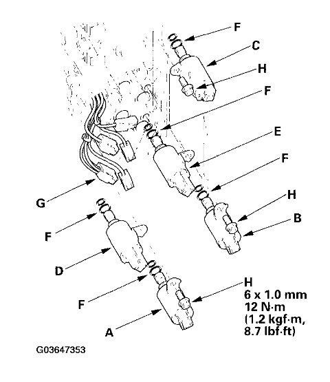
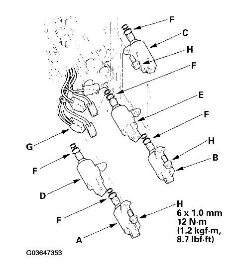
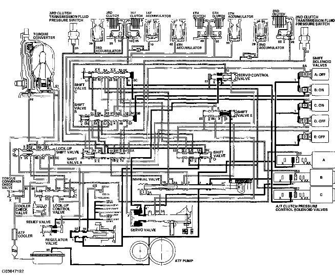
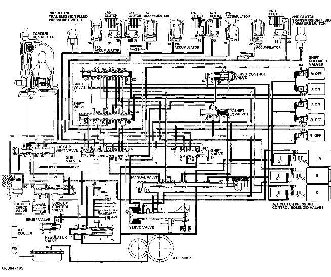
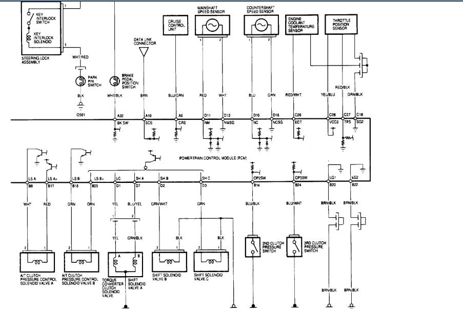
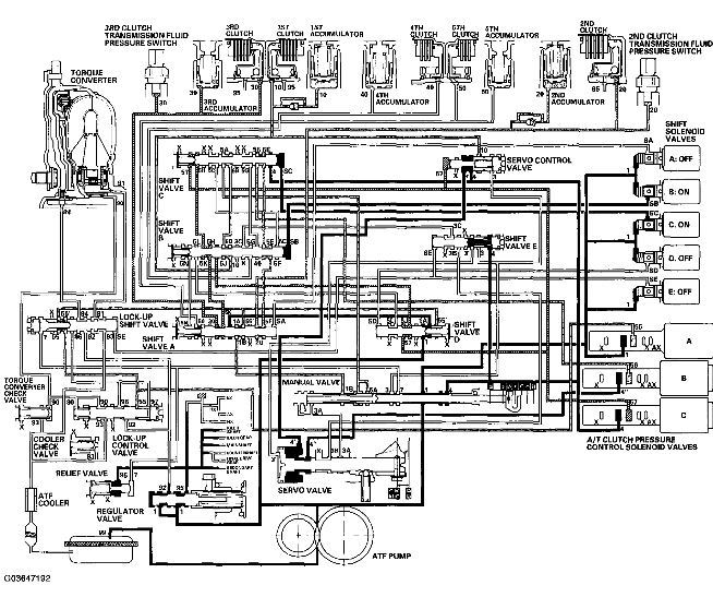
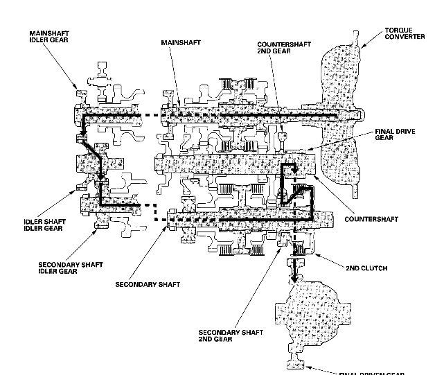
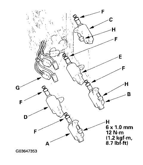
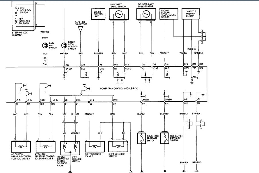
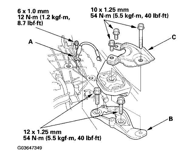
I have a 2003 Honda accord v6 automatic... I'm no slouch when it comes to mechanics.. I know enough to keep me out of trouble.. But for the life of me I can't find a schematic or parts layout for my automatic transmission... I've replaced the speed sensor when it went out and that was because I ordered the part and looked for its bad counterpart in my car to replace it... Right now I'm facing the problem with third gear not engaging properly.. I've narrowed the problem down to a malfunctioning solenoid.. But witch one? It has solenoids all over the transmission.. But only one is bad.. Part stores only list two parts.. Solenoid A and the part with the two solenoids on a plate.. Mechanically there is no grinding or chatter.. The transmission fluid (upon removal.. Cleaning and reinstalling the plate with the two solenoids on it) has a very light contamination of a graphite like flotsom.. Not thick or black.. And no metal flakes.. My questions where can I get a schematic and parts description for my transmission.. And to rule out the potential answer.. Haynes guide is useless and chiltons only covers fluid change..
Aug 17, 2013 at 3:19 PM


























