Hello,
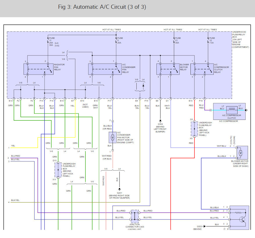
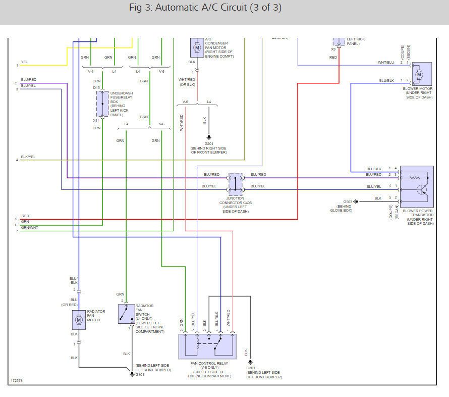
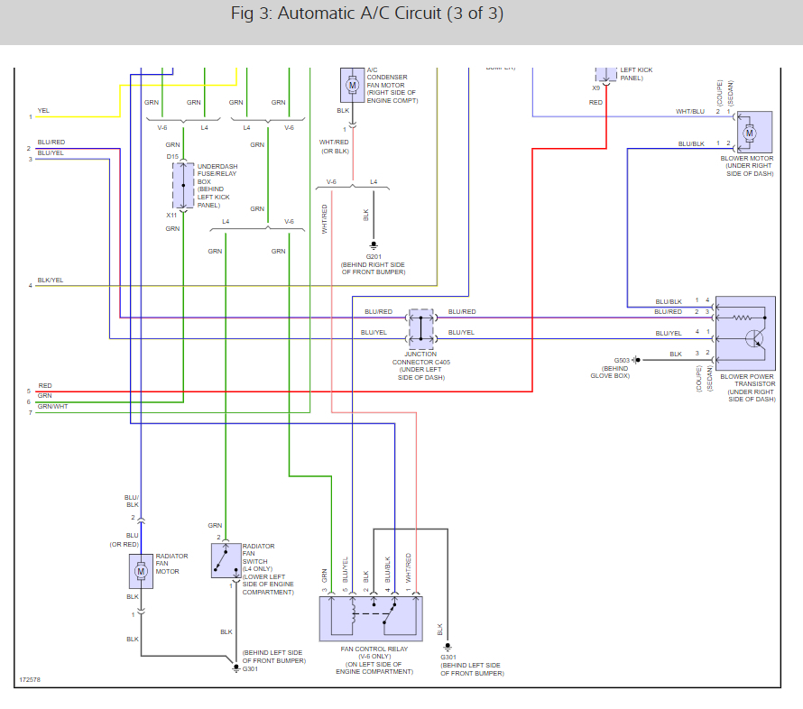
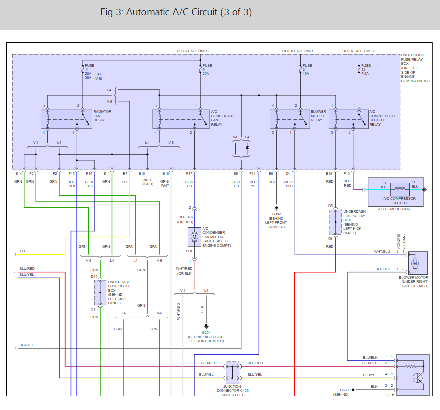
The radio works, but no power to the climate control unit. I was installing a dome light when a spark/pop sound occurred when I installed the bulb. My car was on and AC was running. The AC stopped working as well as my power windows and interior dome lights and all four door courtesy lights as well. I checked all fuses inside the car and under the hood and they are all good. Could it be a relay? Should I use a test light? Can you help me locate/fix the issue? Thanks.
The radio works, but no power to the climate control unit. I was installing a dome light when a spark/pop sound occurred when I installed the bulb. My car was on and AC was running. The AC stopped working as well as my power windows and interior dome lights and all four door courtesy lights as well. I checked all fuses inside the car and under the hood and they are all good. Could it be a relay? Should I use a test light? Can you help me locate/fix the issue? Thanks.
Oct 17, 2018 at 5:26 AM













