Nothing on key start

2003 FORD F-250
180,000 MILES • V10 • 4WD • AUTOMATIC
Avatar
BERNIEB
  • MEMBER
  • 3 POSTS
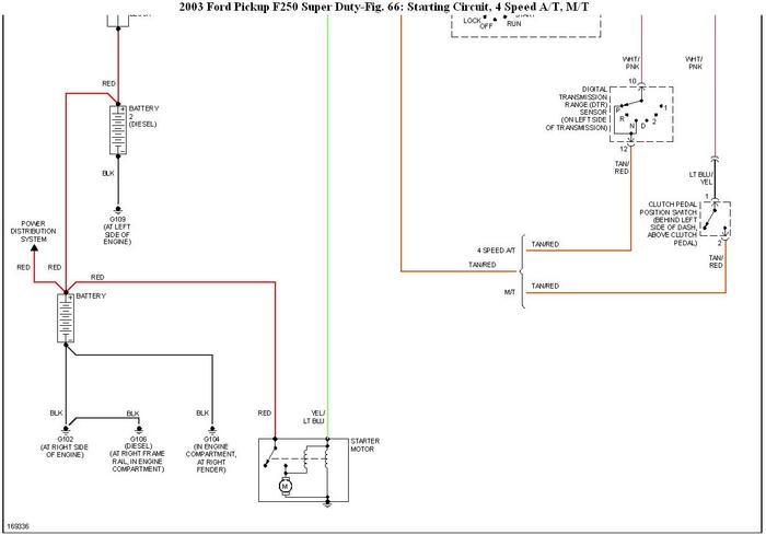
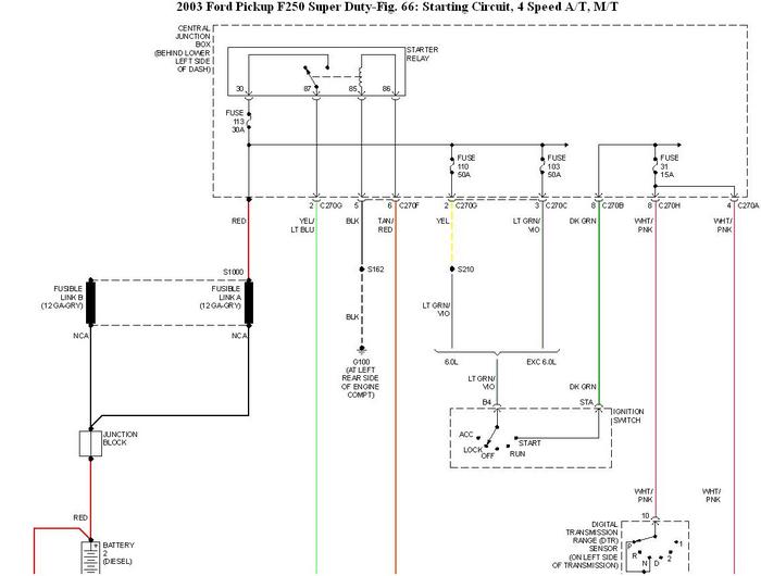
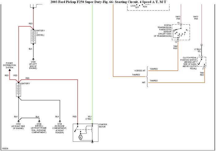
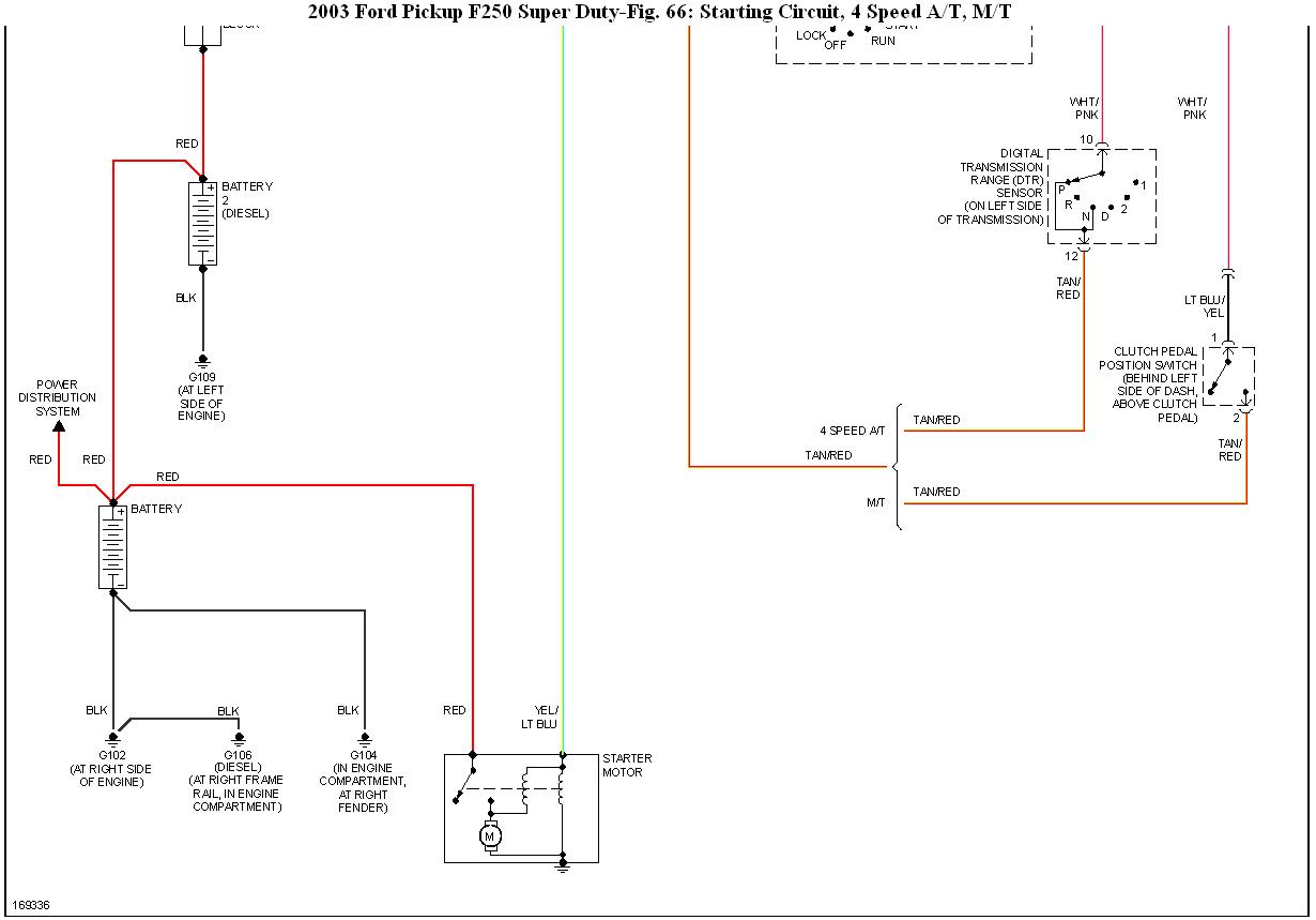
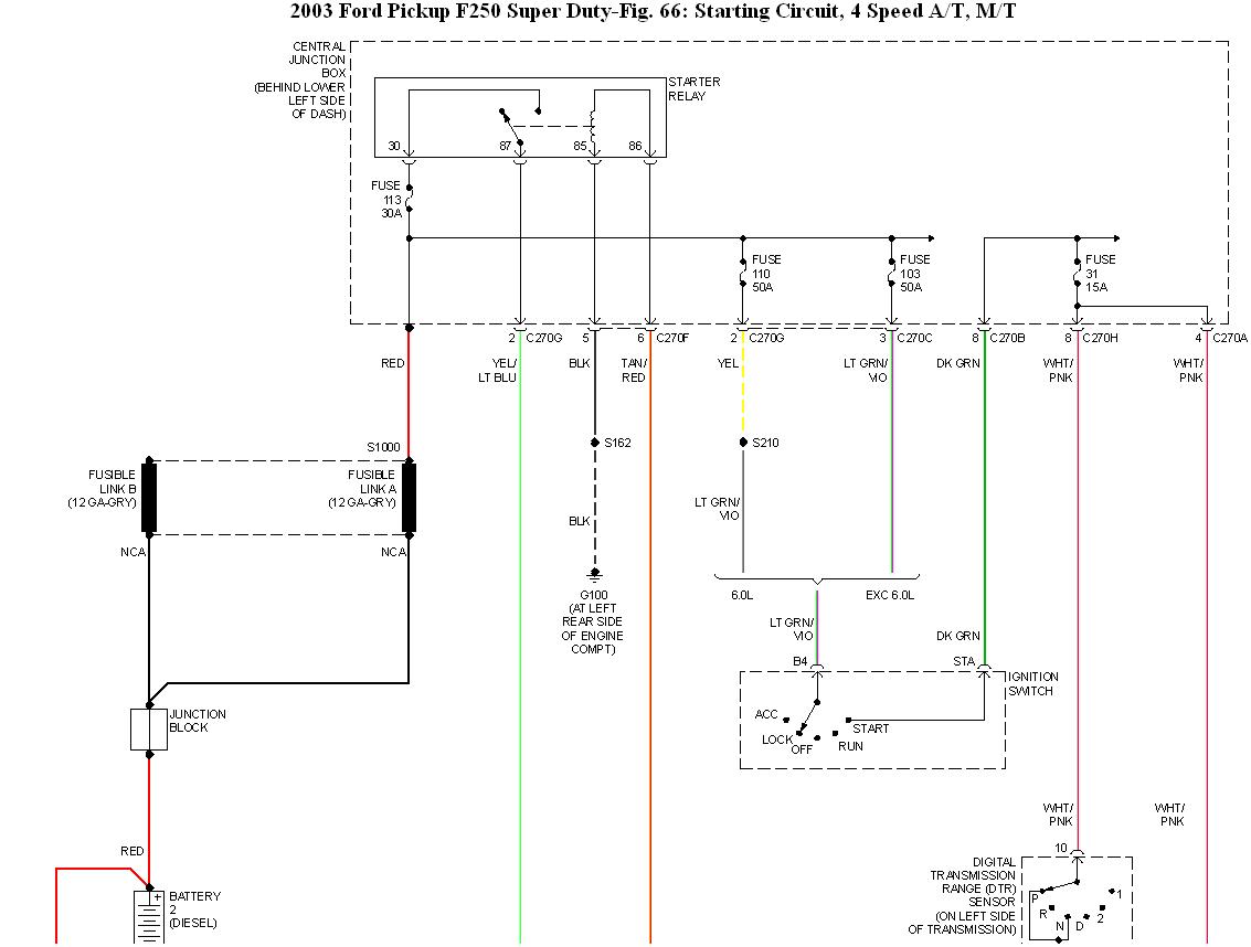
On a 2003 ford truck 4x4 250 v10,where does the small yellow wire green runner on solenoid go? like whats between solenoid and ignition switch?negative or positive, thanks
Dec 28, 2010 at 2:48 PM
Advertisement
Avatar
KHLOW2008
  • CERTIFIED EXPERT
  • 41,814 POSTS
I believe it is the Yellow/Light Blue starter solenoid wire that you are referring to.

Negative are all to ground and all components uses positive wires for all circuits.

The schematic shows the starting system.
Jan 4, 2011 at 4:01 PM