Automatic Headlights stopped working

2003 FORD EXPEDITION
180,000 MILES • 5.4L • V8 • 4WD • AUTOMATIC
Avatar
WSURFACE
  • MEMBER
  • 2 POSTS
Automatic lights stopped working, heated/air cool seats stopped working, interior lights stopped working when you unlock or open the doors, the buzzer for key in ignition stopped working, the radio stays on even when you open doors with the vehicle off. started a few weeks ago, then battery seemed to be low, like a dead cell, but they would work some after it charged up. Replaced the battery and now they are worse.
Jul 11, 2015 at 10:03 AM
Advertisement
Avatar
HMAC300
  • CERTIFIED EXPERT
  • 48,601 POSTS
check accessory delay relay see pic and check fog lamp relay under hood. it may need to be scanned by a pro however as the seats may be a module problem as well as auto headlights. also chec battery saver relay in right kick panel. there is a relay for interior lights as well but is in instrument cluster so may be part of dash the key buzzer probalme may be same with dash as it is connected to that. the dash can be rebuilt as a cheaper option..
Jul 11, 2015 at 10:22 AM
Avatar
DONALD BEASLEY
  • MEMBER
  • 1 POST
when it gets dark the headlights do not come on. I have to manualy turn them on
Jun 18, 2020 at 12:03 PM (Merged)
Advertisement
Avatar
DRCRANKNWRENCH
  • CERTIFIED EXPERT
  • 3,380 POSTS
There are a few possibilities;

The light sensor has failed
The Auto Lamp control unit failed
The Autolamp Relay has failed
The headlight switch, right side controlwith headlight switch, AUTO position is not making a continuous circuit and not providing 12Volts to the Auto Lamp circuit

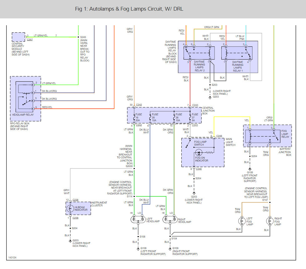
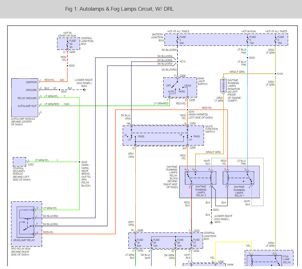
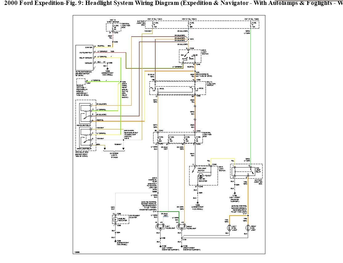
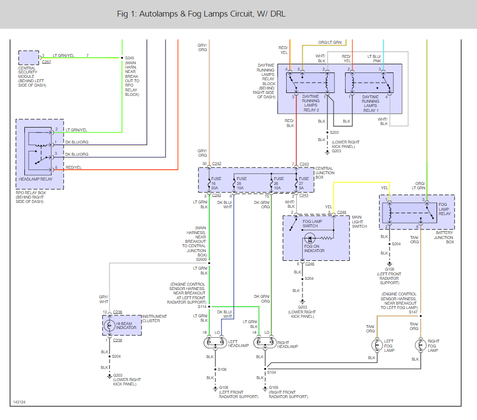
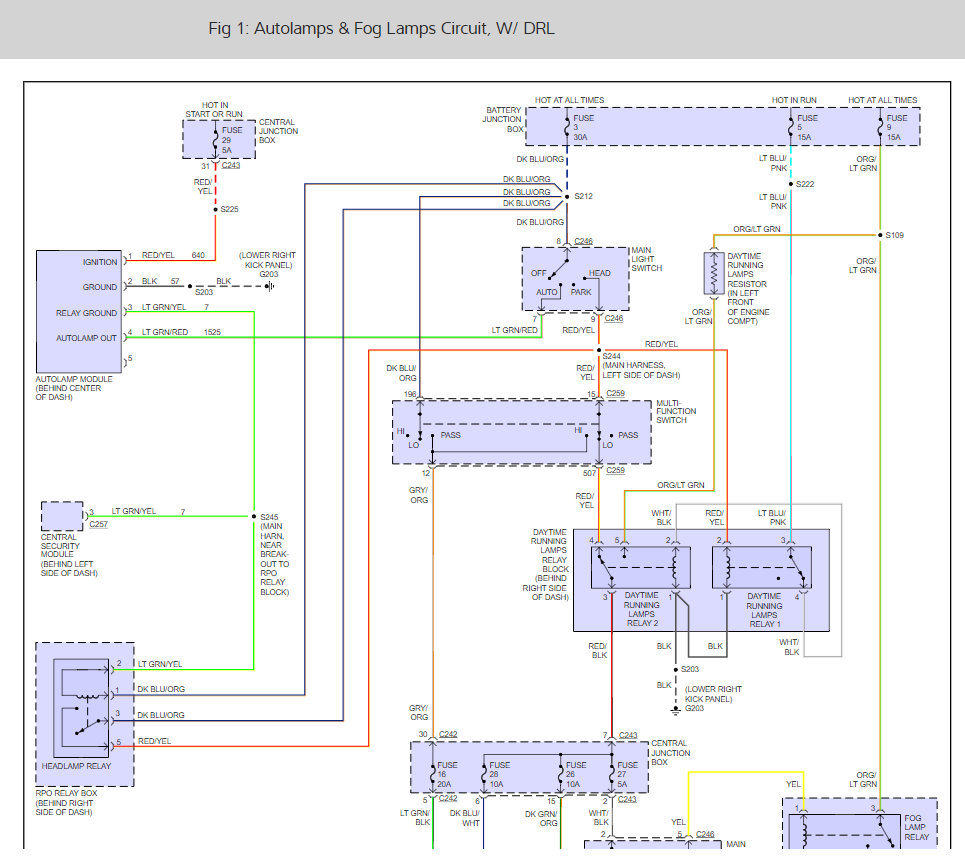
Below and in the next post window I have provided the wiring diagram for the Auto Lamp circuit and the location diagram of the dash showing relay and control unit locations
Jun 18, 2020 at 12:03 PM (Merged)
Avatar
DRCRANKNWRENCH
  • CERTIFIED EXPERT
  • 3,380 POSTS
Dash Diagram

Check relays for function and check the control unit with a multi-meter to see if it is getting 12 Volts.

Have the truck scanned for trouble codes and see if that provides any information.
Then get back to us and we can continue the process of elimination if the problem is not found. However, there is not much else besides a bad ground that I am able to suggest as a possibility. None the less, any information you get will help to chase the source of the problem down.
Jun 18, 2020 at 12:03 PM (Merged)
Avatar
MJMKJM
  • MEMBER
  • 1 POST
Electrical problem V8 Two Wheel Drive Manual 175000 miles

The low beam headlights will not work (both sides), the bulbs are good. The high beams work fine. When you dim from high to low beam the low beams do not come on, however the fog lamps do come on.
i thought it might be a breaker or relay that has gone out. A local mechanic advised me that it was the dimmer switch and the steering coloumn had to be disassembled to repair it.
this did not sound right to me. i know heavy equipemnt, cars are little out of my expertise. please advise.
Jun 18, 2020 at 12:03 PM (Merged)
Avatar
STRAILER
  • CERTIFIED EXPERT
  • 53,854 POSTS
Hello,

It sounds like you have a headlight relay that is out. Here is wiring diagram and a guide to help you get the repair done.

https://www.2carpros.com/articles/how-to-check-an-electrical-relay-and-wiring-control-circuit

and

https://www.2carpros.com/articles/how-to-use-a-test-light-circuit-tester

Please run this test and get back to us so we can keep helping you.

Cheers, Ken
Jun 18, 2020 at 12:03 PM (Merged)
Avatar
DUECYBELLA
  • MEMBER
  • 1 POST
What could cause my high beam indicator lamp to stay on even without the keys in the ignition? It will go out if I turn my headlights on. Everything functions like it should, but that light stays on in the cluster and it is drawing my battery. I am assuming it is a ground problem, but am not sure where to look even if I am correct. Any help would be greatly appreciated.
Thanks, Dave
Jun 18, 2020 at 12:03 PM (Merged)
Avatar
BLUELIGHTNIN6
  • CERTIFIED EXPERT
  • 16,542 POSTS
Is your vehicle equipped with daytime running lights? If so, this usually indicates a fault with the module and it will need inspecting and replaced if necessary.



Thanks for using 2CarPros.com!
Jun 18, 2020 at 12:03 PM (Merged)