back up light fuse?

2003 FORD EXPEDITION
195,000 MILES • 5.4L • V8 • 4WD • AUTOMATIC
Avatar
WSURFACE
  • MEMBER
  • 2 POSTS
The problem I'm having know is all of a sudden my back up/ reverse lights just stopped working on both sides and I have checked the bulbs and they are fine. Any solutions????
Nov 20, 2015 at 4:36 AM
Advertisement
Avatar
WRENCHTECH
  • CERTIFIED EXPERT
  • 20,761 POSTS
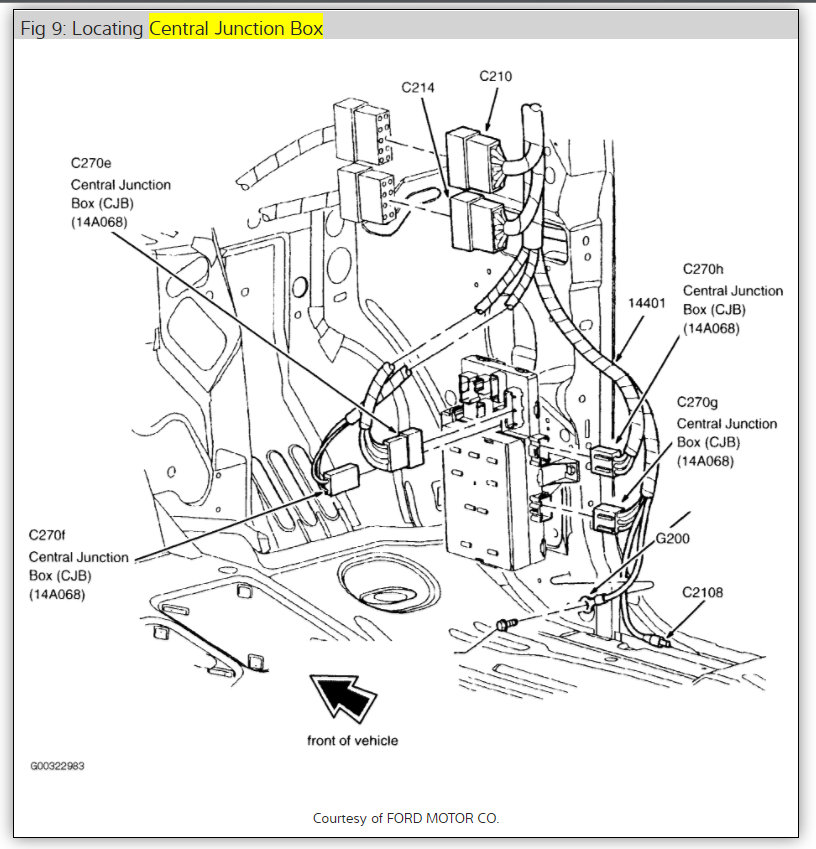
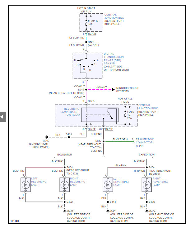
First check for power at the light socket with the backup lights on. If none found, test all the fuses #10 in the car with a test light with the key on. If no bad fuses found, test for power in and out of the trans range sensor. (aka neutral safety switch) Here is a guide to help check for power and the reverse light wiring diagrams so you can see how the system works. Check the relay as well.

https://www.2carpros.com/articles/how-to-use-a-test-light-circuit-tester

and

https://www.2carpros.com/articles/how-to-check-an-electrical-relay-and-wiring-control-circuit


Check out the diagrams (Below). Please let us know what you find. We are interested to see what it is.
Nov 20, 2015 at 4:47 AM
Avatar
JAYPATTER1
  • MEMBER
  • 1 POST
I have the same problem and have replaced the neutral safety switch and no power at the light socket with the backup lights on. So I used the guide and found the reverse light relay was bad, got them working with the new relay.
Dec 31, 2018 at 10:45 AM
Advertisement
Avatar
RLOVE34
  • MEMBER
  • 5 POSTS
I put my truck in reverse and it blows the #24 fuse. But when I change the fuse and go forward it runs fine. It only blows when im backing up or putting it in reverse. I have changed the #304 relay and checked the rest of my fuses all are good. #24 is the only fuse that will blow everytime. Very stressful please hel
Apr 14, 2020 at 4:52 PM (Merged)
Avatar
CARADIODOC
  • CERTIFIED EXPERT
  • 34,306 POSTS
In this case you have to determine how the short occurs. If the fuse blows as soon as you shift into reverse, even when the engine is not running, that is different than if the engine has to rock from being shifted into reverse while it's running. Rocking suggests a wire is rubbed through and grounding out so you would look for wire harnesses that move when you shift between drive and reverse.

Either way, a simple trick to finding a short is to replace the blown fuse with a pair of spade terminals, then use small jumper wires to connect them to a 12 volt light bulb. A brake light bulb works well. When the circuit is live and the short is present, the bulb will be full brightness and hot so be sure it's not laying on the carpet or against a plastic door panel. Now you can unplug electrical connectors and move things around to see what makes the short go away. When it does, the bulb will get dim or go out.
Apr 14, 2020 at 4:52 PM (Merged)
Avatar
RLOVE34
  • MEMBER
  • 5 POSTS
Could it be the park neutral switch or the speed sensor?
Apr 14, 2020 at 4:52 PM (Merged)
Avatar
CARADIODOC
  • CERTIFIED EXPERT
  • 34,306 POSTS
The speed sensor has nothing to do with any fused circuit.

What is fuse 24 for? What doesn't work when it blows?
Apr 14, 2020 at 4:52 PM (Merged)
Avatar
RLOVE34
  • MEMBER
  • 5 POSTS
Fuse #24 is the powertrain control moduel for automatic transsmission. When I put it in reverse and start backing up it blows and the trans dont run right or shift right. I can smell the truck fluiding. But if I change tge blown fuse it runs perfect. Until I have to back up the transmission dont run right.
Apr 14, 2020 at 4:52 PM (Merged)
Avatar
CARADIODOC
  • CERTIFIED EXPERT
  • 34,306 POSTS
I'd go back to my original recommendation of replacing the fuse with a small 12 volt light bulb. You have the advantage that you know how to make the short occur. When it does, the bulb will limit current flow to a safe level. It will, however, also limit current to such a low level that the computer may not work right. In that case you would need to use a larger bulb that will allow more current to flow. A head light bulb will pass about five amps.
Apr 14, 2020 at 4:52 PM (Merged)