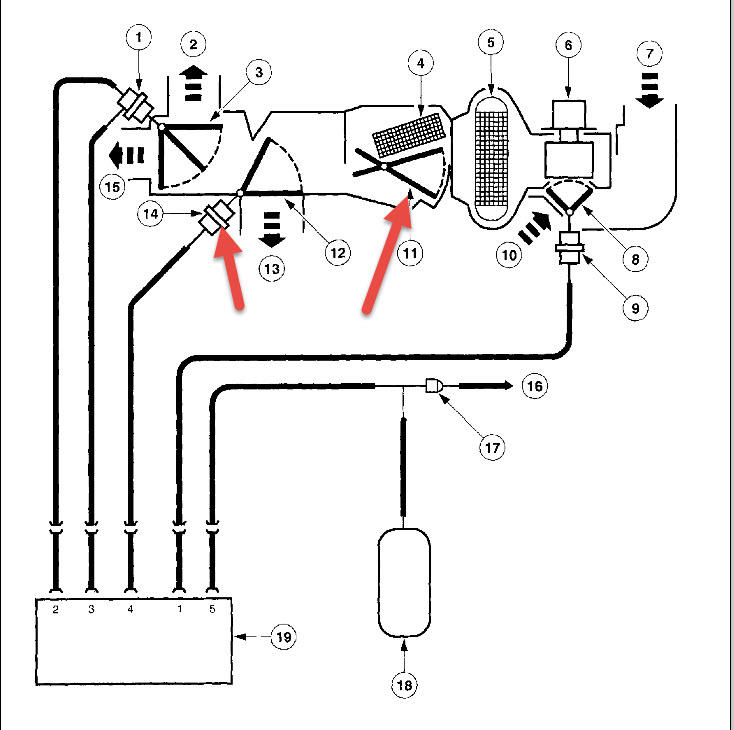
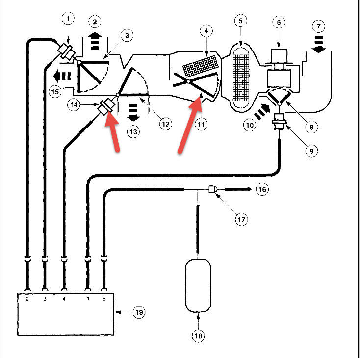
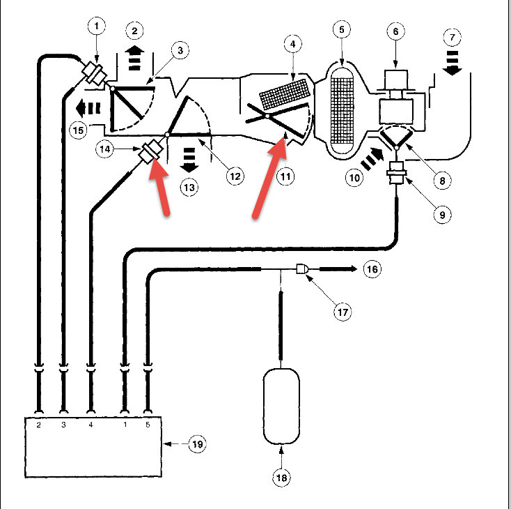
We could not get any heat out of the vents. We replaced the control panel and still had no heat. So we replaced the blend door actuator motor and still no heat. Now we are back to thinking it might be the control panel again. I would like to do some troubleshooting before we send off another control panel. Can you let me know which wires from the control panel to check and what they should be reading. I found a schematic on the web but its a bit too small for me to get a clear idea of the colors and what each wire should read.
Thanks for your time.
Thanks for your time.
Dec 3, 2015 at 11:53 AM






