Intermittent not starting issue

2003 TOYOTA ECHO
240,000 MILES • 1.5L • 4 CYL • 2WD • AUTOMATIC
Avatar
ECHOWNER
  • MEMBER
  • 3 POSTS
Will start on occasion. Replaced starter, same issue. Cold, hot doesn't matter it starts when it wants.
Dec 6, 2020 at 9:06 AM
Advertisement
Avatar
KASEKENNY
  • CERTIFIED EXPERT
  • 18,907 POSTS
This is most likely a fuel pump issue, but we need to review this material and determine what is happening when this is acting up. So that means we need to test this when it acts up.

https://youtu.be/dCjmRL3p4Cs

So unfortunately I can't give you any answers until we get some feed back on these issues. Here is a fuel pressure test that we need to do next time this acts up just to confirm what I suspect is the issue:

https://www.2carpros.com/articles/how-to-check-fuel-system-pressure-and-regulator

Let's do this the next time it acts up and we can go from there. Thanks
Dec 6, 2020 at 12:58 PM
Avatar
ECHOWNER
  • MEMBER
  • 3 POSTS
Thanks for fast reply. It won't even turnover, but when it does it runs fine. When I turn key I hear the click from relay, and what I think is starter spinning. Before swapping starter I'd tap it with mixed results which made me think starter.
Dec 6, 2020 at 2:33 PM
Advertisement
Avatar
KASEKENNY
  • CERTIFIED EXPERT
  • 18,907 POSTS
Okay. That changes things.

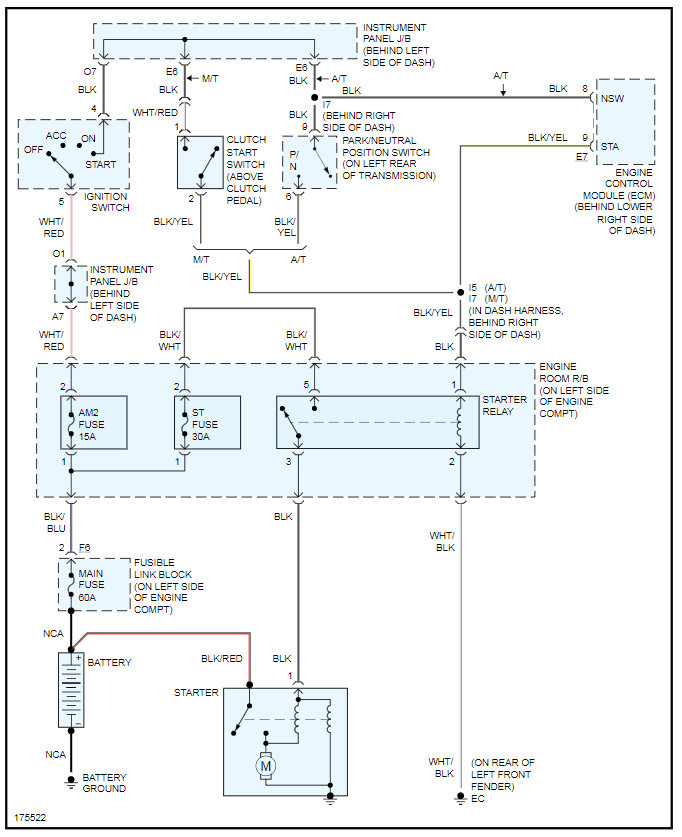
If the vehicle only clicks when you turn the key this would point to a starter issue. However, if you changed the starter then we need to check voltage at the starter on the two wires when this happens. I am sure you will have 12 volts on the battery feed but the control wire is what I am thinking we have an issue with.

I attached a wiring diagram for your review. Let me know what questions you have. Thanks
Dec 7, 2020 at 5:16 PM
Avatar
ECHOWNER
  • MEMBER
  • 3 POSTS
Thank you sir, I will give it a go and follow up.

Thank you for what you do, glad I found this site!
Dec 8, 2020 at 3:14 PM
Avatar
KASEKENNY
  • CERTIFIED EXPERT
  • 18,907 POSTS
Sounds great. Let us know how you make out and come back in the future. We can help with any issues you have on your vehicles. Thanks
Dec 9, 2020 at 7:02 PM