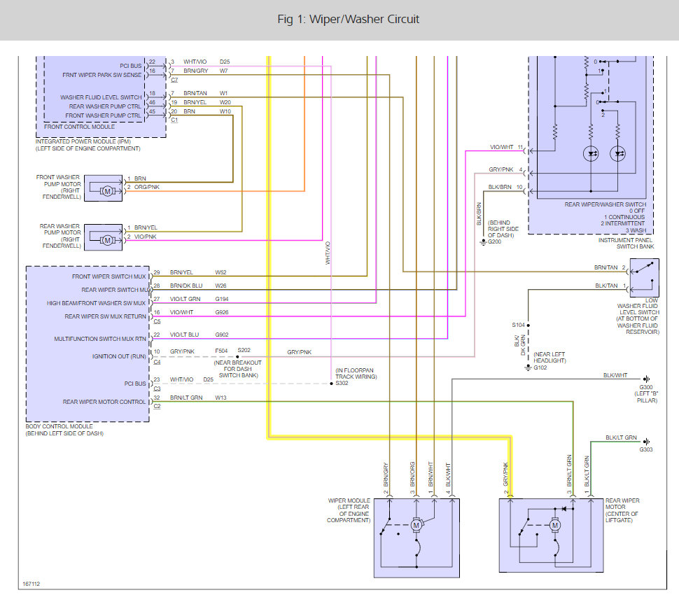
2003 Dodge Grand Caravan, 3.8L engine. Windshield wipers came on without me turning them on and now they will not turn off, even when I shut off the engine! I was driving down the highway when my wipers just came on. I didn't turn them on. I tried to turn them off, even pulled over and turned off the engine and wipers just kept on going. I had to pull the fuse to get them to turn off.
Nov 10, 2011 at 6:07 PM







