door locks not working?

2003 DODGE CARAVAN
130,000 MILES
Avatar
ANONYMOUS
  • MEMBER
  • 1 POST
Automatic door locks not working with new battery. Is there a fuse?
Jan 17, 2013 at 8:41 PM
Advertisement
Avatar
JDL
  • CERTIFIED EXPERT
  • 16,098 POSTS
Were the door locks working before you replaced the battery?
Jan 17, 2013 at 8:52 PM
Avatar
JDL
  • CERTIFIED EXPERT
  • 16,098 POSTS
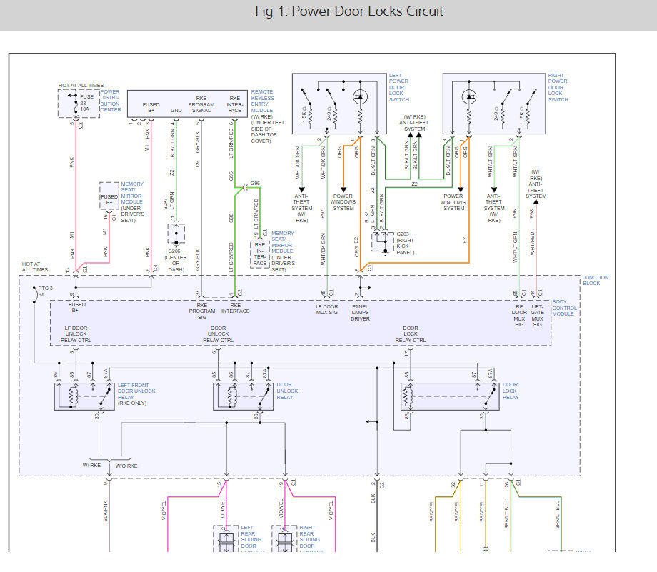
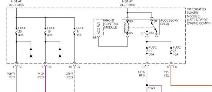
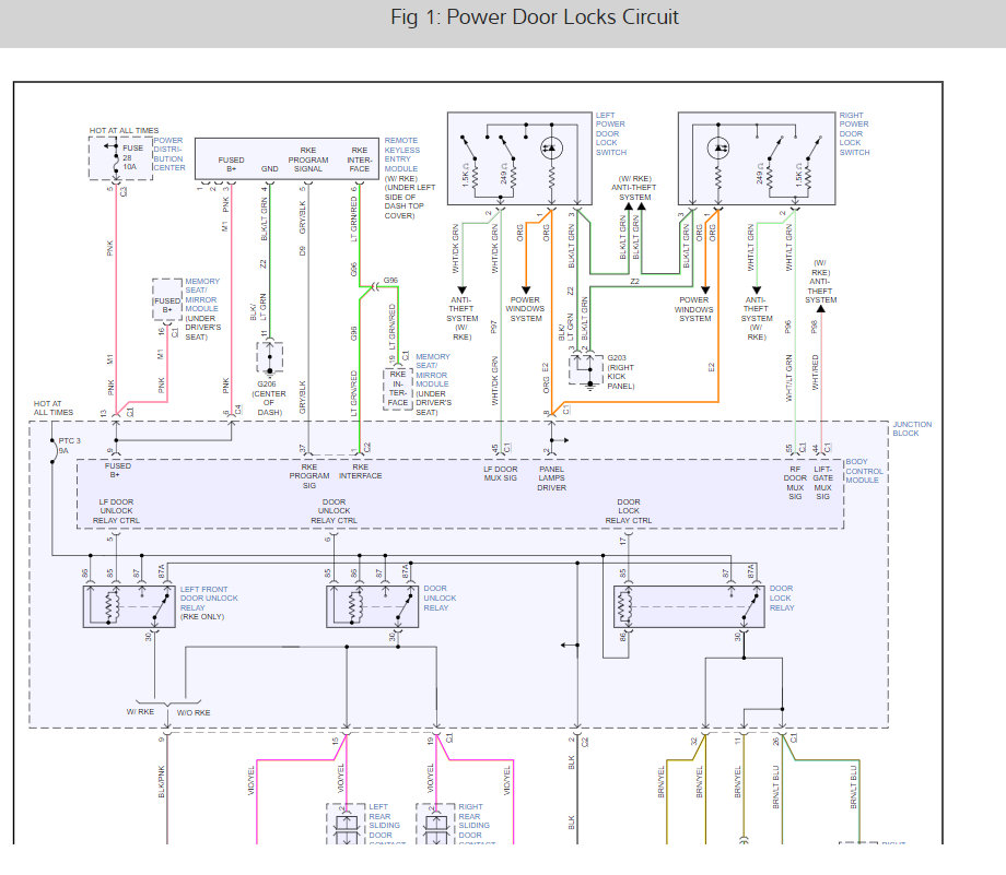
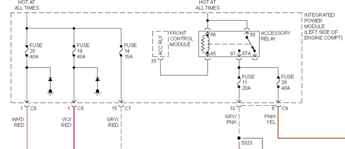
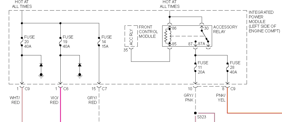
Check fuses 19 and 20 in the diagram, not only check the fuses, check for voltage at the fuses. Hot all the time.
Jan 17, 2013 at 9:06 PM
Advertisement
Avatar
ALLYCALG
  • MEMBER
  • 1 POST
Pulled the IOD fuse and it looks ok. I can't unlock either of the sliding doors. Could it be the locking actuator?
Oct 3, 2020 at 10:14 AM (Merged)
Avatar
RASMATAZ
  • CERTIFIED EXPERT
  • 75,992 POSTS
Check the sliding door module

Oct 3, 2020 at 10:14 AM (Merged)
Avatar
BASS575
  • MEMBER
  • 2 POSTS
My drivers side door lock makes a sqweeling nilse when I put it in gear. the locks work. I took the fuse out that says it goes to the door lock, however, when it is out, the air conditioner does not work. So I put it back in and now not only does the door lock screek, the transmission light on the info panel stays on. what is going out, or is anything and why is the air conditioner connected to the door lock as well, why is the transmissin light coming on?
Oct 3, 2020 at 10:14 AM (Merged)
Avatar
MERLIN2021
  • CERTIFIED EXPERT
  • 17,250 POSTS
Sounds like the actuator motor for the lock is in need of replacement, soon! Severl items can be on one fuse, not unusal. as for the tranny, perform this self diagnostic, post the code(s) that pop up. With the ignition switch in the OFF position, depress the TRIP and RESET buttons.
While holding the TRIP and RESET button turn the ignition switch to the ON position.
Continue to hold the TRIP and RESET buttons until the word CODE appears in the odometer windows (about five seconds ) then release the buttons. If a problem exists, the system will display Diagnostic Trouble Codes (DTC's). If no problem exists, the code 999 (End Test) will momentarily appear.
Oct 3, 2020 at 10:14 AM (Merged)
Avatar
MORR
  • MEMBER
  • 1 POST
Electrical problem
2000 Dodge Caravan Engine Size unknown Front Wheel Drive Manual 110000 miles
----------------------------------------------------------------
My ABS and airbag lights are on, the power locks and heat are not working. All this happend at one time and went off then back on and now has not worked in 3 weeks.
Oct 3, 2020 at 10:14 AM (Merged)
Avatar
BMRFIXIT
  • CERTIFIED EXPERT
  • 19,053 POSTS
check for a loose wire and or ground check ignition switch have the BCM checked for codes
Oct 3, 2020 at 10:14 AM (Merged)
Avatar
KOPADI
  • MEMBER
  • 1 POST
hi i have a 98 dodge grand caravan and few things stop working all at the same time like both blowers,pass window,central lock,blinkers any ideas what it can be.thank you

p.s.i tried fuses,relays almost everythink i also change bcm
Oct 3, 2020 at 10:14 AM (Merged)
Avatar
ERNEST CLARK
  • CERTIFIED EXPERT
  • 1,730 POSTS
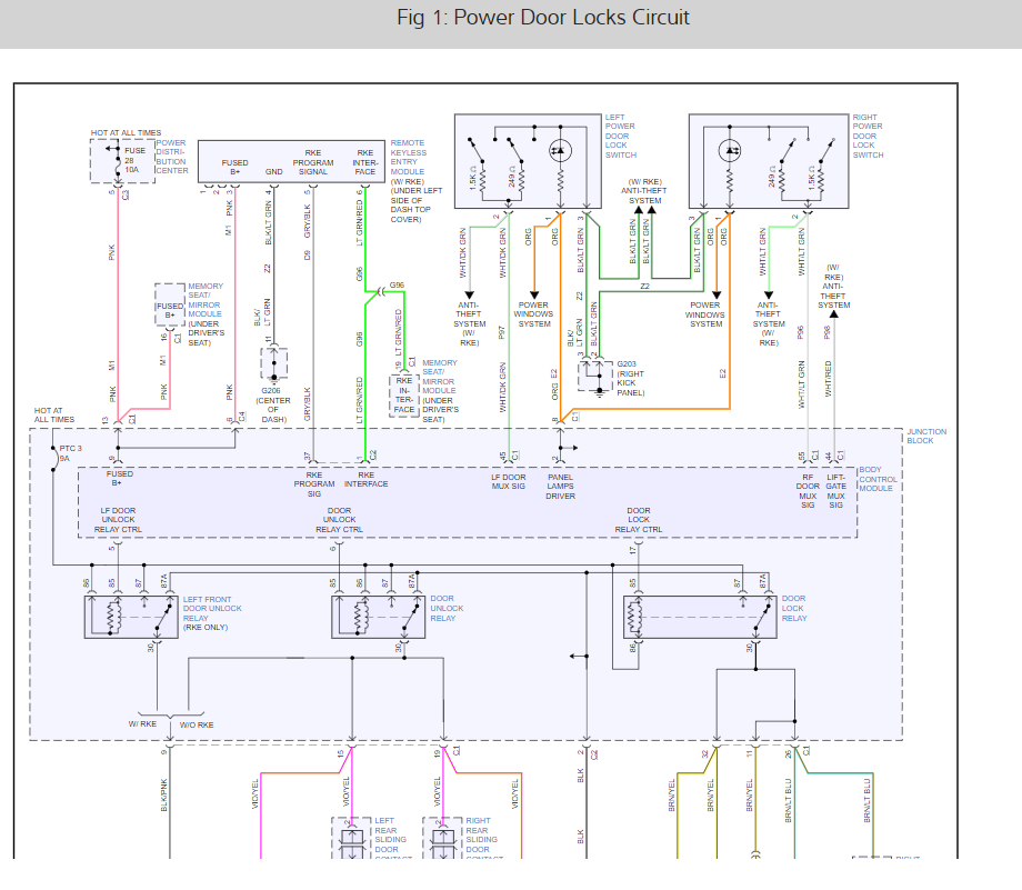
It's most likely a wiring issue. Then get your self a voltmeter and probe the circuits/connectors for the components not working. Also look for a loose ground wire behind the dash. This guide can help with the door lock wiring diagrams below.

https://www.2carpros.com/articles/how-to-check-wiring

Check out the diagrams (Below). Please let us know what you find.
Oct 3, 2020 at 10:14 AM (Merged)
Avatar
KHLOW2008
  • CERTIFIED EXPERT
  • 41,814 POSTS
Get a test lamp or DVOM to test for battery voltage at blower motor. If votae is available and blower does not work in any speed range, I would suspect a ground citcuit connection problem.

This is the only thing in common among the components not working. One ground circuit would be at center of dash on instrument panel support.
The other woud be at the left kick panel.
Oct 3, 2020 at 10:14 AM (Merged)
Avatar
TINKPLINK
  • MEMBER
  • 1 POST
My 1998 Grand Caravan started having issues about 2 years ago that at the time I didn't think much about it. While parked and off, my horn would sound for about 10 seconds continous and go quite for anywhere from minutes to hours. I unplugged the horn and just a few days later, my battery died. I had the battery checked and was told it was old and dead. The mechanic said that might have been the cause for the horn blowing like it did. Got a new battery and haven't had any further issues until about two weeks ago. My rear vent windows somehow changed polarity. I would move the switch to the close position and they would open and vice versa. Now they don't work at all. My passenger front window no longer works either. Last evening, the van would not start. So when I hooked up the jumper cables, the door locks started engaging on it's own until I cranked the van then they stopped. Everything except the windows seem to work fine when the van is running. However, I put the battery charger on it overnight and I could hear the door locks once again engaging about every 30 seconds or so as if you were trying to lock the door. The battery took a charge, but I'm concerned as to the cause. I was thinking about removing the fuse to the door locks to see if that might be the problem. Any suggestions or help would be greatly appreciated.
Oct 3, 2020 at 10:15 AM (Merged)
Avatar
RASMATAZ
  • CERTIFIED EXPERT
  • 75,992 POSTS
You have a multiple issue here and can get complicated I will do my best. Sounds like the body control module has failed but Lets start by testing all these relays as follows horn relay that's in the power distribution box and the door lock relay and the door unlock relay are in the junction block left side of dash. If everything are okay here -Get the BCM tested or replaced it controls the doors and rear vent motors. the fuse for the locks is below.
Oct 3, 2020 at 10:15 AM (Merged)
Avatar
RDGRNR34
  • MEMBER
  • 1 POST
the door locks or dome lights wont work and cant find fuse for them
Oct 3, 2020 at 10:15 AM (Merged)
Avatar
CH112063
  • CERTIFIED EXPERT
  • 1,320 POSTS
Two fuse locations and theres a 15 amp fuse that is needed for both dome and door locks. One panel is on the left lower dash under a small plastic cover.
The supply for that panel is in the other area near the battery. Has a black cover and has fuses and relays in it. See the checking fuses information on this page. ok
Oct 3, 2020 at 10:15 AM (Merged)