2003 Dodge Caravan 3.3 P1698 No Message from TCM

2003 DODGE CARAVAN
135,000 MILES • 3.3L • V6 • FWD • AUTOMATIC
Avatar
COUNTRYLATIN
  • MEMBER
  • 2 POSTS
Vehicle stuck in "Limp Mode", airbag light on. No comm with airbag, or Transmission modules. Speedometer, fuel, and temp gauges all work, as do background lighting. Gear shift indicators ALL lit up (PRND21). New output and input speed sensors, replaced TCM. If battery is disconnected, shift indicators ALL go black, airbag light goes off. In 20 Seconds, airbag light comes on, as do shift indicators, simultaneously. (ALL light up) Swapped EATX relay with horn relay, horn works with either relay. All fuses good. I checked harness connectors at TCM, BCM, and ECM, no corrosion, no visible breaks. I have comm with ECM, BCM, yet not airbag and TCM. I think I may need some schematics. I believe the issue may lie in the BUS wires between the airbag and TCM modules. I just wish I knew what color these wires are so I can verify continuity!
Apr 1, 2015 at 10:38 PM
Advertisement
Avatar
HMAC300
  • CERTIFIED EXPERT
  • 48,601 POSTS
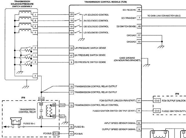
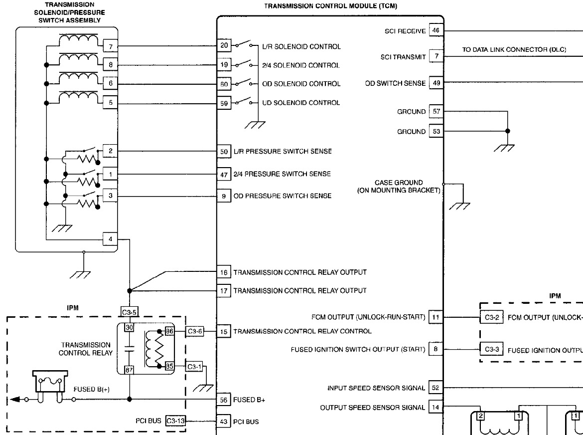
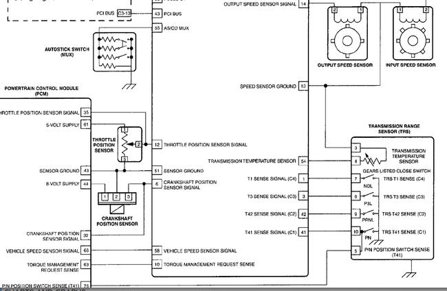
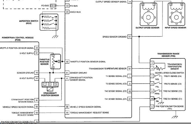
this schematic has pin numbers so you don't need color of wires. number shold be on connectors.
Apr 2, 2015 at 1:30 PM
Avatar
COUNTRYLATIN
  • MEMBER
  • 2 POSTS
Perfection. Amazing what a brain can do with a schematic! I checked all BUS wires for continuity, all checked out, 0 ohms. Then i started cutting the BUS wires, starting with the ECM to verify voltage out, and got a nice wave coming out of the ECM. I reconnected the wire using solder and heat shrink to clean up after myself. I then moved on to the TCM, where NO voltage was coming out of the TCM. Reconnected, and moved on to the BCM, noting all values. BCM also had a nice wave, similar to the ECM, just slightly different voltages, all below 1.3v. Moving on the airbag module, it also had NO voltage coming out of the BUS wire (White/Violet). Recalling that after I disconnect the battery, ALL lights were out on the dash until 20 seconds in, at which point all gear indicators and airbag light came on simultaneously. Considering the location of the airbag module in the circuitry, I figured it MUST be toast, not allowing messages to get to the ECM because first they must pass through the Airbag module? Strange. I went ahead and found a local yard with same year, basically a clone, and pulled the airbag module. Installed it, and low and behold. The gear shift indicator was in P! Check BUS wire on TCM and Airbag Mod, all had a nice wave! Reset all adaptives, ran a quick learn, and shes as good as gold, no more limp mode and shifts like new. Who on earth makes a system like this? Why should an airbag module have ANYTHING to do with the TCM!? Go Chrysler!
Apr 2, 2015 at 3:36 PM
Advertisement
Avatar
COUNTRYLATIN
  • MEMBER
  • 2 POSTS
Might I add that of course no more check engine light, no more airbag light!
Apr 2, 2015 at 3:40 PM
Avatar
HMAC300
  • CERTIFIED EXPERT
  • 48,601 POSTS
Chrysler also has the tpim module which is about $1500 and most electrics go through that including starting of car.
Apr 2, 2015 at 4:31 PM