no starter operation?

2003 CHRYSLER TOWN AND COUNTRY
130,000 MILES
Avatar
LINDAYZAGUIRRE
  • MEMBER
  • 2 POSTS
my chrysler van will not start ,everything works inside like radio, lights, etc
Sep 14, 2012 at 4:34 PM
Advertisement
Avatar
ALLPRO
  • EXPERT
  • 48 POSTS
when you turn the key to try and start the vehicle do you hear the starter turning? This guide can help us fix it

https://www.2carpros.com/articles/starter-not-working-repair

Please run down this guide and report back.



Sep 14, 2012 at 4:38 PM
Avatar
LINDAYZAGUIRRE
  • MEMBER
  • 2 POSTS
no you do not hear it ,we put a new starter,ignition coil, battery
Sep 14, 2012 at 5:06 PM
Advertisement
Avatar
JDL
  • CERTIFIED EXPERT
  • 16,098 POSTS
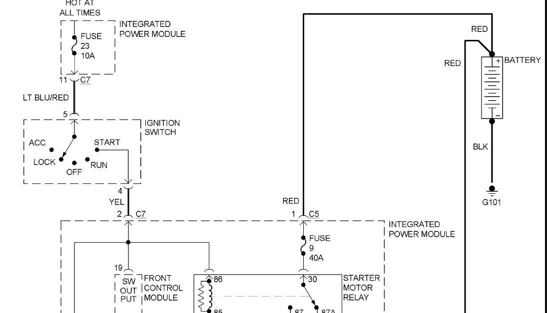
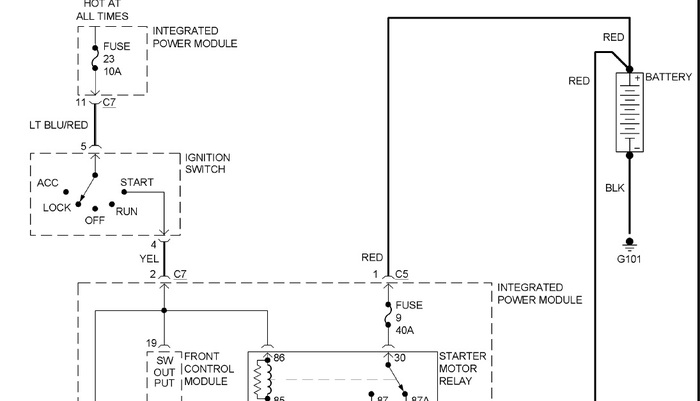
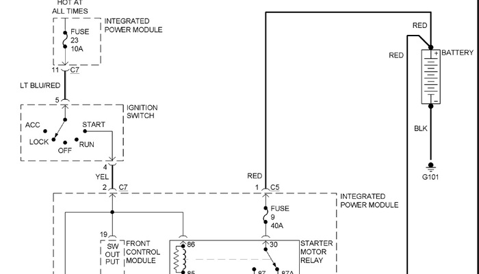
Your starter isn't cranking? Here is part of your starter circuit. Any testing at the starter relay make sure the tranny is in park or neutral and the e-brake is set.
Sep 14, 2012 at 5:19 PM