After replacing the radiator cooling fan the A/C stopped cooling?

2003 CHRYSLER PT CRUISER
212,500 MILES • 2.4L • 4 CYL • 2WD • AUTOMATIC
Avatar
SAPPHIREWINGS
  • MEMBER
  • 1 POST
My car listed above started overheating, and i replaced the radiator cooling fan. After replacing the cooling fan, my Air Conditioner stopped cooling but worked perfectly before the cooling fan replacement. Also, the car is constantly losing power and causing me to have it boosted even if the car door is opened for 2 minutes the battery is brand new but i can't seem to figure out how to fix these issues... please help!!!
Aug 14, 2023 at 2:45 AM
Advertisement
Avatar
STRAILER
  • CERTIFIED EXPERT
  • 53,855 POSTS
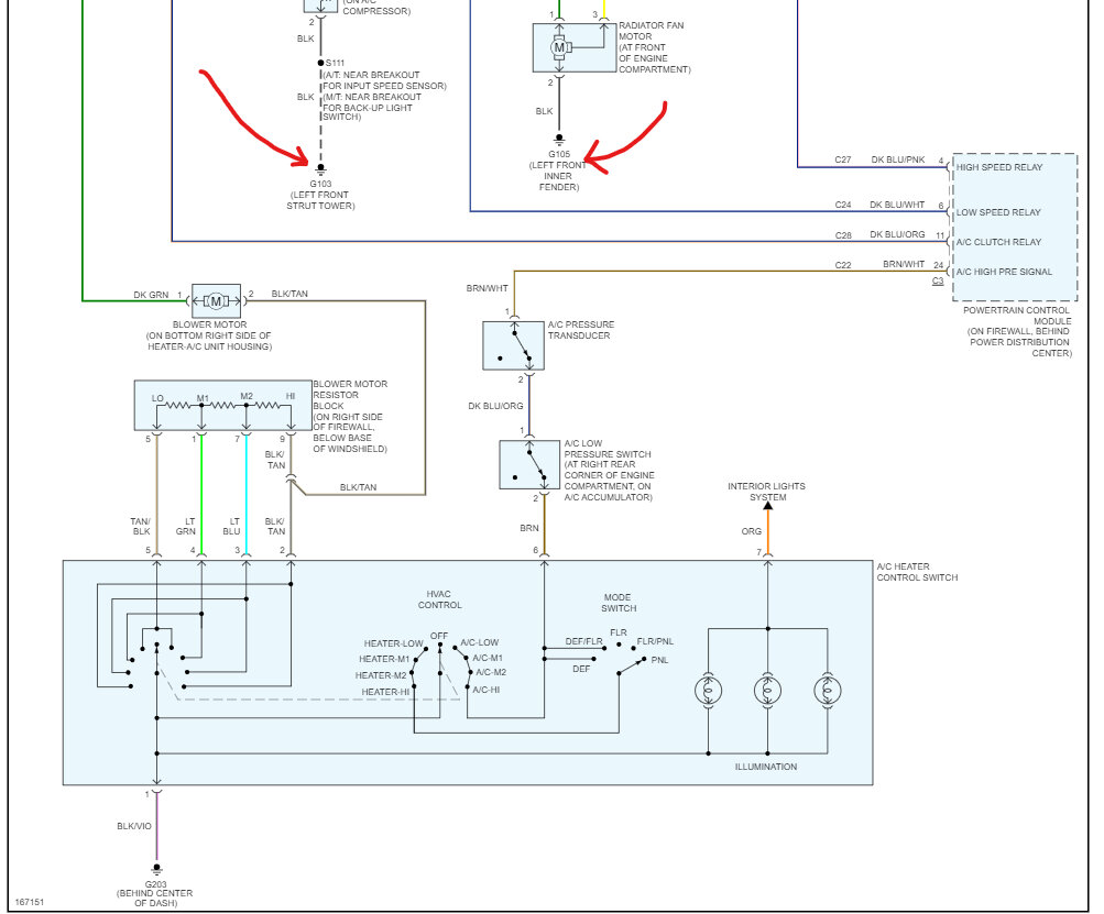
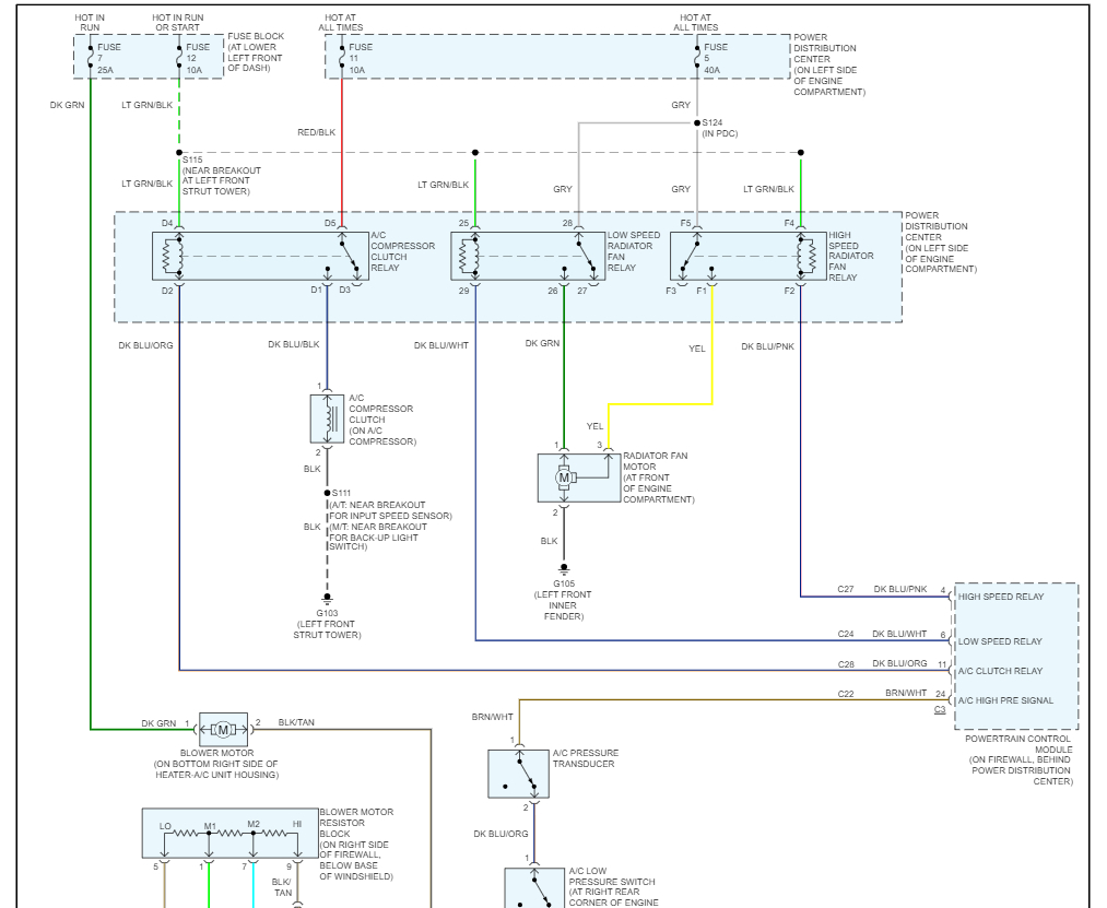
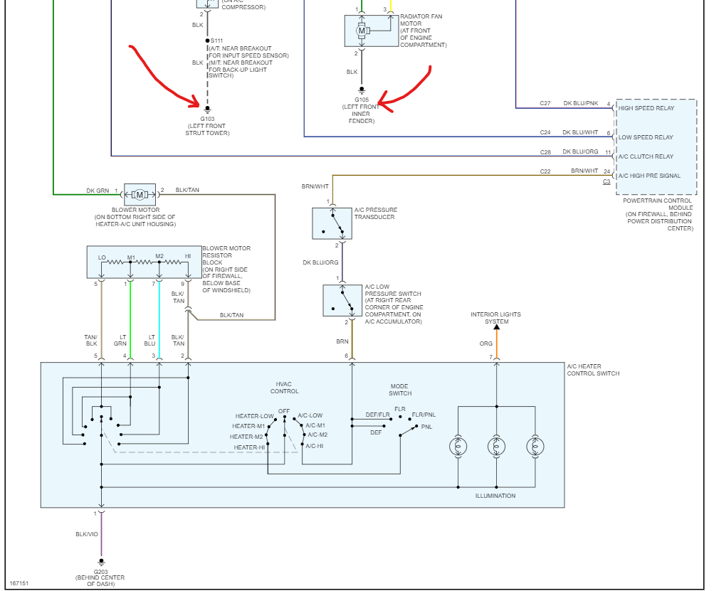
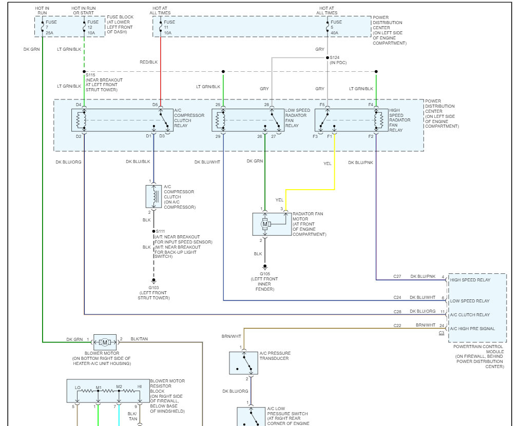
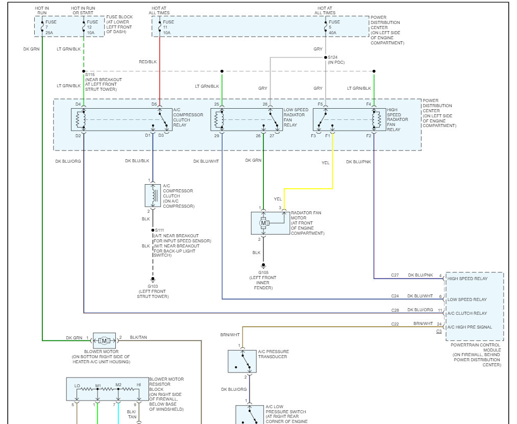
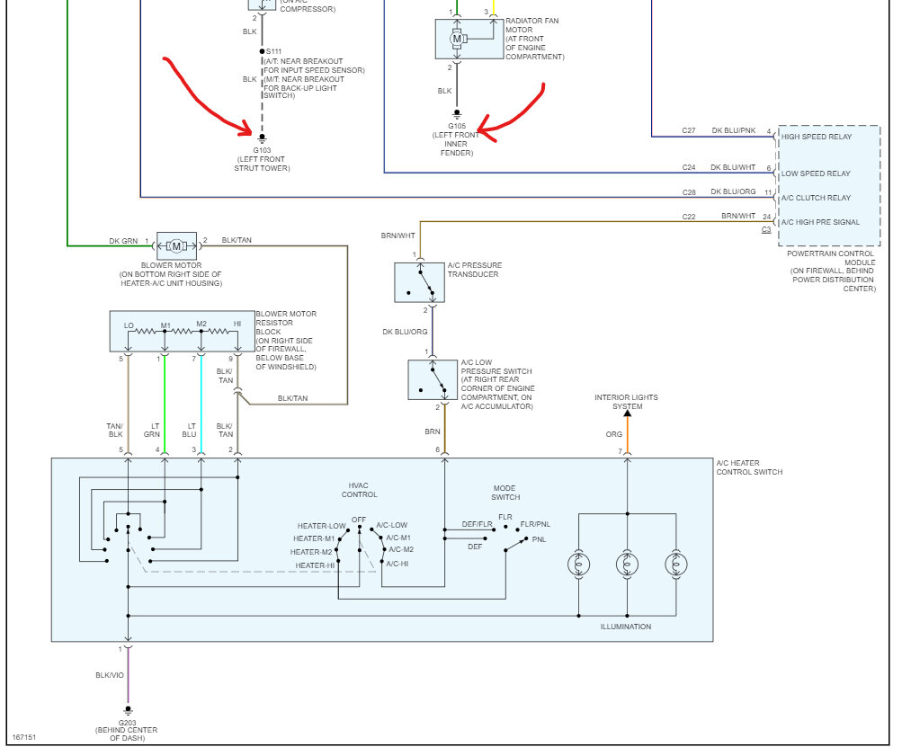
I would start by checking the fuses which are listed in the air conditioner wiring diagrams below. This guide will help do the test with the systems on.

https://www.2carpros.com/articles/how-to-check-a-car-fuse

Also does the system have a good charge? This guide can help as well:

https://www.2carpros.com/articles/car-air-conditioner-not-working-or-is-weak

Please check the ground wires I have indicated in red. Check out the images (below). Let us know what happens and please upload pictures or videos of the problem so we can see what's going on.

Aug 14, 2023 at 7:12 PM