The battery is not taking a charge?

2003 CHEVROLET TAHOE
198,000 MILES • 2WD
Avatar
WILMAS
  • MEMBER
  • 2 POSTS
Replaced a new alternator, the battery is 2 months old. The battery is not taking a charge, so I was told that I need to replace the 175 mega fuse for my vehicle listed above. The Chevy car parts service rep was kind enough to print out a diagram of its location.

However, it was not under the hood fuse box per diagram. Search the internet to no avail. The repair manual was of no help as well. I would like to know where it is located. Thank you for the kind help.
Nov 19, 2023 at 11:05 PM
Advertisement
Avatar
STRAILER
  • CERTIFIED EXPERT
  • 53,854 POSTS
I do not see the mega fuse in the system, so I am not sure what they are talking about. I would use a test light and see if there is power and the large red wire at the rear of the alternator and also, please start the engine to check the alternator voltage while running. These guides can help us see what's going on:

https://www.2carpros.com/articles/how-to-check-a-car-alternator

and

https://www.2carpros.com/articles/how-to-use-a-test-light-circuit-tester

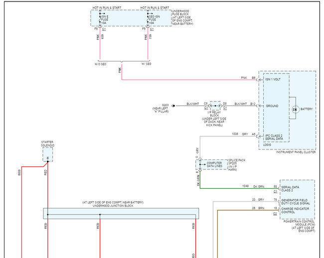
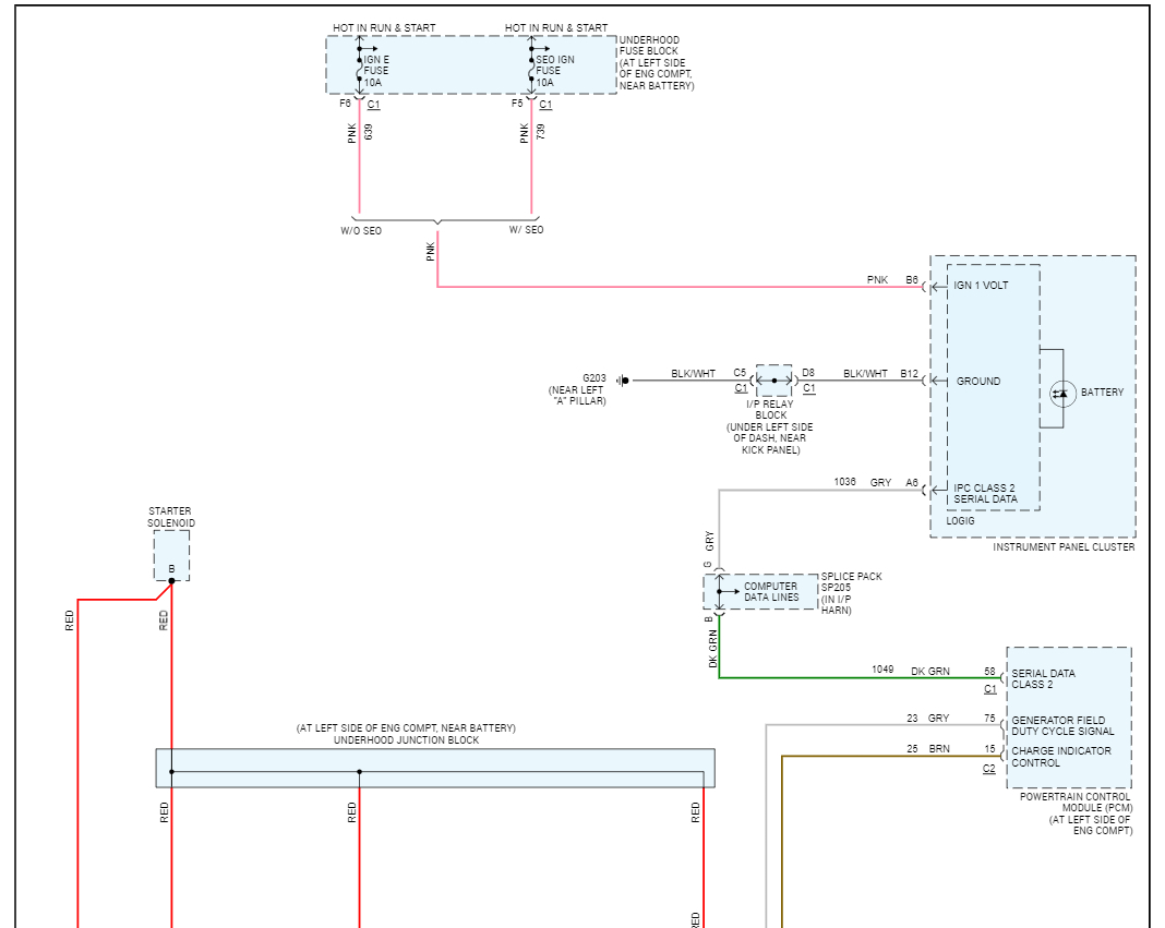
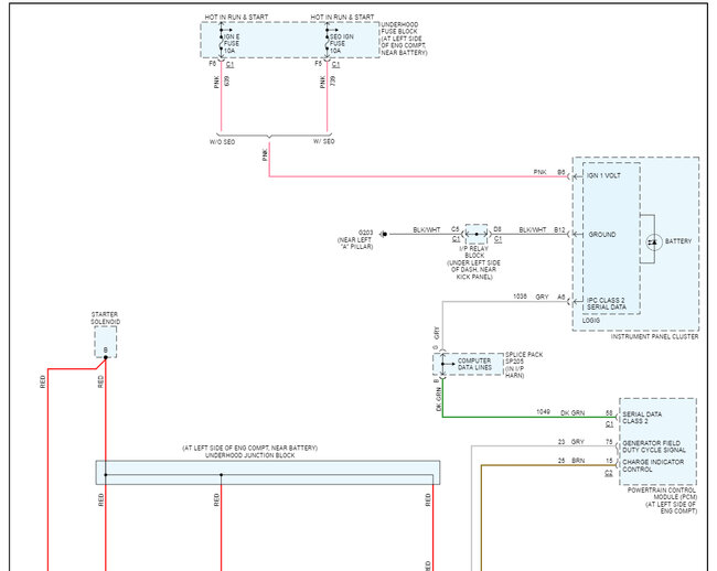
Here are the wiring diagrams that show the alternator and charging system and how it works. Please go over it to see the two regular fuses that run the system: IGN E and SEO IGN both 10 amp which are located in the under-hood fuse panel (red arrow). Check out the images (below). Please let us know what happens.


Nov 20, 2023 at 8:07 AM