lost brakes made home ok changed brake lines

2003 CHEVROLET TRUCK
155,000 MILES
Avatar
ANONYMOUS
  • MEMBER
  • 1 POST
i lost brakes in my truck i made it home ok and the brake pedal is too hard to push?
Nov 15, 2012 at 10:00 PM
Advertisement
Avatar
DANNY L
  • CERTIFIED EXPERT
  • 5,648 POSTS
Hello, I'm Danny.

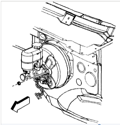
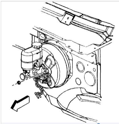
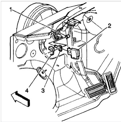
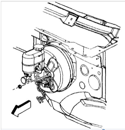
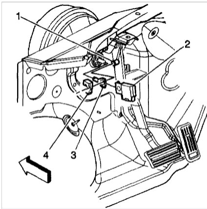
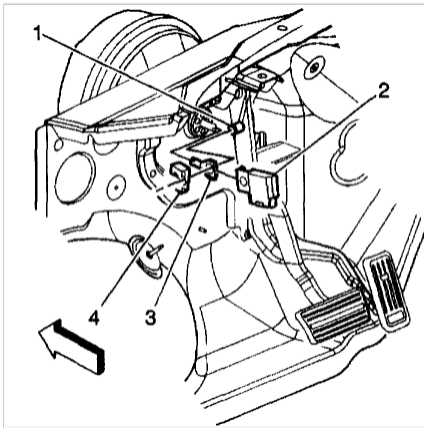
Here is the information you requested. Be sure to just move the brake master cylinder slightly out of the way so that you don't have to open a line and then have to bleed the brake system. I've attached picture steps below on how to change the power brake booster on your truck. Hope this helps and thanks for using 2CarPros.
Apr 26, 2021 at 11:41 PM