Why is the radio, dash lights, and battery light staying on when I turn key to off, pull it out, and exit the vehicle?
Jun 29, 2011 at 10:20 PM
Advertisement
FACTORYJACK
CERTIFIED EXPERT
4,159 POSTS
Hello,
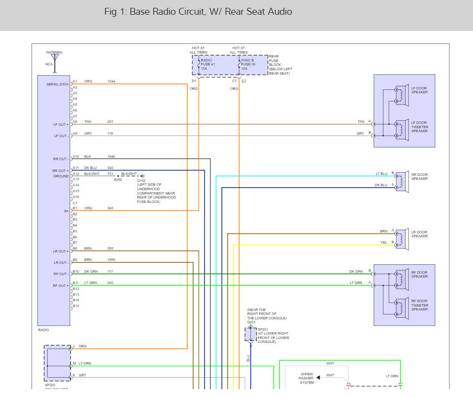
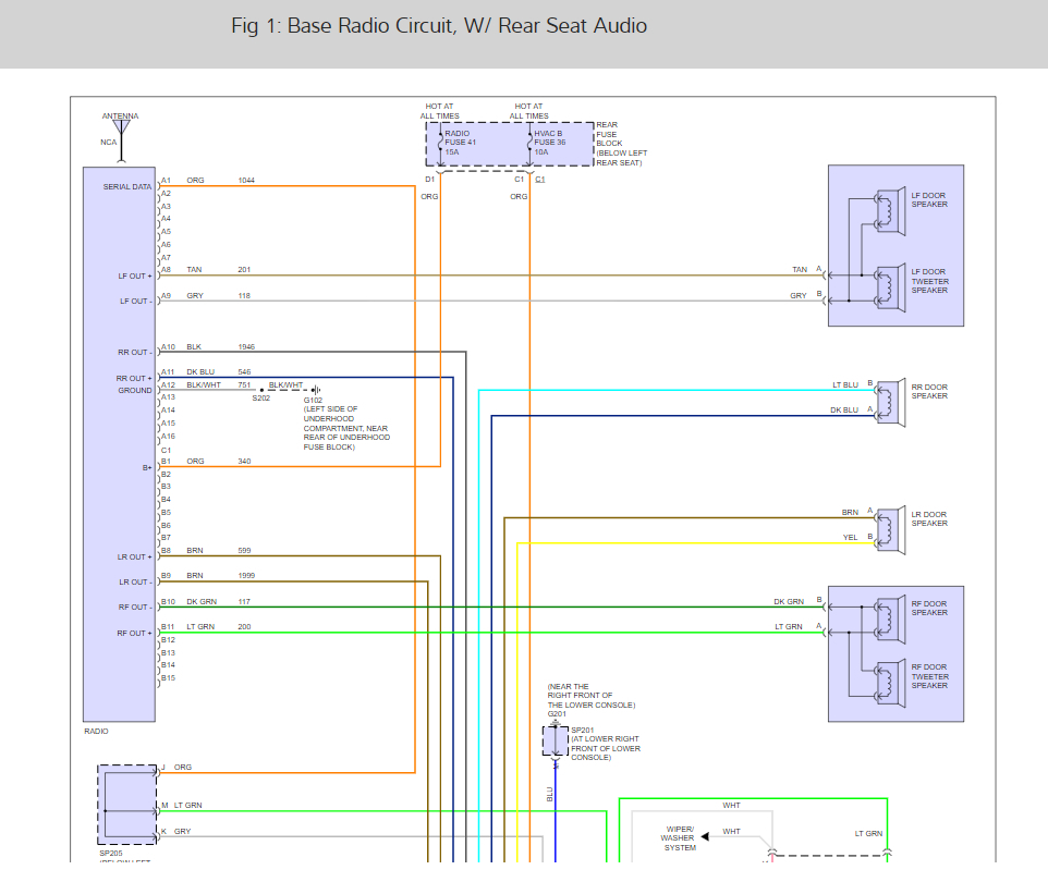
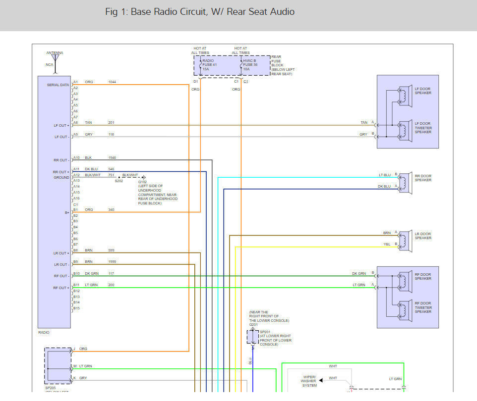
What happens is the BCM goes out causing the radio to stay on here is the radio wiring diagrams and the BCM location with instructions on how to change it out. Check out the diagrams (Below). Please let us know what you find. We are interested to see what it is.
Images (Click to enlarge)
Jun 30, 2011 at 4:52 AM
SRLAWSON
MEMBER
1 POST
Thank you for this post I had this problem and had the BCM replaced all fixed!@ cost me $330.00