Replaced pcv valve and noticed there are no guts inside the new valve, I can see right through. Is this normal?
Dec 26, 2014 at 11:01 AM
Advertisement
HMAC300
CERTIFIED EXPERT
48,601 POSTS
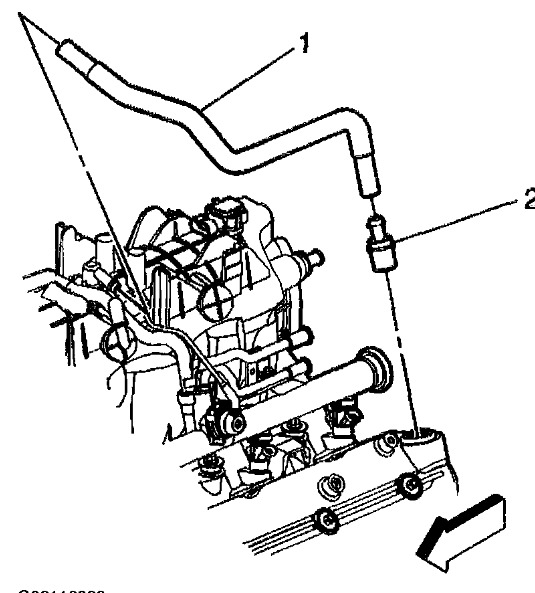
No that is not normal you need to replace the PCV valve. Check out the diagrams (Below). Please let us know if you need anything else to get the problem fixed.
Image (Click to enlarge)
Dec 26, 2014 at 11:59 AM
BVPHELAN
MEMBER
1 POST
Where is the PCV valve on my model? Cant locate. My car will drop from 500 rpms to 250 and feel as though it is going to stall when stopped. I am cleaning out the in take butterfly and want to try and replace the PCV valve as well. I replaced the alternator 3 days ago and since then idling has been rough.
Thanks
Dec 9, 2020 at 8:58 AM
(Merged)
Advertisement
KENDOG130
MEMBER
1 POST
i dont consider myself an excellent mechanic but that shure sounds like a vacum leak......i would double check all the vacume line and make shure u didnt bump one with your alternater installation..u wouldnt believe how rough your motor will run with just one hose off or broke
Dec 9, 2020 at 8:58 AM
(Merged)
FIRSTPOPPA
MEMBER
1 POST
So where do you find the PVC Valve? I cannot locate it!
Thanks
Dec 9, 2020 at 8:58 AM
(Merged)
RASMATAZ
CERTIFIED EXPERT
75,992 POSTS
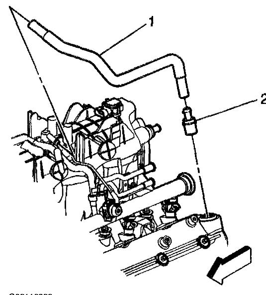
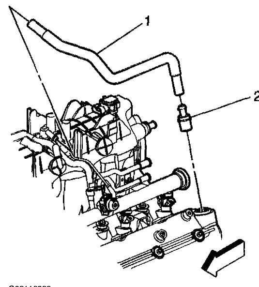
Left Side of the Engine Components. Check out the diagrams (Below). Please let us know if you need anything else to get the problem fixed.