No sound coming from the radio, is it a failing amp issue

2003 CHEVROLET IMPALA
100,000 MILES
Avatar
JESSICUHHXSCANZ
  • MEMBER
  • 5 POSTS
Hi, my car radio on my car listed above works fine, but no sound comes out. I don't know how to explain it. I just checked my fuses, its not that. I just got my license, so I know nothing about cars. I was hoping this is something I could have a family member fix. Help!
Dec 26, 2011 at 5:20 PM
Advertisement
Avatar
SATURNTECH9
  • CERTIFIED EXPERT
  • 30,869 POSTS
Have you tried pulling the radio fuses for ten mins and put them back in to see if that resets the radio?Sometimes the radios and other electronics get logic locked.
Dec 26, 2011 at 5:30 PM
Avatar
JESSICUHHXSCANZ
  • MEMBER
  • 5 POSTS
I think it has to do with the speakers themselves, not so much the radio. The readio itself works fine, its the sound.
Dec 26, 2011 at 6:27 PM
Advertisement
Avatar
JESSICUHHXSCANZ
  • MEMBER
  • 5 POSTS
I think it has to do with the speakers themselves, not so much the radio. The radio itself works fine, its the sound. Plus, im not sure which one is the radio fuse. I just assumed the one that said "cig/aux" on it was the radio one. Nothing on the panel says radio...
Dec 26, 2011 at 6:28 PM
Avatar
SATURNTECH9
  • CERTIFIED EXPERT
  • 30,869 POSTS
Your not understanding logic lock its like when your smart phone locks up or doesnt do certain functions and you have to turn it off to reset it.Do have a factory radio or aftermarket?Also if its factory does it have a amplifier?
Dec 26, 2011 at 8:25 PM
Avatar
JESSICUHHXSCANZ
  • MEMBER
  • 5 POSTS
if by factory, you mean it came with the car, then yes.
Dec 27, 2011 at 2:23 AM
Avatar
SATURNTECH9
  • CERTIFIED EXPERT
  • 30,869 POSTS
Alright is it the radio with the factory amp or the one without?Let me know so i can help you out.
Dec 27, 2011 at 2:34 AM
Avatar
JESSICUHHXSCANZ
  • MEMBER
  • 5 POSTS
uhm; I know nothing about cars. Haha. Whats a factory amp?
Dec 27, 2011 at 1:55 PM
Avatar
SATURNTECH9
  • CERTIFIED EXPERT
  • 30,869 POSTS
A facory amp would mean you would have a seperate amp that is factory.It would be in the luggage compartment beneath the center of rear package shelf.
Dec 28, 2011 at 1:03 AM
Avatar
ELIZABETH ELLEDGE
  • MEMBER
  • 1 POST
Cannot get the radio to come on. When I use my headlights and the dash glows the radio does too but there is still no sound. All my fuses are fine and the battery is new. Not sure what is going on.
Sep 23, 2019 at 12:06 PM (Merged)
Avatar
STRAILER
  • CERTIFIED EXPERT
  • 53,855 POSTS
Hello,

This can be one of two problems, either the radio is not working becasue of a issue inside the unit or the ground or power circuit needs to be checked and fixed.

Here is a wiring diagram and a guide so you can do some testing to be sure on whats the problem.

https://www.2carpros.com/articles/how-to-use-a-test-light-circuit-tester

and

https://www.2carpros.com/articles/how-to-check-wiring

Please let us know what you find ;)

Cheers, Ken

Sep 23, 2019 at 12:06 PM (Merged)
Avatar
STEVE W.
  • CERTIFIED EXPERT
  • 15,113 POSTS
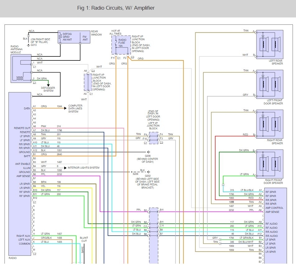
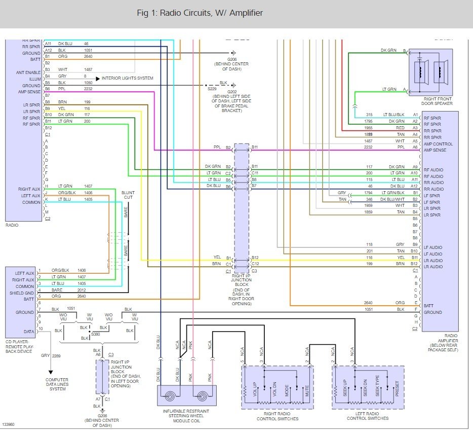
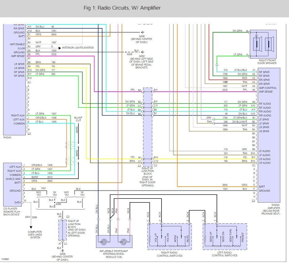
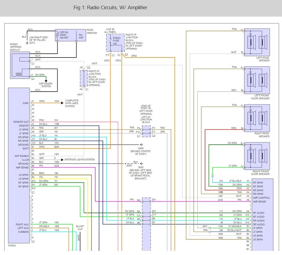
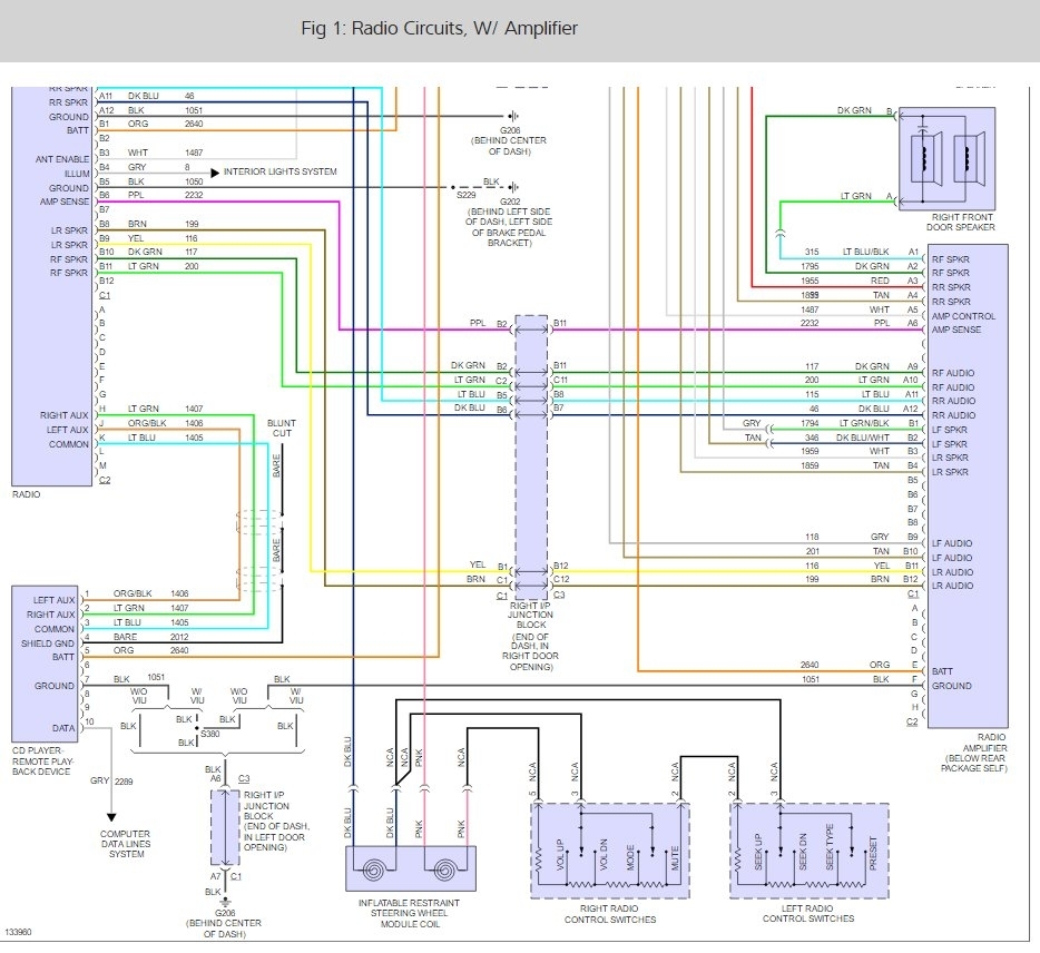
Is this the factory radio? Do you see it turn on, change channels or CD/Tape functions all work, just no sound? If so the amp in the rear has probably failed or the ground or power to it is bad. Easy way to test those is to look at the wiring diagram and locate the Orange wire (battery positive) and the Black wire (ground) You can bare a spot on the black wire and run a short section of similar wire to a good ground in the back or take it to the battery negative post. Do you now have sound? If so the ground wire has broken. If nothing yet, bare a spot on the orange wire and run a wire from it to the positive battery post. Do you have sound now?

If neither of those get the sound back it is either the amp on output in the head unit OR the amp is bad.
Sep 23, 2019 at 12:06 PM (Merged)
Avatar
TAMPABLACK
  • MEMBER
  • 1 POST
My radio was working fine, then one day the sound was fading on & off.(like on 15 sec then off 10sec) then it just quit & no more sound. The radio lights are on & everything seems to work fine, just no sound is coming out. I didn't spill anything on anything & checked the speaker wires all seemed to be fine. I saw a stock amp in the trunk between the 2 back speakers. Could it need a new amp or is there an amp built into the stock radio which might have blown. Basic question is what do I need to do? Buy a new radio or amp or both or could it be something else?
Tyvm for help, pls help
Sep 23, 2019 at 12:06 PM (Merged)
Avatar
NASUTE
  • MEMBER
  • 11 POSTS
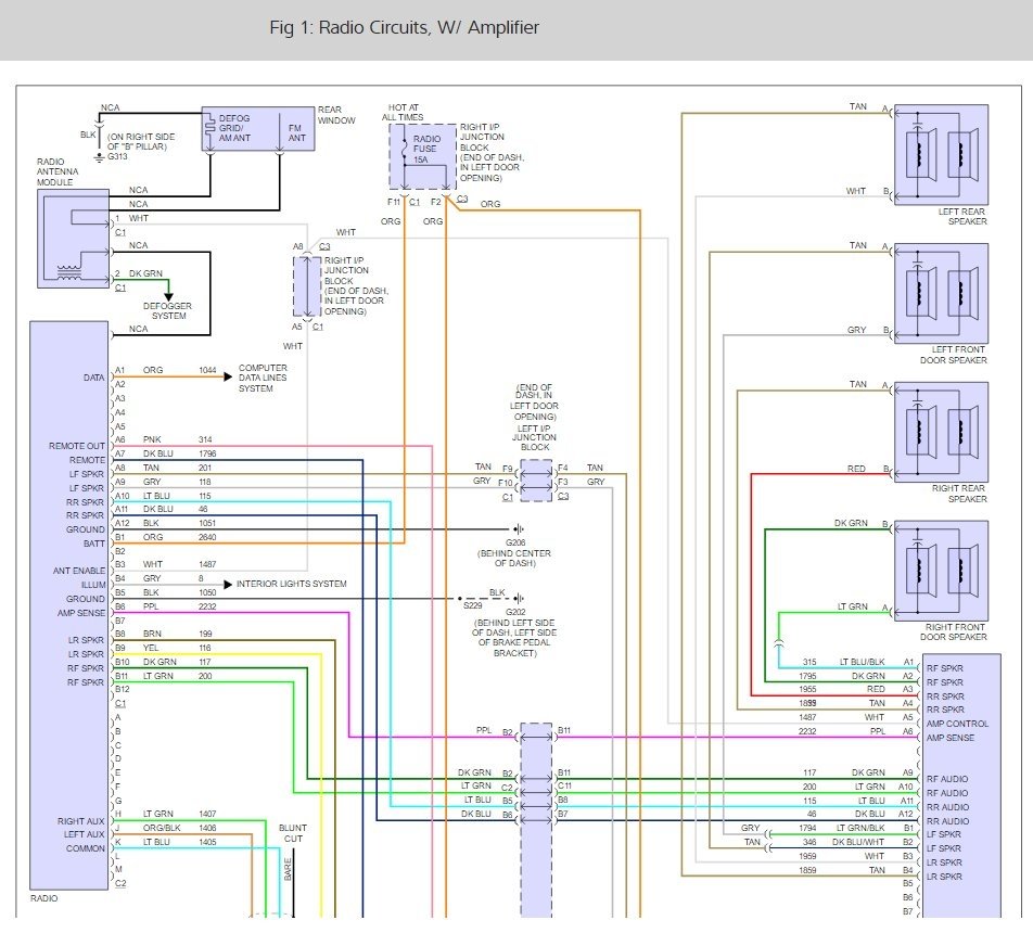
I think the radio is going out because it is was the amp you would still have front speakers here is a guide so you can check the power and ground at the radio.

https://www.2carpros.com/articles/how-to-use-a-test-light-circuit-tester

Check out the diagrams (Below). Please run this test and get back to us.

Cheers
Sep 23, 2019 at 12:06 PM (Merged)
Avatar
TOMMY63
  • MEMBER
  • 1 POST
The amp between the rear speakers is powered up by the two orange wires in the blue plug. Check for voltage there first. Common problem is that the factory splice gets corroded and loses connection. The connection is by the right rear door sill under the carpet at the pillar. See the photo of my vehicle.


https://www.2carpros.com/forum/automotive_pictures/354493_DSC02101_1.jpg


https://www.2carpros.com/forum/automotive_pictures/354493_DSC02102_1.jpg

Sep 23, 2019 at 12:06 PM (Merged)
Avatar
NASUTE
  • MEMBER
  • 11 POSTS
I had a problem water leaking into my passenger side floors. When I pulled up the carpet there was a lot of water retained under there. Could the water be the cause of the wires not properly working? and can drying it out eventually lead to working wires or?
Sep 23, 2019 at 12:06 PM (Merged)
Avatar
STRAILER
  • CERTIFIED EXPERT
  • 53,855 POSTS
Hey Nasute,

The water should not cause a problem, it is more likely the radio itself has gone out. If you hear no sound and the fuse is okay the unit is bad because the front speakers do not use the amplifier.

Please let us know happens so it will help others.

Best, Ken

Sep 23, 2019 at 12:06 PM (Merged)
Avatar
CHEWOLFE9798
  • MEMBER
  • 1 POST
Noises problem
2001 Chevy Impala 6 cyl Automatic 55000 miles

My radio has been going on and off sporatically. Now I have no sound from radio, no sound when door open with keys in ignition, and no sound when low fuel light comes on. Any suggestions?
Sep 23, 2019 at 12:06 PM (Merged)
Avatar
RHALL77
  • CERTIFIED EXPERT
  • 3,361 POSTS
Have the BCM scanned. You may need a new body control module. let me know the codes and Ill see what i can do to help
Sep 23, 2019 at 12:06 PM (Merged)
Avatar
WOTG
  • MEMBER
  • 0 POST
I had this problem as well and I had to replace the radio, used an aftermarket one for $180.00 works great.
Sep 23, 2019 at 12:06 PM (Merged)
Avatar
STRAILER
  • CERTIFIED EXPERT
  • 53,855 POSTS
Excellent addition to this thread!
Sep 23, 2019 at 12:06 PM (Merged)
Avatar
ASIFKHAN2010
  • MEMBER
  • 1 POST
Electrical problem
2001 Chevy Impala Two Wheel Drive Automatic 250,00 miles

HI SIR/MADAM,

i have chevy impala model 2001,i just change engine's fan, after changed the fan,car does't start, no sound, no sing nothing.i tried many times to start the car, but i could't do.

please let know, whats the real problem.

thanks
Asif
Sep 23, 2019 at 12:06 PM (Merged)
Avatar
RASMATAZ
  • CERTIFIED EXPERT
  • 75,992 POSTS
No crank at all/nothing/nada:

Could be a blown fusible link ,the starter, starter relay,park and neutral switch and ignition switch assuming the battery and connections are good.
Sep 23, 2019 at 12:06 PM (Merged)
Avatar
KEON123
  • MEMBER
  • 5 POSTS
the cd player is working but no sound comes out. it has an amp. built into it
Sep 23, 2019 at 12:06 PM (Merged)
Avatar
MHPAUTOS
  • CERTIFIED EXPERT
  • 31,937 POSTS
have you checked the amp fuse?
Sep 23, 2019 at 12:06 PM (Merged)
Avatar
KEON123
  • MEMBER
  • 5 POSTS
where is the amp fuse at?
Sep 23, 2019 at 12:06 PM (Merged)
Avatar
LADYPEPPER
  • MEMBER
  • 1 POST
Heater problem
2000 Chevy Impala 6 cyl Front Wheel Drive 153000 miles

Hello, I have a 2000 Impala and just recently when I turn my hearter on there is no sound at all unless I turn it all the way up to the highest level 5. but anything below that there is no sound, no heat. Do you know what is wrong? thanks
Sep 23, 2019 at 12:06 PM (Merged)
Avatar
JDL
  • CERTIFIED EXPERT
  • 16,098 POSTS
My guess is the blower resistors. High speed doesn't go through the resistor circuit,but, the lower speeds do.
Sep 23, 2019 at 12:06 PM (Merged)
Avatar
CARLM1961
  • MEMBER
  • 1 POST
My radio has power and buttons work, but no sound comes out. Also no door buzzer sound. Stock amfm radio no amp Checked fuse. Is BCM possible cause.
Sep 23, 2019 at 12:06 PM (Merged)
Avatar
JDL
  • CERTIFIED EXPERT
  • 16,098 POSTS
Welcome to the forum, thanks for the donation. Just because the radio lites up, doesn't mean it is functional. I looked at your wiring, I didn't notice the bcm having anything to do with the radio.


https://www.2carpros.com/forum/automotive_pictures/170934_impala_radio_1.jpg

That picture came from the12volt.com, it's a stereo site, among other things. I have no connection to them. I'm not stereo person. Have a good day.
Sep 23, 2019 at 12:07 PM (Merged)
Avatar
DATGABOY
  • MEMBER
  • 1 POST
If heater is running radio doesn't work.
Sep 23, 2019 at 12:07 PM (Merged)
Avatar
CARADIODOC
  • CERTIFIED EXPERT
  • 34,306 POSTS
"Doesn't work" can mean a dozen different things. With no actual symptoms to analyze, I can only suggest that since both items are in the same area, they likely share a common ground connection and that could be loose or corroded.
Sep 23, 2019 at 12:07 PM (Merged)
Avatar
STRAILER
  • CERTIFIED EXPERT
  • 53,855 POSTS
Excellent information. Please feel free to come back to the site with your automotive repair questions. We are here to help!
Oct 3, 2019 at 1:06 PM
Avatar
KEEPITSIMPLE1
  • CERTIFIED EXPERT
  • 17 POSTS
I will add my $.02 to this thread.

The OEM amp "tells" the head unit to put out pre-amp signals when the amp is connected with a resistor.

There is an aftermarket "Bypass harness" available that will allow the head unit to drive the speakers directly, Mine happened to swap the front and rear speaker assignments. Try that first.

Chimes are played through the left front speaker.

Old door speakers are suspect if they are scratchy. You can easily get water in the doors.

Aside: On the 2000 Impala for sure, there is a dealer part available for about $5.00 that prevents water from getting into the passenger carpet area through the cabin filter. Slight cutting is required. It's a 20 minute install if the cowl is in good shape. If not, the wipers have to be removed and the cowl molding replaced, fixed and or painted.

Some years, the 2000 is not one of them, does have the corroded connection near the passenger seat pillar.

You do need to check that the radio at least display wise works. It pretends it's tuning a station, raises volume etc. Be sure the customization controls work. e.g. Tire monitor reset and Oil use reset, door lock mode, light mode etc. Make sure at least one works.

So far, radio appearing to work:
Check rear and front speakers using fade/balance one at a time.
Install a bypass harness. That should make the radio work and might flip the front and rear speakers,

I actually used a "speaker toner" to make sure the speakers worked with the amplifier disconnected. Inject a signal at each pair of speaker leads.

I actually used a $20.00 USD oscilloscope, the DSO150 to make sure the proper levels were getting to the amplifier with the AMP connected and the radio set to a good strong station. I would set say right front only on the radio and identify a signal on each of the speaker leads relative to ground.

It's my feeling that there is a "systemic" problem in the remote turn-on circuit that initially presents itself as a thermal problem. The radio will work depending on the "trunk" temperature. It will then finally fail with all channels dead. My analysis of the amplifier circuit, there is no protection against transients for the AMP or the Remote Lead.

Once I can get one on the bench I'll know more.

I did replace turn-on transistor and the amp stopped working when the car was jump started.

One company on the Internet will not repair some of the models of AMPs that will fit.

The 2000 and 2001 can be the same for the Impala. The 2001 to 2005 uses a different power connector. The pins are smaller.

It's a "problem child". Hopefully, I can eventually engineer a fix.

The amplifiers employ "notch filters" which probably dampen resonances in the vehicle.

Regards,

Keepitsimple1

May 29, 2020 at 12:31 PM