Headlights not working

2003 CHEVROLET IMPALA
100,000 MILES • 6 CYL • FWD • AUTOMATIC
Avatar
SCOTT WUEST
  • MEMBER
  • 1 POST
I replaced the daytime running light module and the headlight switch on my daughter's car and the headlights still do not work. What else should I try?
Mar 31, 2011 at 10:41 PM
Advertisement
Avatar
WRENCHTECH
  • CERTIFIED EXPERT
  • 20,761 POSTS
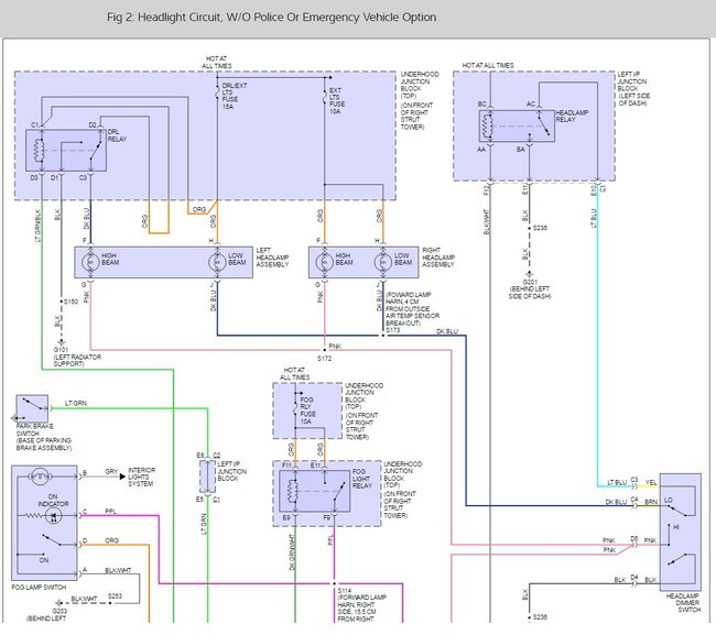
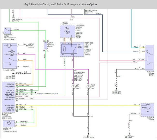
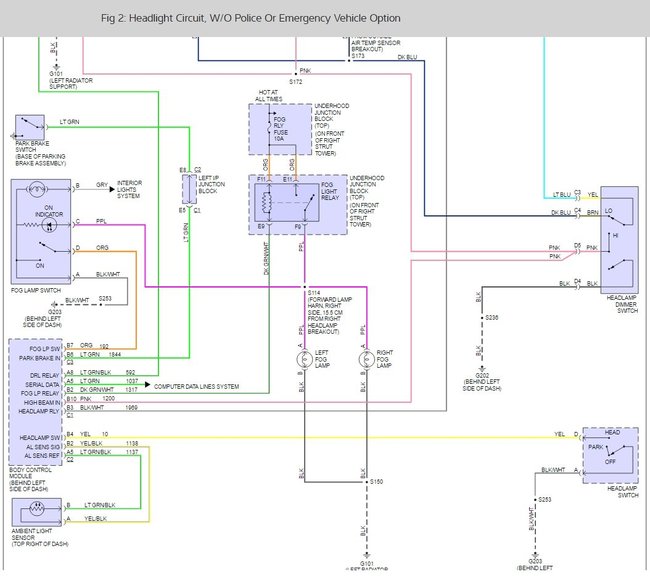
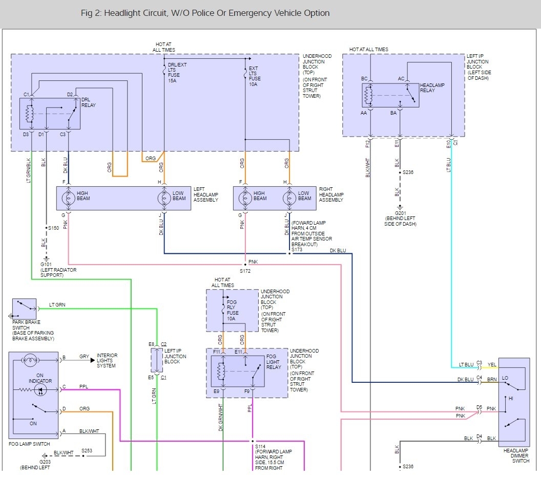
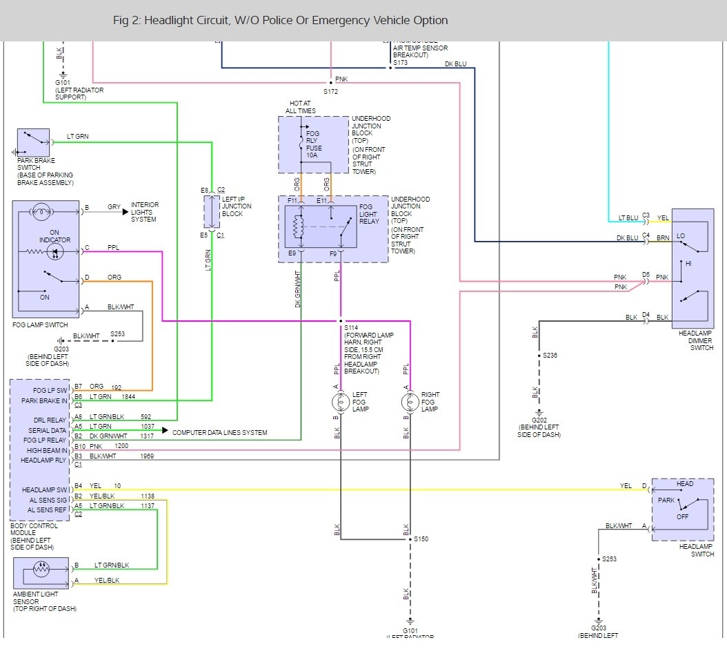
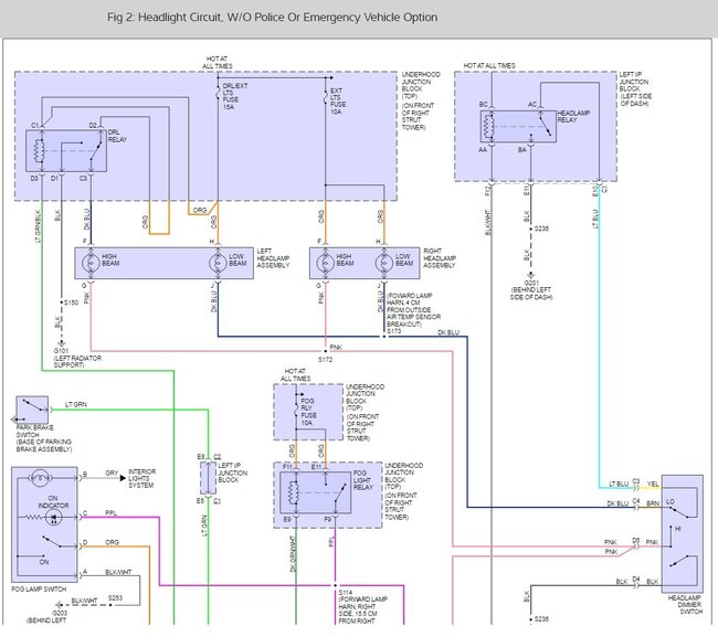
It sounds like the headlight relay is not working. Here is a guide to help test the relay and the wiring diagrams for the headlights so you can see how the system works and the relay location as well:

https://www.2carpros.com/articles/how-to-check-an-electrical-relay-and-wiring-control-circuit


Check out the diagrams (below). Please let us know what happens.

Cheers
Mar 31, 2011 at 11:05 PM
Avatar
JDL
  • CERTIFIED EXPERT
  • 16,098 POSTS
Not trying to butt in, just a slow day. At the right headlamp assembly, check orange wire for voltage. Use a voltage tester, hot all the time. The pink wire and dark blue wires are grounds. If there is much voltage on the ground circuit, there is a ground problem. Yes, I realize saying there is a faulty ground, throws a pretty wide loop. Use the headlamp switch, not automatic lamp control.
Mar 31, 2011 at 11:24 PM
Advertisement
Avatar
LVZNLO
  • MEMBER
  • 0 POST
I had this problem the relay fixed it great post BTW.
Aug 2, 2018 at 2:07 PM
Avatar
MELARCHIVALS
  • MEMBER
  • 5 POSTS
Both low beams stopped working suddenly. The high beams work.

I checked both fuses (located in the fuse box under the hood, passenger side) they were good. Both light assemblies were removed and the connectors and bulbs were checked for damage. The bulbs were clean, intact, and looked brand new. The connectors were also clean and in good shape.

A local parts dealer suggested checking the Headlamp Relay, (which I tried to do on site but could not locate it. I later discovered is located on the back of the fuse panel on the driver's side, the interesting note here is that although all that I did while parked at the parts dealer was remove the fuse panel cover and then replace it when I could not see anything that looked like a relay. The low beams came on when I put the car in drive and then stayed on until I parked the car at home. On a whim, I put the car back into drive and the lights did not come back on).

After some reading, I went back to the fuse panel on the driver's side in an attempt to get to the relay. I was unable to do so (due to time and physical disability). However, with the cover off of the panel, I could hear the relay working when I used the key fob to unlock the trunk (at night, it will flash the lights two times, then keep them on for a few minutes). The relay clicks sounded clean. No sounds of sticking. Until I can get at the relay, I am assuming that it is good, as I have never had a problem with the low beams until now.

I have had the high beams cut out on some rare instances, but a click to low and then back again fixes that problem.

I have also had the turn signal fail from time to time but turning the hazards on for a second or two seems to correct that.

I am guessing it is the multi-function switch on the steering column.
Aug 2, 2018 at 2:09 PM (Merged)
Avatar
SATURNTECH9
  • CERTIFIED EXPERT
  • 30,869 POSTS
Sure sounds like a bad multi function switch from what your saying. Do you have a multi meter to do some testing?
Aug 2, 2018 at 2:09 PM (Merged)
Avatar
MELARCHIVALS
  • MEMBER
  • 5 POSTS
Yes, I do.
Aug 2, 2018 at 2:09 PM (Merged)
Avatar
MELARCHIVALS
  • MEMBER
  • 5 POSTS
Okay. After a fiasco at a local repair shop, in desperation I went through what I could get to again. Fuses and relays.

I found a relay that I had overlooked on the previous check (a driving light relay located in the box under the hood on the passenger side) replacing it did not change anything (I tried replacing it, because I could not remember how to check it). I did not find any loose connections anywhere. After two hours of pulling, checking, and putting back, I gave up and put everything back into place and reconnected the battery.

Went to move the car and the blasted things came on. I am hysterically relieved but not holding my breath, because I have not changed anything.

Still have the one relay on the back of the driver side fuse panel that I could not get to. I read somewhere that there is a tab that releases that so that it will drop down allowing access but I did not see it. I am physically limited, so I am not up for laying on the floor of the car and trying to reach for it. Although, by listening, it sounds like it is working (and must be since the lights are working now).

I did not get to any of the wiring behind the kick panel, which is where the multi-function switch wiring harness connector is located and I do not have the torx bits necessary for the steering column. (I am uncomfortable messing with the airbag anyway).
Aug 2, 2018 at 2:09 PM (Merged)
Avatar
MELARCHIVALS
  • MEMBER
  • 5 POSTS
Something else that I have become aware of. The lights are working as DRL's (but not always) and, so far, they will not work at night. At night, it is high beams only.
Aug 2, 2018 at 2:09 PM (Merged)
Avatar
LILSHEP2010
  • MEMBER
  • 6 POSTS
I have the LS model and one headlight will not turn on. It has got 12.5 volts coming out of the plug that plugs into the headlight and the bulb is brand new. Any ideas or suggestions?
Aug 2, 2018 at 2:09 PM (Merged)
Avatar
JDL
  • CERTIFIED EXPERT
  • 16,098 POSTS
How about the ground?
Aug 2, 2018 at 2:09 PM (Merged)
Avatar
MELARCHIVALS
  • MEMBER
  • 5 POSTS
Okay. Gave up and took it in to the shop. The tech's there told me when I picked it up that there was a code pointing to the multi-function switch. Something along the lines of a "random malfunction." I did not think to check the computer, although the code is no longer there and my book for the reader that I have, does not list a code for that particular message.
Aug 2, 2018 at 2:09 PM (Merged)
Avatar
JDL
  • CERTIFIED EXPERT
  • 16,098 POSTS
Just to add, voltage to the headlamps is hot all the time. On/off, high/low beam is controled on the ground circuit. In the diagram, the top wires going into the lamp assembly is voltage, bottom wires are ground.
Aug 2, 2018 at 2:09 PM (Merged)
Avatar
LILSHEP2010
  • MEMBER
  • 6 POSTS
I replaced the ground. Before I did the plug had 11 volts. After it was 12.5.
Aug 2, 2018 at 2:09 PM (Merged)
Avatar
LILSHEP2010
  • MEMBER
  • 6 POSTS
So the dark blue wire is a ground?
Aug 2, 2018 at 2:09 PM (Merged)
Avatar
JDL
  • CERTIFIED EXPERT
  • 16,098 POSTS
Dark blue wire is ground for low beam. If there is any voltage to speak of on that dark blue wire, with headlamp switch on, the ground is faulty. Is low beam the problem?

The dark blue wire goes to dimmer switch, from dimmer, a light blue wire goes to headlamp relay. When the relay is energized, low beam goes to ground.
Aug 2, 2018 at 2:09 PM (Merged)
Avatar
SPEEDRACER30
  • MEMBER
  • 1 POST
My headlights quit working in my car. I replaced fuses, relays and headlight switch. Would both bulbs quit at once? Replaced fuses, relays, and headlight switch.
Aug 2, 2018 at 2:09 PM (Merged)
Avatar
LILSHEP2010
  • MEMBER
  • 6 POSTS
The low beam is the problem. It flickers for about five to ten seconds then totally turns off and never comes back on. I replaced the ground that connects to the plug that connects to the bulb.
Aug 2, 2018 at 2:09 PM (Merged)
Avatar
RIVERMIKERAT
  • CERTIFIED EXPERT
  • 6,110 POSTS
Check the ground for the headlight relay and for the headlights.
Aug 2, 2018 at 2:09 PM (Merged)
Avatar
JDL
  • CERTIFIED EXPERT
  • 16,098 POSTS
The headlamp switch/dimmer switch/headlamp relay/BCM, plus the wiring circuit itself on that circuit.
Aug 2, 2018 at 2:09 PM (Merged)
Avatar
LILSHEP2010
  • MEMBER
  • 6 POSTS
So which one is it?
Aug 2, 2018 at 2:09 PM (Merged)
Avatar
LILSHEP2010
  • MEMBER
  • 6 POSTS
There is no voltage going to the orange wire. The ground seems to be fine.
Aug 2, 2018 at 2:09 PM (Merged)
Avatar
TSF_92
  • MEMBER
  • 5 POSTS
On my car my brake lights stop working but when I put on the brakes they light up. The dash lights stopped working the same time the tail lights stopped. Then a little bit after this my head lights stop working, but they work when I hold on the high beams with the blinker switch. Please help!
Aug 2, 2018 at 2:09 PM (Merged)
Avatar
RHALL77
  • CERTIFIED EXPERT
  • 3,361 POSTS
You either have a problem in the head light switch or the BCM. You need to have it scanned for trouble codes. But it could be as simple as the switch.
Aug 2, 2018 at 2:09 PM (Merged)
Avatar
JDL
  • CERTIFIED EXPERT
  • 16,098 POSTS
I thought you said you had voltage on the voltage wire, what color wire did you check? Note the diagram below. If you had a fuse problem, none of the lights would work. You can check applicable fuse for voltage.
Aug 2, 2018 at 2:09 PM (Merged)
Avatar
SPADES2106
  • MEMBER
  • 1 POST
My wife got the in a divorce settlement, when I met her there was nothing wrong with the car. No problems. The car got reposed because her ex did not make the car note. Now we got it back and the dashboard lights work some times the whole dash. I also noticed that the high beams do not work and when you try to turn them on all the lights go out the dash and the radio light, but the radio still works. Speedometer still works just the lights. Some one also took out the heater blower motor it has a bad connection, but works now. I wanted to know before I went under the dash to look at the ground wires if you think this might be the problem. Thank you for your time.
Aug 2, 2018 at 2:09 PM (Merged)
Avatar
RHALL77
  • CERTIFIED EXPERT
  • 3,361 POSTS
I have found that the dimmer switch can cause a lot of these problems. Also a body control module can cause this also. Turn the dimmer switch back and forth (bright and dim) and see if you can get all the lights to come back on. If not you may have to take it to have a scan tool check it. I do not think it was anything some one did.
Aug 2, 2018 at 2:09 PM (Merged)
Avatar
JESSIE KISSINGER
  • MEMBER
  • 1 POST
My headlights are not working and there are a lot of wires not connected when I was looking at it. I do not know which colors go to which.
Aug 2, 2018 at 2:09 PM (Merged)
Avatar
STRAILER
  • CERTIFIED EXPERT
  • 53,854 POSTS
Hi JESSIE,

Yes, it does look like there is some wiring issues going on. Here is a wiring diagram to help you fix the problem and a guide to show you how to test the system.

It looks like there are some fuses you should check too as well as the headlight bulbs themselves.

Please run some test and let me know how it goes.

Best, Ken
Aug 2, 2018 at 2:09 PM (Merged)
Avatar
SURATO
  • MEMBER
  • 1 POST
Hi. The driver's side low beam went out. Replaced bulb (it was burnt out). It will not work now.
Aug 2, 2018 at 2:09 PM (Merged)
Avatar
JDL
  • CERTIFIED EXPERT
  • 16,098 POSTS
Hello, did you check for voltage to the low beam? Left side low beam assembly, voltage wire is orange, hot all the time. The circuit is controlled on the ground side, dark blue wire. Even if there is voltage to the lamp, no ground and the light will not work.
Aug 2, 2018 at 2:09 PM (Merged)
Avatar
BPW24
  • MEMBER
  • 2 POSTS
Electrical problem
2000 Chevy Impala 6 cyl Front Wheel Drive Automatic 120k miles

Hi and thanks for taking time to read this. Now, down to business.

My father in law has a 2000 Impala (former police car) that has a few issues. First things first, the cruise control does not work at all. I have checked the fuses and all fit tight and are in good working order. Everything under the hood related to the Cruise Control are all plugged in and intact and appear to visually be ok. Secondly, the headlights stay on at all times. The only way to turn them off is to take out the fuse. They will not turn off with the switch itself. So I believe the fuses for them are out, due to I don't see him driving at night and headlights are off. Thirdly, the car some times shuts off while driving, even under an acceleration load. It doesn't seem to have any sort of pattern of when it does it.

I feel all these problems are electrical, due to this being some sort of law enforcement car with wiring and all. It has two big spotlights on it, neither of which are actively connected. I have read several forums and can't quite nail down the answer. I believe the problem is either a bad ground or some sort of issue with the ignition switch. Any help on getting me in the right direction is appreciated. Thanks
Jun 26, 2020 at 12:15 PM (Merged)
Avatar
LOUT5369
  • CERTIFIED EXPERT
  • 217 POSTS
Are the headlamps on only with the car running or are they on constant, draining the battery?If only when running these are Daytime running lights and they are supposed to be on,Otherwise I would pull the relay that says "DRL" the relay may be stuck,as far as the cruise is concerned check the bulb in the High stop lite,a Blown 3rd brake lite bulb will stop the cruise from working. Let me know how you make out.Lou
Jun 26, 2020 at 12:15 PM (Merged)
Avatar
BPW24
  • MEMBER
  • 2 POSTS
Thanks for the reply. No, the lights stay on at all times, with the switch off and keys out. I know the DRL's stay on while driving, but that is not the case here. I also wanted to mention the fact that the airbag light stays on as well. I had no idea that a brake light being out like that would stop the cruise from working. That is weird. I will go check the bulb and reply back, albeit it may be a few days or through the weekend. Thanks again.
Jun 26, 2020 at 12:15 PM (Merged)
Avatar
LOUT5369
  • CERTIFIED EXPERT
  • 217 POSTS
That has to be a bad relay,for them to stay on constant,try puling out the DRL relay,if the lights go out try the headlamp switch,see if the lights work normally,As far as the cruise is concerned,yea you're right that is weird,if I hadn't experienced it myself,I wouldn't believe it.But it happened to many times to be only a one time thing.
Jun 26, 2020 at 12:15 PM (Merged)
Avatar
TAKECHARGESARGE
  • CERTIFIED EXPERT
  • 92 POSTS
Hi bpw24,
I had a similar stalling problem about three years ago.
My engine would stall and the only indication, other than the loss of power, was the battery in the message center. It was like somebody had turned the Ignition switch to OFF then turned it ON again.
The engine died and it usually took 5 to 15 minutes and I could start up and drive again.

If it's stalling without even a trouble code, it is most likely the Crankshaft Position Sensor. It is located below the Ignition Module. If it malfunctions, it will shut off power at the Ignition Module.

Anyway, after my Crankshaft Position Sensor was replaced, The problem went away.

TakeChargeSarge
Jun 26, 2020 at 12:15 PM (Merged)
Avatar
MRBREEZEET1
  • MEMBER
  • 6 POSTS
have found that the dimmer switch can cause a lot of these problems. Also, a body control module can cause this also. Turn the dimmer switch back and forth (bright and dim) and see if you can get all the lights to come back on. If not, you may have to take it to have a scan tool check it. I do not think it was anything someone did.

The question is that dimmer switch a momentary contact switch which triggers a relay and then is out of the picture or does the dimmer switch supply a constant voltage in either direction?
Like a latched type switch.
May 24, 2022 at 7:05 PM
Avatar
MRBREEZEET1
  • MEMBER
  • 6 POSTS
A few of you spoke about checking for codes when there is a headlight issue.
Would I use the same scanner I used to read engine control codes?
I have the torque pro app and others.
Or would these need to be read with a tech ll or similar?
May 24, 2022 at 8:11 PM
Avatar
STRAILER
  • CERTIFIED EXPERT
  • 53,854 POSTS
I am not sure a tech2 can do a CAN scan which can see if the BCM is bad, but this scanner will. please watch this video and do the scan to confirm the issue.

https://youtu.be/InIlnsjOVFA

Please run down this guide and report back.
May 27, 2022 at 5:13 PM
Avatar
MRBREEZEET1
  • MEMBER
  • 6 POSTS
Okay, thank you. I watched the video I'm not having a problem with my car but I'm just trying to sort of understand these a little better.
Do you know if the dimmer switch is a momentary contact switch that triggers a relay and then it's out of the picture or is it continuous voltage through the switch like a latched switch?
I am guessing from the field it's momentary contact and just triggers a relay, but I could be wrong.
May 28, 2022 at 8:25 AM
Avatar
STRAILER
  • CERTIFIED EXPERT
  • 53,854 POSTS
It is a latch switch that triggers a relay, here is the headlight wiring diagrams so you can see how the system works. Check out the diagrams (below). Please let us know what happens.
May 28, 2022 at 9:58 AM