Headlamp Ground Wire

2003 CHEVROLET CAVALIER
100,000 MILES • 4 CYL • FWD • AUTOMATIC
Avatar
ELLEMICHELE
  • MEMBER
  • 1 POST
My low beam and high beam lights are not working. Can you supply a diagram of the Ground Wiring? How do I find the headlamp ground wiring?
Dec 30, 2013 at 1:21 PM
Advertisement
Avatar
STRAILER
  • CERTIFIED EXPERT
  • 53,854 POSTS
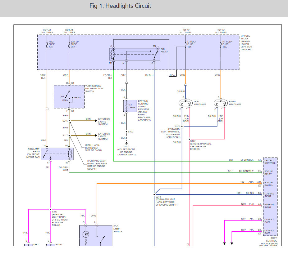
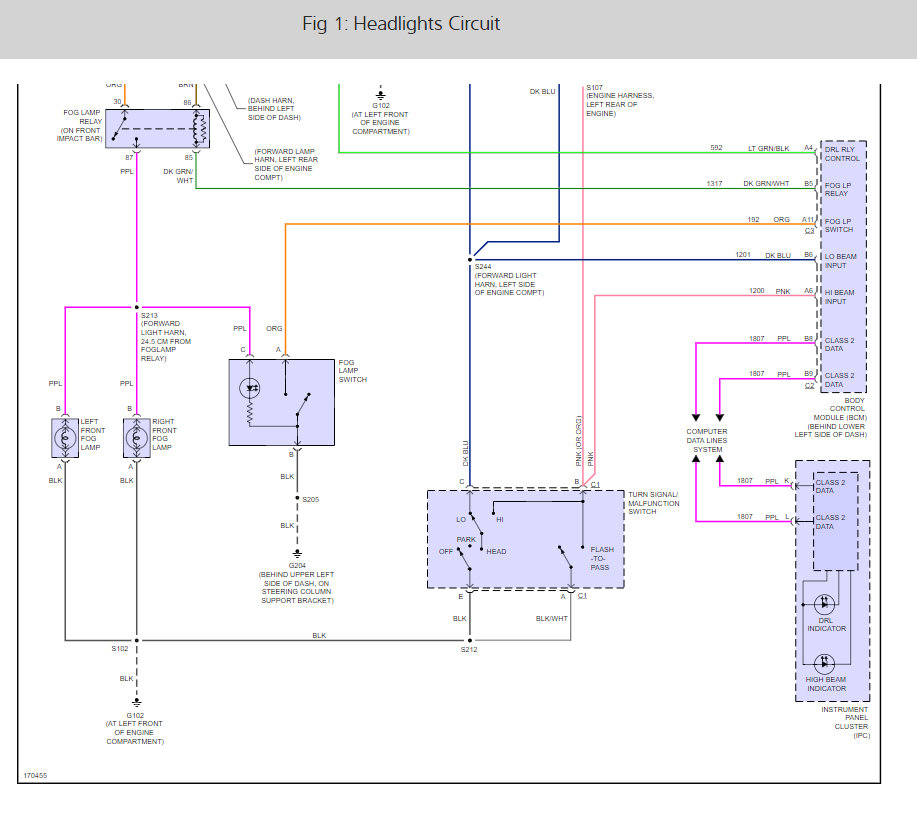
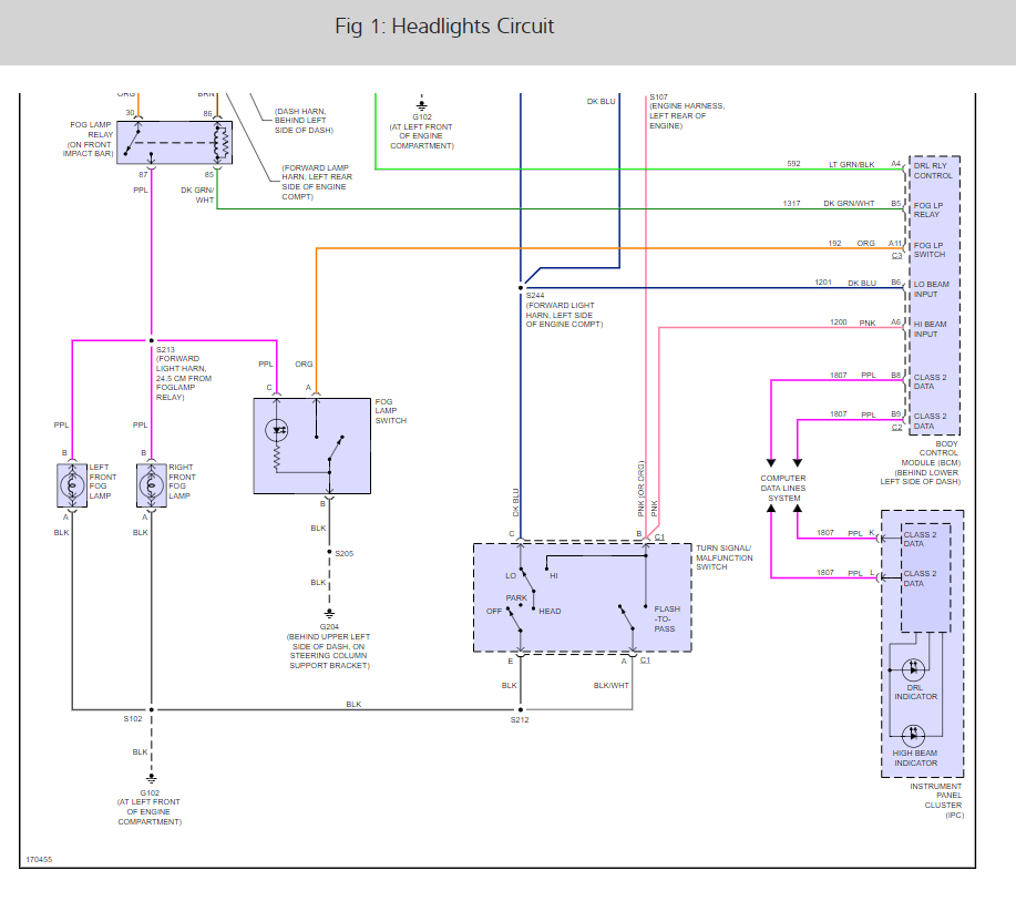
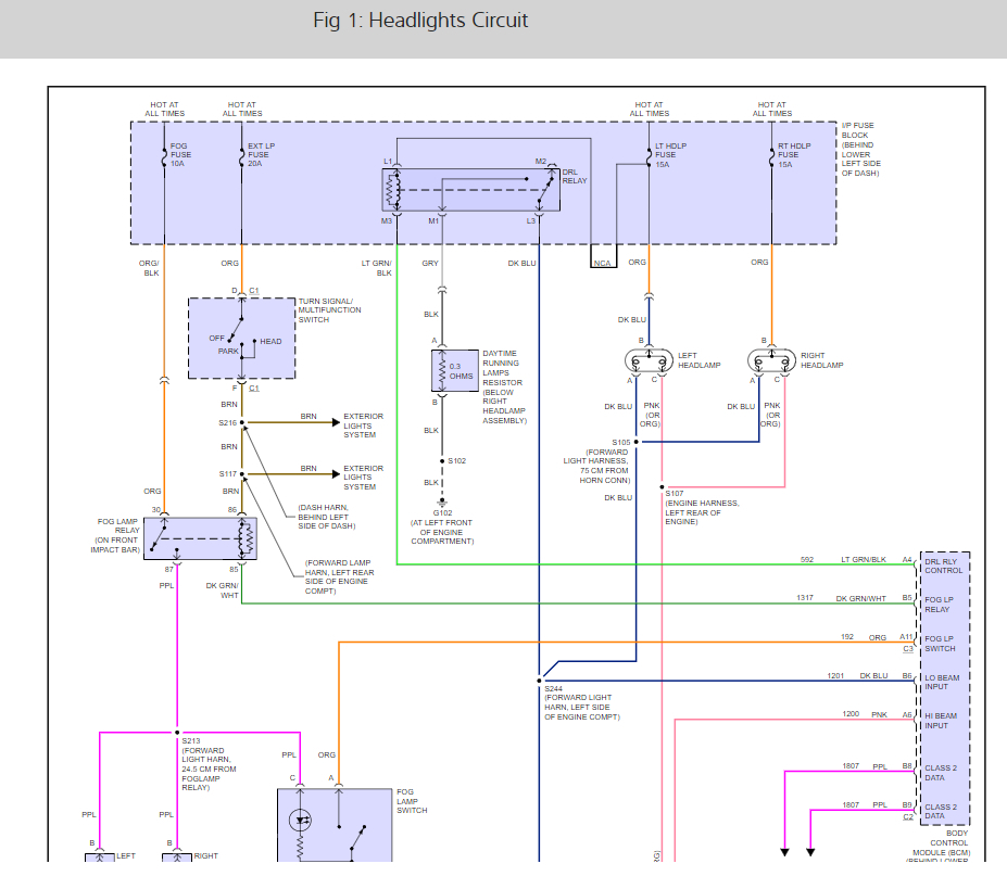
There are three fuses that run the system as well make sure you check those. Here is a guide to help you get started.

https://www.2carpros.com/articles/how-to-use-a-test-light-circuit-tester

Here are the headlight wiring diagrams o you can see where you are losing power.

Check out the diagrams (Below)

Let us know what happens and please upload pictures or videos of the problem.

Cheers, Ken
Jan 30, 2018 at 11:56 AM
Avatar
ELLEMICHELE
  • MEMBER
  • 1 POST
Thank you so much for the diagrams I tracked the problem to a bad headlight switch which I replaced and now everything is working great. Thanks for your help getting my car fixed saved me a bunch $$$
Jan 30, 2018 at 11:57 AM
Advertisement